×
Buy Suzuki DS Parts Online
home
DS80 1998 (W) USA CANADA (E03 E28)
* COLOR CHART *
0 products
* CATALOG PREFACE *
0 products
CYLINDER
25 products
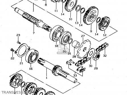
TRANSMISSION
34 products
GEAR SHIFTING
35 products
KICK STARTER
10 products
MAGNETO
17 products
HEADLAMP
6 products
TAIL LAMP
13 products
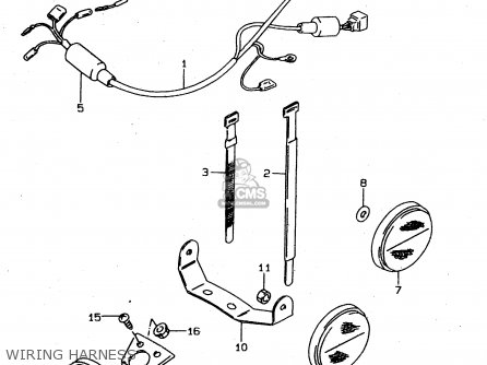
WIRING HARNESS
20 products
FRAME
2 products
PROP STAND - BRAKE PEDAL
18 products
FUEL TANK
21 products
CRANKCASE
15 products
FUEL COCK
9 products
OIL TANK
6 products
FRAME COVER
6 products
HEADLAMP HOUSING
5 products
HANDLEBAR
11 products
HANDLE LEVER
16 products
REAR FENDER
25 products
SEAT
4 products
FRONT DAMPER
19 products
STEERING STEM
23 products
CRANKCASE COVER
15 products
FRONT WHEEL
25 products
REAR SWINGING ARM
15 products
REAR SHOCK ABSORBER
4 products
CUSHION LEVER
25 products
REAR WHEEL
39 products
OPTIONAL
8 products
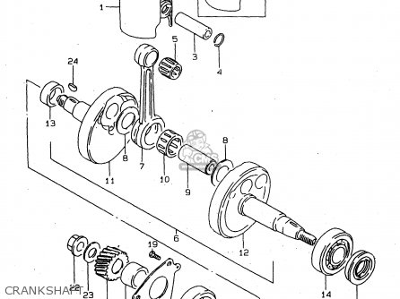
CRANKSHAFT
28 products
CARBURETOR
30 products
AIR CLEANER
11 products
MUFFLER
19 products
OIL PUMP
14 products
CLUTCH
25 products
up
popular products
5532003410
SPOKE SET,FR WHEEL
Suzuki
1338303400
NEEDLE,JET
Suzuki
1140046837
GASKET SET (NAS)
Suzuki
1379203400
HOLDER,FILTER OUTER
Suzuki