×
Buy Suzuki GS Parts Online
home
GS500E 1990 (L) (E01 E02 E04 E15 E16 E17 E21 E22 E24 E25 E34 E39
* COLOR CHART *
0 products
* COLOR CHART *
0 products
* CATALOG PREFACE *
0 products
* CONVERSION CHART *
0 products
CYLINDER HEAD COVER
17 products
CYLINDER HEAD
36 products
CYLINDER
7 products
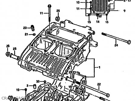
CRANKCASE
39 products
CRANKCASE COVER
47 products
OIL FILTER-OIL PUMP
30 products
CRANKSHAFT
29 products
CRANKSHAFT BALANCER
15 products
STARTER CLUTCH
9 products
CAM SHAFT-VALVE (MODEL R/S/T)
51 products
CAM CHAIN
18 products
CARBURETOR (MODEL T)
96 products
AIR CLEANER
27 products
SECOND AIR (MODEL N/P/R/S/T:E18,E39)
37 products
CLUTCH
35 products
TRANSMISSION
44 products
GEAR SHIFTING
44 products
STARTING MOTOR
17 products
GENERATOR
10 products
SIGNAL GENERATOR
11 products
BATTERY
8 products
ELECTRICAL
24 products
SPEEDOMETER-TACHOMETER
46 products
HEADLAMP (MODEL K/L/M/N)
18 products
HEADLAMP (MODEL T)
25 products
TURNSIGNAL LAMP (MODEL S/T)
28 products
REAR COMBINATION LAMP (MODEL T)
50 products
WIRING HARNESS
46 products
HANDLE SWITCH (MODEL L/M/N/P/R/S/T)
10 products
FRAME
26 products
STAND-REAR BRAKE
32 products
FOOTREST
35 products
FUEL TANK (MODEL T)
35 products
FUEL COCK
20 products
FRAME COVER (MODEL R/S/T)
44 products
HEADLAMP HOUSING (MODEL R/S/T)
25 products
FRONT FENDER (MODEL T)
37 products
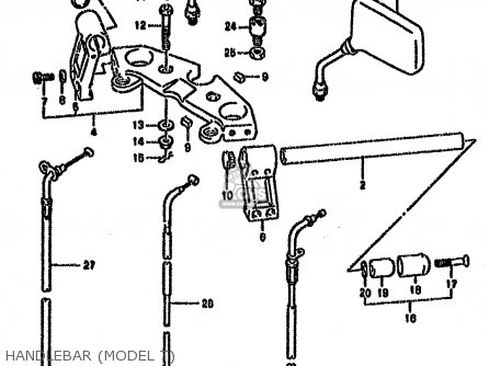
HANDLEBAR (MODEL T)
31 products
HANDLE LEVER (MODEL L/M/N/P/R/S/T)
28 products
REAR FENDER (MODEL T)
68 products
COWLING (MODEL M/N/P/R/S/T OPTIONAL)
43 products
SEAT (MODEL S/T)
31 products
FRONT DAMPER (MODEL N/P/R/S/T)
28 products
STEERING STEM
26 products
FRONT WHEEL
25 products
FRONT CALIPER (MODEL T)
19 products
FRONT MASTER CYLINDER
23 products
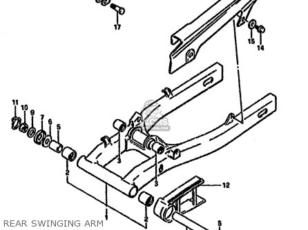
REAR SWINGING ARM
30 products
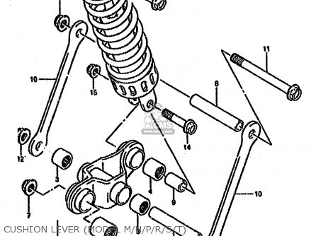
CUSHION LEVER (MODEL M/N/P/R/S/T)
18 products
REAR WHEEL
36 products
REAR CALIPER (MODEL P/R/S/T)
20 products
REAR MASTER CYLINDER
38 products
OPTIONAL
25 products
up
popular products
5615001D10
HANDLEBAR,L
Suzuki
1289245000295
SHIM,TAPPET(T:2.95)
Suzuki
3386001D00
WIRE,BATTERY MINUS LEAD
Suzuki
1289245000265
SHIM,TAPPET(T:2.65)
Suzuki