×
Buy Suzuki JR Parts Online
home
JR50 1999 (X) USA (E03)
AIR CLEANER
6 products
CARBURETOR
36 products
CLUTCH
31 products
CLUTCH COVER - OIL PUMP
19 products
CRANKCASE
22 products
CRANKCASE COVER
20 products
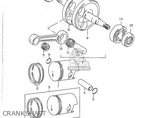
CRANKSHAFT
18 products
CYLINDER
12 products
ELECTRICAL
28 products
FRAME - FOOTREST
18 products
FRAME COVER
12 products
FRONT FENDER
5 products
FRONT FORK
30 products
FRONT WHEEL
24 products
FUEL TANK (MODEL T/V)
24 products
FUEL TANK (MODEL W/X)
25 products
GEAR SHIFTING
14 products
HANDLE GRIP
9 products
HANDLEBAR - CABLE
10 products
KICK STARTER
18 products
MAGNETO
9 products
MUFFLER
26 products
OIL TANK
3 products
REAR BRAKE
6 products
REAR FENDER
31 products
REAR SWINGING ARM
15 products
REAR WHEEL
39 products
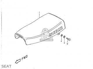
SEAT
5 products
TRANSMISSION
21 products
up
popular products
0949400210
JET,NEEDLE
Suzuki
5111004420
TUBE,INNER
Suzuki
2751119000
SPROCKET,ENGINE
Suzuki
0918006289
SPACER(6.5X10X11.5)
Suzuki