×
Buy Suzuki RM Parts Online
home
RM80 1997 (V)
* COLOR CHART *
0 products
* CATALOG PREFACE *
0 products
* CATALOG PREFACE *
0 products
* CONVERSION CHART *
0 products
CYLINDER
27 products
EXHAUST VALVE
35 products
CRANKCASE
19 products
CRANKCASE COVER-WATER PUMP
23 products
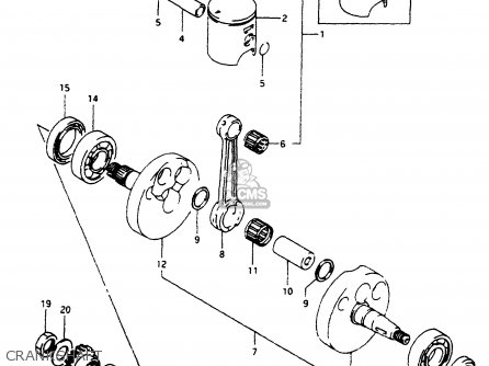
CRANKSHAFT
29 products
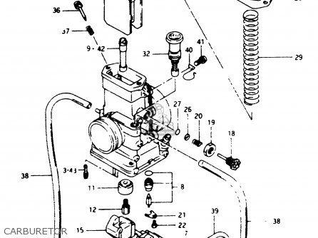
CARBURETOR
48 products
AIR CLEANER
17 products
MUFFLER
17 products
RADIATOR
20 products
CLUTCH
22 products
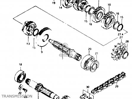
TRANSMISSION
33 products
GEAR SHIFTING
33 products
KICK STARTER
17 products
MAGNETO
10 products
CDI UNIT-IGNITION COIL
16 products
FRAME
13 products
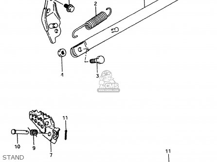
STAND
11 products
REAR BRAKE
12 products
FUEL TANK (MODEL V)
15 products
FUEL COCK
8 products
FRAME COVER
8 products
FRONT FENDER
8 products
HANDLEBAR-CABLE
6 products
HANDLE LEVER
25 products
REAR FENDER
10 products
LABEL
12 products
SEAT
1 products
FRONT FORK
25 products
STEERING STEM
12 products
FRONT WHEEL
22 products
FRONT CALIPER
15 products
FRONT MASTER CYLINDER
15 products
REAR SWINGING ARM
21 products
SHOCK ABSORBER
15 products
CUSHION LEVER
23 products
REAR WHEEL
37 products
REAR CALIPERS
14 products
REAR MASTER CYLINDER
26 products
OPTIONAL
15 products
up
popular products
4355002B01019
FOOTREST,FR,R
Suzuki
1325202B50
FLOAT
Suzuki
5117528E30
O-RING,FORK BOLT,LOWER
Suzuki
1325102B40
GASKET,FLOAT CAHMBER (NAS)
Suzuki