×
Buy Suzuki DR Parts Online
home
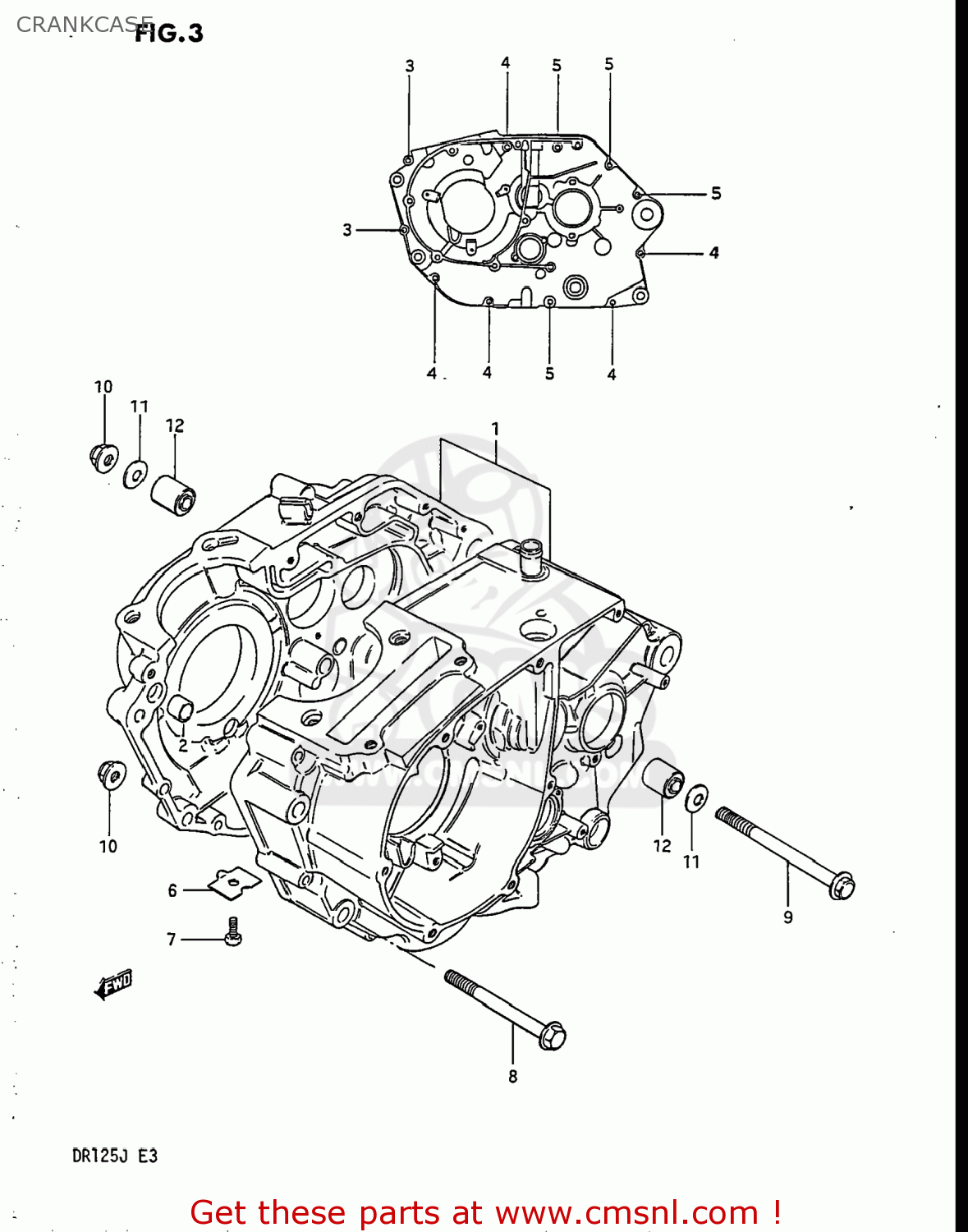
CRANKCASE
DR125 1986 (G) USA (E03)
Crankcase diagram DR125 1986 (G) USA (E03)
CRANKCASE DR125 1986 (G) USA (E03)
×
prices are in EUR
ref
part #
description
quantity
1
1130042A00
ref: 1
11300-42A02
CRANKCASE SET
€ 555.50
2
0920613001
ref: 2
04211-13189
PIN
€ 2.50
3
0154706454
ref: 3
01547-0645B
BOLT
€ 3.50
4
0154706605
ref: 4
01547-0660B
BOLT (6X60)
€ 4.00
5
0154706755
ref: 5
01547-0675B
BOLT (6X75)
€ 2.50
6
1131905210
ref: 6
11319-05200
PLATE,OIL GALLERY PLUG
€ 2.50
7
0110706105
ref: 7
01500-0610B
BOLT
€ 2.00
8-1
0910308076
ref: 8-1
BOLT(8X80)
€ 0.00
8-2
0910308016
ref: 8-2
BOLT(8X80)
€ 7.00
9-1
0910308138
ref: 9-1
BOLT(8X115)
€ 4.50
9-2
0910308219
ref: 9-2
BOLT L:115
€ 0.00
10-1
0831931085
ref: 10-1
08319-3108A
NUT
€ 3.00
10-2
0831931087
ref: 10-2
NUT
€ 3.00
11
0821208182
ref: 11
WASHER
€ 1.50
12
0931908032
ref: 12
BUSH(8.4X18X16)
€ 9.50
up
all assemblies
AIR CLEANER
CAM CHAIN
CAM SHAFT - VALVE
CARBURETOR
CLUTCH
CRANKCASE
CRANKCASE COVER
CRANKSHAFT
CYLINDER
CYLINDER HEAD
ELECTRICAL
FOOTREST
FRAME
FRAME COVER
FRONT BRAKE HOSE
FRONT CALIPER
FRONT FENDER
FRONT FORK
FRONT MASTER CYLINDER
FRONT WHEEL
FUEL COCK
FUEL TANK (MODEL G/H)
FUEL TANK (MODEL J)
GEAR SHIFTING
HANDLEBAR
HEADLAMP
HEADLAMP HOUSING
KICK STARTER
LIGHT HANDLE SWITCH
MAGNETO
MUFFLER
OIL PUMP
REAR COMBINATION LAMP
REAR CUSHION
REAR FENDER
REAR SWINGING ARM
REAR WHEEL
RIGHT HANDLE SWITCH
SEAT
STAND - REAR BRAKE
STEERING STEM (MODEL G)
STEERING STEM (MODEL H/J)
TRANSMISSION
TRIP METER
WIRING HARNESS
up