×
Buy Suzuki DR Parts Online
home
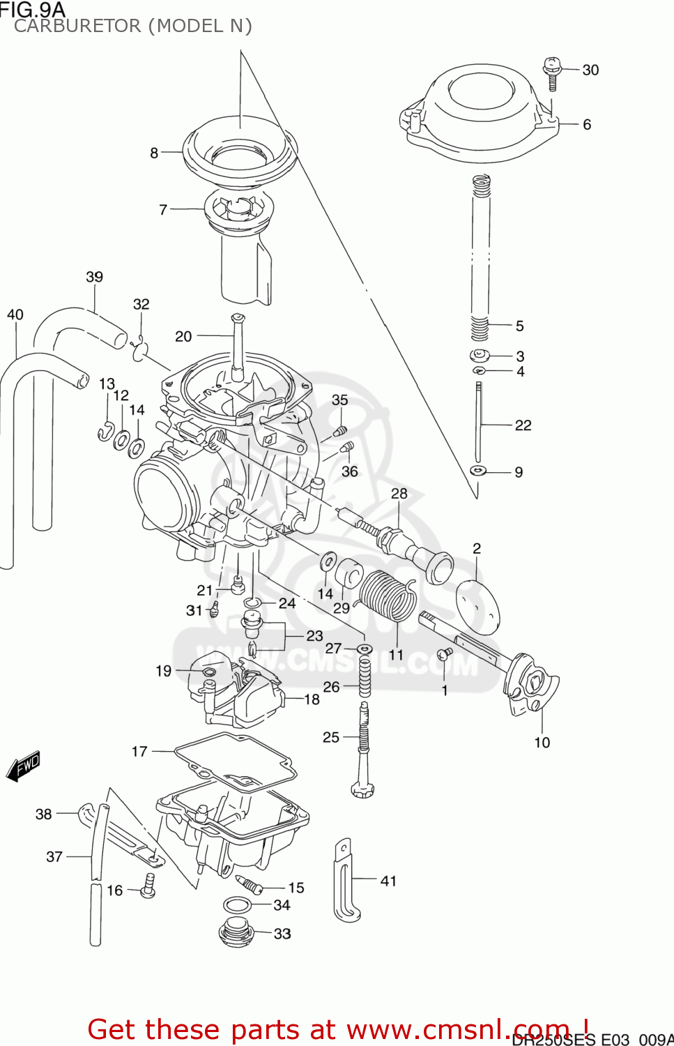
CARBURETOR (MODEL N)
DR250SE 1995 (S) USA (E03)
Carburetor (model n) diagram DR250SE 1995 (S) USA (E03)
CARBURETOR (MODEL N) DR250SE 1995 (S) USA (E03)
×
prices are in EUR
ref
part #
description
quantity
 
1320015E10
ref:  
CARBURETOR ASSEMBLY
€ 253.00
 
1320015E40
ref:  
CARBURETOR ASSEMBLY
€ 236.00
1
1360442A00
ref: 1
13604-44080
SCREW
€ 3.50
2
1355145B00
ref: 2
VALVE,THROTTLE (115)
€ 21.00
3
1338242A00
ref: 3
RING
€ 3.50
4
1339401D00
ref: 4
E RING
€ 4.50
5
1341744B00
ref: 5
SPRING
€ 6.00
6
1350245B00
ref: 6
13502-44B00
COVER,DIAPHRAGM
€ 36.00
7
1355144B10
ref: 7
VALVE PISTON
€ 74.50
8
1350744B00
ref: 8
DIAPHRAGM
€ 29.00
9
1338747010
ref: 9
RING
€ 7.50
10
1355014E00
ref: 10
SHAFT ASSEMBLY
€ 33.50
11
1326831D00
ref: 11
SPRING
€ 9.50
12
1355747070
ref: 12
GASKET,THROTTLE SHAFT (NAS)
€ 4.00
13
1361744080
ref: 13
E RING
€ 3.50
14
1355644B00
ref: 14
SEAL
€ 3.50
15
1324713A00
ref: 15
13247-02340
SCREW,DRAIN
€ 5.50
16
1360205128
ref: 16
02112-05127
SCREW
€ 2.50
17
1325844B00
ref: 17
GASKET,FLOAT CHAMBER (NAS)
€ 8.50
18
1324014D30
ref: 18
FLOAT ASSY
€ 46.50
19
1337446710
ref: 19
O RING
€ 4.50
20
0949400691
ref: 20
09494-00883
JET,NEEDLE (O-6)
€ 40.50
21
0949126012
ref: 21
JET,MAIN(132.5)
€ 11.50
22
1338314D20
ref: 22
NEEDLE,JET
€ 12.50
23
1337044B00
ref: 23
13370-02D00
VALVE ASSEMBLY,NEEDLE
€ 46.50
24
1337444080
ref: 24
13374-35C00
O-RING,NEEDLE VALVE
€ 6.00
25
1326714D10
ref: 25
SCREW,ADJUSTER
€ 22.50
26
1327133C00
ref: 26
SPRING
€ 4.50
27
1342738300
ref: 27
WASHER
€ 1.50
28
1341114E00
ref: 28
13411-14E10
PLUNGER ASSEMBLY
€ 51.00
29
1357428A00
ref: 29
RING
€ 4.50
30
1360234390
ref: 30
02112-7516A
SCREW
€ 2.50
31
0949240014
ref: 31
JET(40)
€ 8.50
32
1367148B10
ref: 32
09401-10401
CLIP
€ 1.50
33
1324732210
ref: 33
SCREW,GUIDE
€ 13.00
34
1324941310
ref: 34
O RING,DRAIN PLUG
€ 5.00
35
0949328007
ref: 35
09493-28006
JET,AIR
€ 15.50
36
0949360004
ref: 36
JET,AIR(0.6)
€ 11.00
37
1368336A00
ref: 37
09352-30503-600
HOSE
€ 8.00
38
1367105A20
ref: 38
09404-06433
CLIP
€ 3.00
39
1368343410
ref: 39
09352-70113-600
HOSE
€ 17.50
40
1368732C00
ref: 40
44420-44AR0
HOSE
€ 13.00
41
0940406401
ref: 41
09404-06432
CLAMP L:35
€ 2.50
up
all assemblies
AIR CLEANER
BATTERY (MODEL L/M/N)
BATTERY (MODEL P/R/S)
CAM CHAIN
CAM SHAFT - VALVE
CANISTER (CALIFORNIA ONLY)
CARBURETOR (MODEL L/M)
CARBURETOR (MODEL N)
CARBURETOR (MODEL P/R/S)
CLUTCH
CRANK BALANCER
CRANKCASE (MODEL L/M/N)
CRANKCASE (MODEL P/R/S)
CRANKCASE COVER (MODEL L/M/N)
CRANKCASE COVER (MODEL P/R/S)
CRANKSHAFT (MODEL L/M/N)
CRANKSHAFT (MODEL P/R/S)
CYLINDER
CYLINDER HEAD
ELECTRICAL
FOOTREST
FRAME
FRAME COVER (MODEL L/M)
FRAME COVER (MODEL N/P/R)
FRAME COVER (MODEL S)
FRONT CALIPER
FRONT DAMPER
FRONT FENDER
FRONT MASTER CYLINDER
FRONT WHEEL
FUEL COCK
FUEL TANK (MODEL L/M)
FUEL TANK (MODEL N/P/R)
FUEL TANK (MODEL S)
GEAR SHIFTING
HANDLEBAR (MODEL L/M)
HANDLEBAR (MODEL N/P/R/S)
HEADLAMP
HEADLAMP COVER
KICK STARTER (MODEL L/M/N)
LEFT HANDLE SWITCH (MODEL L/M/N)
LEFT HANDLE SWITCH (MODEL P/R/S)
MAGNETO (MODEL L/M/N)
MAGNETO (MODEL P/R/S)
MUFFLER
OIL COOLER (OPTIONAL
OIL HOSE
OIL PUMP
REAR CALIPER (MODEL L/M)
REAR CALIPER (MODEL N/P)
REAR CALIPER (MODEL R/S)
REAR CUSHION LEVER
REAR FENDER
REAR MASTER CYLINDER
REAR SHOCK ABSORBER
REAR SWINGING ARM (MODEL L/M/N)
REAR SWINGING ARM (MODEL P)
REAR SWINGING ARM (MODEL R/S)
REAR WHEEL
RIGHT HANDLE SWITCH (MODEL L/M)
RIGHT HANDLE SWITCH (MODEL N/P/R/S)
SEAT
SPEEDOMETER
STAND - REAR BRAKE
STARTER CLUTCH (MODEL P/R/S)
STARTING MOTOR (MODEL P/R/S)
STEERING STEM
TAIL LAMP
TRANSMISSION
TURN SIGNAL LAMP
WIRING HARNESS (MODEL L/M/N)
WIRING HARNESS (MODEL P/R/S)
up