×
Buy Suzuki DR Parts Online
home
DR350 1995 (S)
* COLOR CHART *
0 products
* CATALOG PREFACE *
0 products
* CONVERSION CHART *
0 products
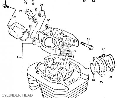
CYLINDER HEAD
53 products
CYLINDER
9 products
CRANKCASE
42 products
CRANKCASE COVER
60 products
CRANKSHAFT
28 products
CRANK BALANCER
13 products
CAM SHAFT - VALVE
33 products
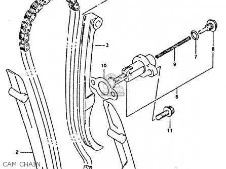
CAM CHAIN
16 products
CARBURETOR (MODE
64 products
AIR CLEANER
34 products
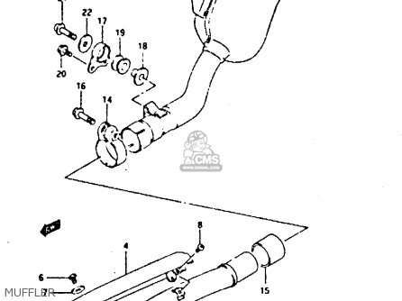
MUFFLER
38 products
OIL PUMP
28 products
OIL COOLER (OPTI
29 products
CLUTCH
24 products
TRANSMISSION (E.
51 products
GEAR SHIFTING
36 products
KICK STARTER
19 products
MAGNETO (MODEL P
13 products
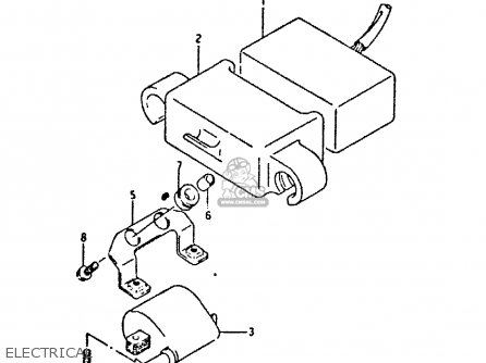
ELECTRICAL
23 products
TRIP METER
30 products
HEADLAMP
18 products
TAIL LAMP
10 products
WIRING HARNESS
15 products
FRAME
42 products
STAND - REAR BRA
23 products
FOOTREST
24 products
GRIP - CARRIER
15 products
FUEL TANK (MODEL
30 products
FUEL COCK
6 products
FRAME COVER (MOD
22 products
HEADLAMP COVER (
9 products
FRAONT FENDER
5 products
HANDLEBAR
20 products
RIGHT HANDLE LEV
17 products
LEFT HANDLE LEVE
28 products
REAR FENDER - LA
27 products
SEAT
17 products
FRONT FENDER (MO
31 products
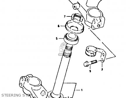
STEERING STEM
16 products
FRONT WHEEL
25 products
FRONT CALIPER (M
19 products
FRONT MASTER CYL
20 products
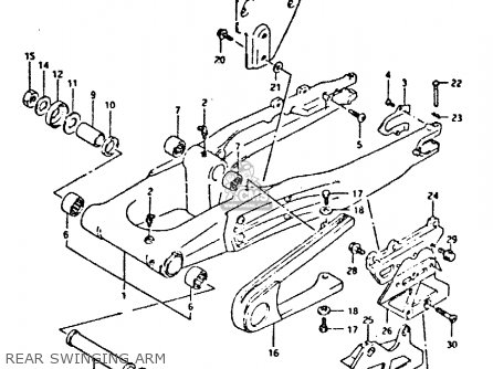
REAR SWINGING ARM
35 products
REAR SHOCK ABSORBER
22 products
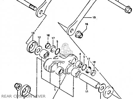
REAR CUSHION LEVER
23 products
REAR WHEEL (MODEL)
46 products
REAR CALIPER (MODELE
20 products
REAR MASTER CYLINDER
37 products
OPTIONAL
20 products
up
popular products
5114808D00
GASKET (NAS)
Suzuki
0948200463
PLUG,SPARK(U31ETR)
Suzuki
6473114D00
SPACER,RR HUB BEARING
Suzuki
5820014D00
CABLE ASSEMBLY,CLUTCH
Suzuki