×
Buy Suzuki DS Parts Online
home
DS80 1980 (T) USA (E03)
AIR CLEANER
8 products
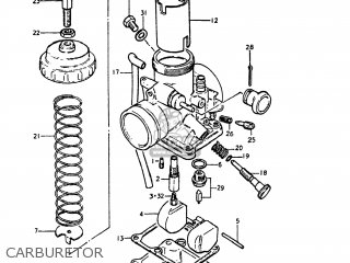
CARBURETOR
37 products
CLUTCH
22 products
CRANKCASE
16 products
CRANKCASE COVER
14 products
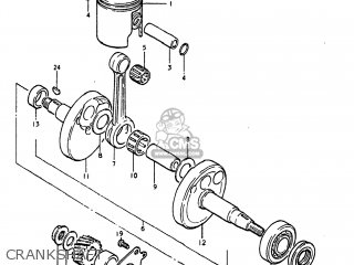
CRANKSHAFT
31 products
CYLINDER
21 products
ELECTRICAL
12 products
FRAME
7 products
FRAME COVER (DS80T)
10 products
FRAME COVER (DS80X
12 products
FRONT FORK
36 products
FRONT WHEEL
25 products
FUEL COCK
8 products
FUEL TANK
16 products
GEAR SHIFTING
34 products
HANDLEBAR - CONTROL CABLE
19 products
HEADLAMP
10 products
HEADLAMP HOUSING - FRONT FENDER
12 products
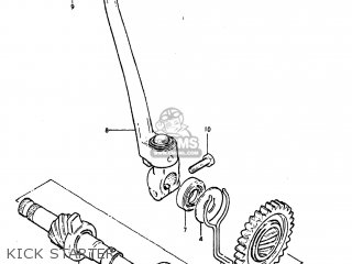
KICK STARTER
10 products
LEFT HANDLE SWITCH
9 products
MAGNETO
20 products
MUFFLER
24 products
OIL PUMP
24 products
OIL TANK
6 products
PROP STAND - BRAKE PEDAL
25 products
REAR FENDER
4 products
REAR SWINGING ARM
27 products
REAR WHEEL
33 products
RIGHT HANDLE SWITCH
17 products
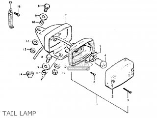
TAIL LAMP
18 products
TRANSMISSION
37 products
up
popular products
0944308017
SPRING
Suzuki
2751146700
SPROCKET,ENGINE
Suzuki
2751146000
SPROCKET,ENGINE(NT:13)
Suzuki
1326846010
SPRING
Suzuki