×
Buy Suzuki DS Parts Online
home
CRANKCASE
DS80 1980 (T) USA (E03)
Crankcase diagram DS80 1980 (T) USA (E03)
CRANKCASE DS80 1980 (T) USA (E03)
×
prices are in EUR
ref
part #
description
quantity
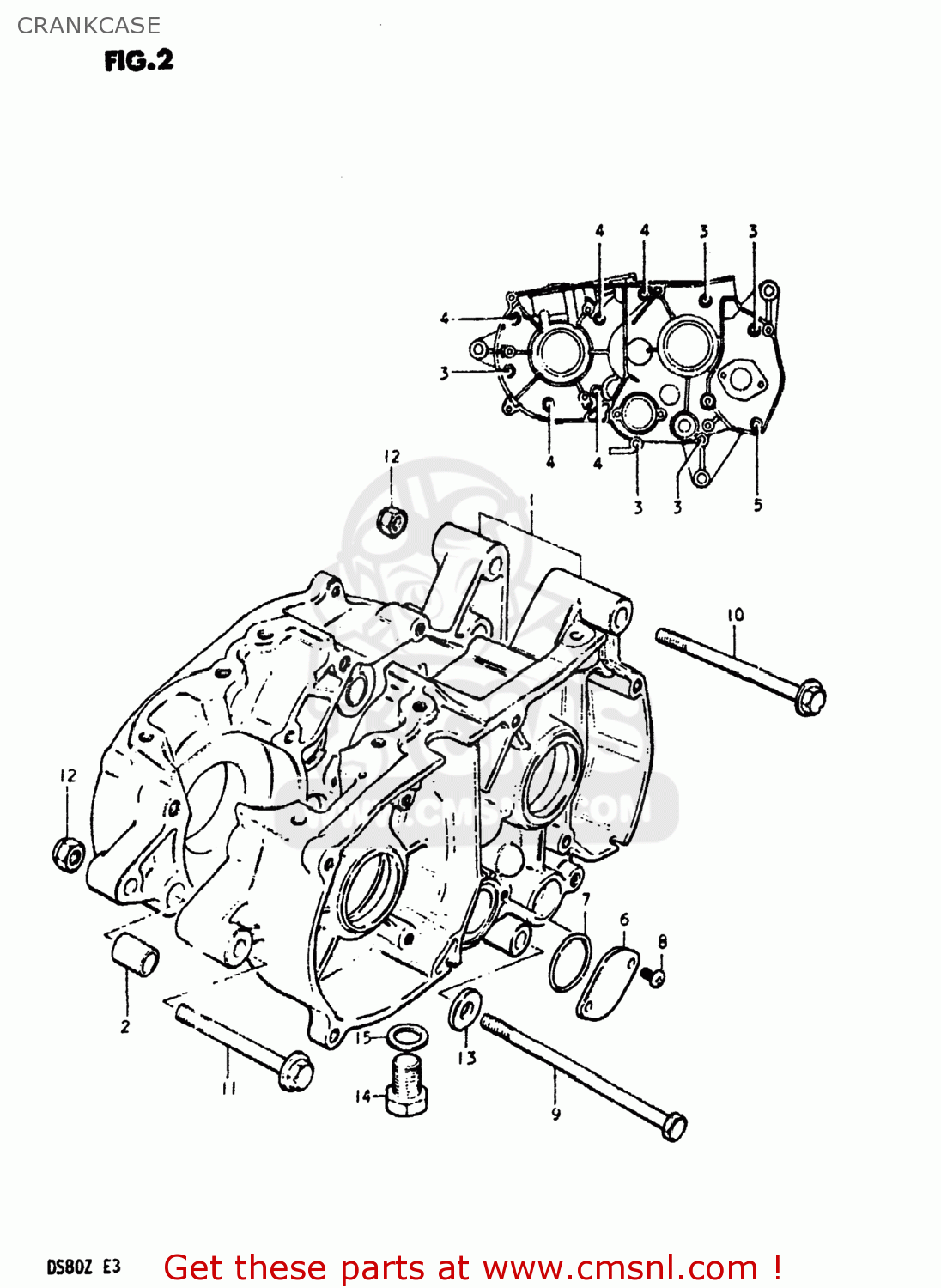
1-1
1130146820
ref: 1-1
11301-46821
CRANKCASE SET
€ 341.50
1-2
1130146821
ref: 1-2
CRANKCASE ASSEMBLY
€ 341.50
2
0421111189
ref: 2
PIN
€ 2.00
3
0211206458
ref: 3
02112-06457
SCREW (6X45)
€ 2.00
4
0211206358
ref: 4
02112-06357
SCREW (6X35)
€ 2.50
5
0211206258
ref: 5
02112-06257
SCREW
€ 2.50
6
1145146000
ref: 6
CAP,GEAR SHIFT CAM PIVOT
€ 3.00
7
0928026003
ref: 7
09280-26005
O-RING (D:2.4 ID:26.2)
€ 3.00
8
0211205088
ref: 8
02112-05087
SCREW
€ 2.00
9
0910008027
ref: 9
09116-08064
BOLT
€ 4.00
10
0910308009
ref: 10
09103-08070
BOLT
€ 6.00
11
0151708758
ref: 11
01550-08757
BOLT 8X75
€ 3.50
12
0831931088
ref: 12
08319-3108A
NUT
€ 3.00
13
0916008030
ref: 13
09160-08128
WASHER
€ 2.50
14
0110710208
ref: 14
01500-10203
BOLT 10X20
€ 4.00
15
0916810002
ref: 15
GASKET(10X14X3.6) (NAS)
€ 3.00
up
all assemblies
AIR CLEANER
CARBURETOR
CLUTCH
CRANKCASE
CRANKCASE COVER
CRANKSHAFT
CYLINDER
ELECTRICAL
FRAME
FRAME COVER (DS80T)
FRAME COVER (DS80X
FRONT FORK
FRONT WHEEL
FUEL COCK
FUEL TANK
GEAR SHIFTING
HANDLEBAR - CONTROL CABLE
HEADLAMP
HEADLAMP HOUSING - FRONT FENDER
KICK STARTER
LEFT HANDLE SWITCH
MAGNETO
MUFFLER
OIL PUMP
OIL TANK
PROP STAND - BRAKE PEDAL
REAR FENDER
REAR SWINGING ARM
REAR WHEEL
RIGHT HANDLE SWITCH
TAIL LAMP
TRANSMISSION
up