×
Buy Suzuki GN Parts Online
home
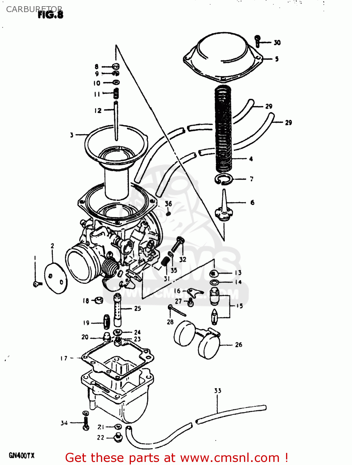
CARBURETOR
GN400XT 1980 (T) USA (E03)
Carburetor diagram GN400XT 1980 (T) USA (E03)
CARBURETOR GN400XT 1980 (T) USA (E03)
×
prices are in EUR
ref
part #
description
quantity
0
1320037300
ref: 0
CARBURETOR ASSEMBLY
€ 184.50
1
1360444080
ref: 1
SCREW
€ 4.00
2
1355137100
ref: 2
VALVE,THROTTLE (BUTTERFLY)
€ 0.00
3
1350037100
ref: 3
DIAPHRAGM
€ 188.00
4
1350337100
ref: 4
SPRING
€ 10.00
5
1350237100
ref: 5
COVER,DIAPHRAGM
€ 0.00
6
1338944030
ref: 6
HOLDER,GUIDE
€ 10.50
7
1358144030
ref: 7
E RING
€ 6.50
8
1338744030
ref: 8
RING
€ 5.50
9
1339431210
ref: 9
CLIP,NEEDLE
€ 4.00
10
1338244030
ref: 10
WASHER
€ 4.00
11
1338844030
ref: 11
SPRING
€ 6.50
12
1338337100
ref: 12
NEEDLE JET
€ 8.00
13
1337644080
ref: 13
13376-19F00
FILTER
€ 7.00
14
6626399050
ref: 14
13374-35C00
O RING
€ 6.00
15
1337037100
ref: 15
13370-05530
VALVE ASSEMBLY,NEEDLE
€ 68.50
16
1337339110
ref: 16
PLATE
€ 7.00
17
1325137100
ref: 17
13251-38300
GASKET,FLOAT CHAMBER (NAS)
€ 9.50
18
1325844080
ref: 18
GASKET (NAS)
€ 4.50
19
0949242007
ref: 19
JET,PILOT(42.5)
€ 8.50
20
1335744080
ref: 20
PLUG,NEEDLE JET
€ 5.00
21
1324644080
ref: 21
GASKET (NAS)
€ 4.00
22
1324744080
ref: 22
PLUG,DRAIN
€ 9.50
23
0949126012
ref: 23
JET,MAIN(132.5)
€ 12.50
24
1338203110
ref: 24
WASHER
€ 3.00
25
0949400299
ref: 25
JET,NEEDLE
€ 7.50
26
1325037100
ref: 26
FLOAT
€ 37.00
27
0211204068
ref: 27
02112-0406B
SCREW 4X6
€ 2.00
28
1325492311
ref: 28
PIN,FLOAT
€ 2.00
29
1368437100
ref: 29
44420-44AR0
HOSE
€ 14.00
30
0211205128
ref: 30
02112-05127
SCREW
€ 2.50
31
1327137100
ref: 31
13271-93011
SPRING
€ 4.50
32
1326737100
ref: 32
13267-25D00
SCREW,THROTTLE STOP
€ 10.00
33
1368347020
ref: 33
13683-45070
HOSE
€ 11.50
34
0211205168
ref: 34
02112-05167
SCREW
€ 2.50
35
1327737100
ref: 35
WASHER
€ 2.50
36
0949320006
ref: 36
JET
€ 11.50
up
all assemblies
AIR CLEANER
CAM CHAIN
CAM SHAFT - VALVE
CARBURETOR
CHAIN CASE - SHOCK ABSORBER
CLUTCH
CRANKCASE
CRANKCASE COVER
CRANKSHAFT
CYLINDER
CYLINDER HEAD
ELECTRICAL
FOOTREST
FRAME
FRAME COVER (GN400T
FRAME COVER (GN400TX
FRONT BRAKE HOSE
FRONT CARIPERS
FRONT FORK
FRONT WHEEL (GN400T
FRONT WHEEL (GN400XT
FUEL COCK
FUEL TANK (GN400T
FUEL TANK (GN400TX
GEAR SHIFTING
HANDLEBAR
HEADLAMP
HEADLAMP HOUSING - FRONT FENDER
KICK STARTER
LEFT HANDLE SWITCH
MAGNETO
MASTER CYLINDER (GN400T
MASTER CYLINDER (GN400XT
MUFFLER
OIL PUMP
REAR COMBINATION LAMP
REAR FENDER
REAR SWINGING ARM
REAR WHEEL (GN400T
REAR WHEEL (GN400XT
RIGHT HANDLE SWITCH
SEAT
SPEEDOMETER - TACHOMETER
STAND
STEERING STEM
TRANSMISSION
TURN SIGNAL LAMP
WIRING HARNESS
up