×
Buy Suzuki GS Parts Online
home
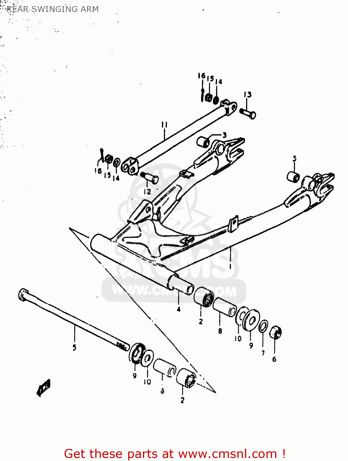
REAR SWINGING ARM
GS1000EN 1979 (N) USA (E03)
Rear swinging arm diagram GS1000EN 1979 (N) USA (E03)
REAR SWINGING ARM GS1000EN 1979 (N) USA (E03)
×
prices are in EUR
ref
part #
description
quantity
1
6110049810019
ref: 1
61100-49812-019
SWING ARM ASSEMBLY,REAR
€ 261.50
2
0926325024
ref: 2
BEARING(25X33X30)
€ 34.50
3
0931910008
ref: 3
BUSH
€ 10.50
4
6128249000
ref: 4
SPACER,RR SWGARM PIVOT CTR
€ 24.00
5
6121149000
ref: 5
61211-49301
SHAFT,REAR SWING ARM
€ 45.00
6
0831921168
ref: 6
08319-2116A
NUT 16MM
€ 5.00
7
0832211168
ref: 7
08322-01167
WASHER
€ 2.50
8
6125149000
ref: 8
SPACER,RR SWGARM PIVOT
€ 19.00
9
6126249000
ref: 9
COVER,RR SWGARM DUST SEAL
€ 18.50
10
0821116381
ref: 10
WASHER
€ 3.00
11
6431049000019
ref: 11
LINK,REAR TORQUE
€ 16.00
12
0911110011
ref: 12
09111-10022-XC0
BOLT
€ 8.00
13
0910110017
ref: 13
BOLT(10X39)
€ 5.00
14
0832211108
ref: 14
08322-01107
WASHER
€ 2.50
15
0831441108
ref: 15
08314-4010B
NUT
€ 3.00
16
0411120208
ref: 16
04111-2020A
PIN 20X20
€ 1.50
up
all assemblies
AIR CLEANER
BATTERY
CAM CHAIN
CAM SHAFT - VALVE
CARBURETOR (GS1000C
CARBURETOR (GS1000N
CHAIN CASE - SHOCK ABSORBER
CLUTCH
CONTACT BREAKER
CRANKCASE
CRANKCASE LH COVER
CRANKCASE RH COVER
CRANKSHAFT
CYLINDER
CYLINDER HEAD
CYLINDER HEAD COVER
ELECTRICAL
FOOTREST
FRAME
FRAME COVER (GS1000C
FRAME COVER (GS1000M
FRONT BRAKE HOSE (GS1000C
FRONT BRAKE HOSE (GS1000EC
FRONT CARIPERS (GS1000C
FRONT CARIPERS (GS1000EC
FRONT FORK (GS1000C
FRONT FORK (GS1000EC
FRONT MASTER CYLINDER (GS1000C
FRONT MASTER CYLINDER (GS1000EC
FRONT WHEEL (GS1000C
FRONT WHEEL (GS1000EC
FUEL COCK - FUEL GAUGE
FUEL TANK (GS1000C
FUEL TANK (GS1000N
GEAR SHIFTING
GENERATOR
HANDLEBAR - FRONT FENDER
HEADLAMP (GS1000C)
HEADLAMP (GS1000EC
LH HANDLE SWITCH (GS1000C
LH HANDLE SWITCH (GS1000N
MUFFLER
OIL PAN
OIL PUMP
REAR BRAKE HOSE
REAR CARIPERS
REAR COMBINATION LAMP
REAR FENDER
REAR MASTER CYLINDER
REAR SWINGING ARM
REAR WHEEL (GS1000C
REAR WHEEL (GS1000EC
RH HANDLE SWITCH
SEAT (GS1000C
SEAT (GS1000N
SPEEDOMETER - TACHOMETER
STAND
STARTER CLUTCH
STARTING MOTOR
STEERING STEM (GS1000C
STEERING STEM (GS1000N
TRANSMISSION
TURN SIGNAL LAMP
WIRING HARNESS (GS1000C
WIRING HARNESS (GS1000EC
up