Buy Suzuki GS Parts Online

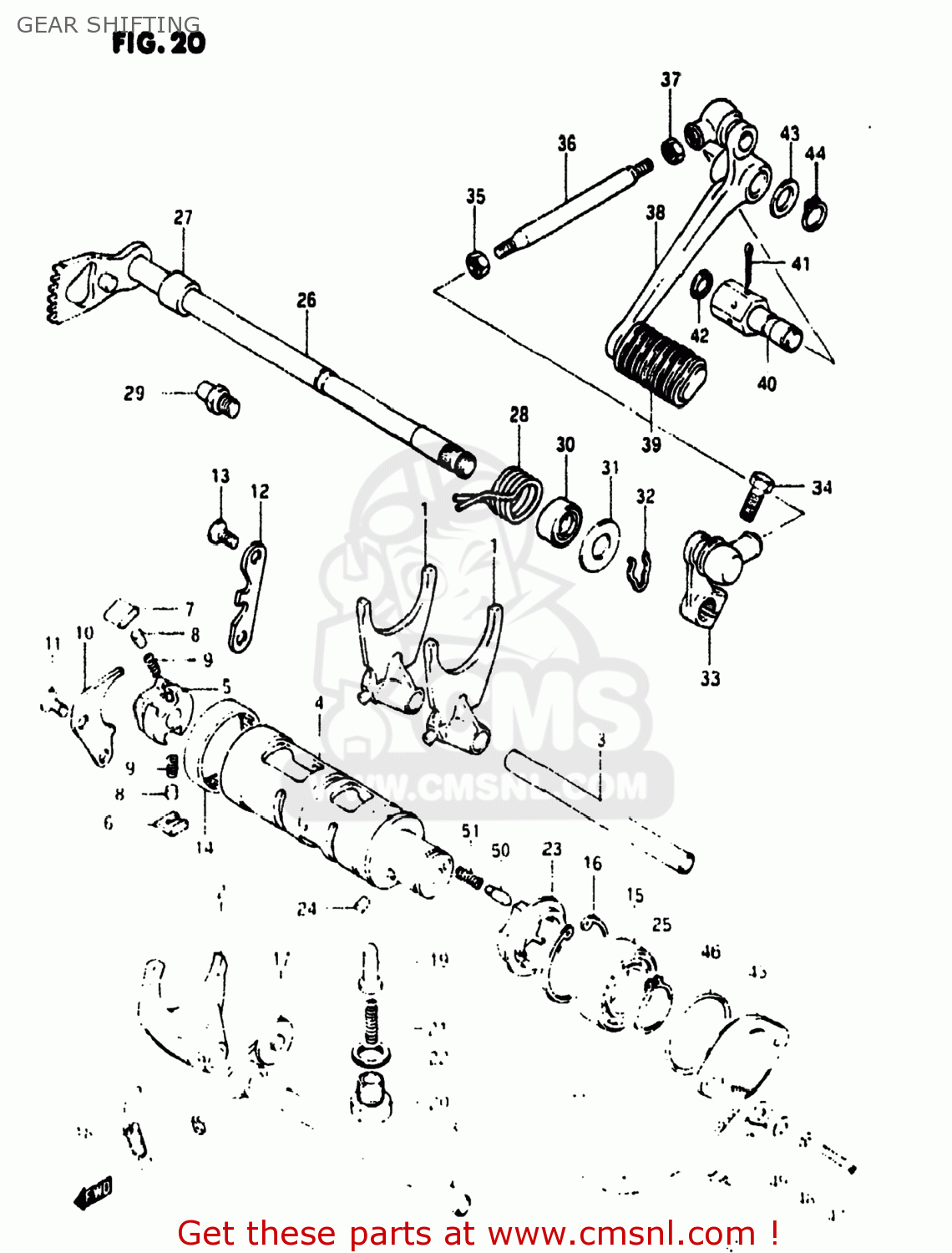
GEAR SHIFTING

GS1150ES3 1986 (G) USA (E03)

Gear shifting diagram GS1150ES3 1986 (G) USA (E03)

GEAR SHIFTING GS1150ES3 1986 (G) USA (E03)
GEAR SHIFTING GS1150ES3 1986 (G) USA (E03)
GEAR SHIFTING GS1150ES3 1986 (G) USA (E03)
prices are in EUR
ref
part #
description
quantity
1
2521149200
ref: 1
FORK,GEAR SHIFT NO.1
2521149200
€ 87.00

2
2523149201
ref: 2
FORK,GEAR SHIFT NO.2
2523149201
€ 106.00

3
2541133300
ref: 3

25411-33301
SHAFT,GEAR SHIFT FORK
€ 13.00

4
2531049200
ref: 4
CAM,GEAR SHIFT
€ 168.50

5
2532231301
ref: 5

25322-31310
GEAR,GEARSHIFT CAM DRIVE
2532231301
€ 14.50

6
2532334200
ref: 6

25323-34201
PAWL,GEAR SHIFT NO.1
€ 6.00

7
2532434200
ref: 7

25324-34201
PAWL,GEAR SHIFT NO.2
€ 6.00

8
0926105003
ref: 8
PIN(5X8)
0926105003
€ 1.50

9
0944004003
ref: 9
SPRING
0944004003
€ 1.50

10
2533149201
ref: 10
LIFTER,GEAR SHIFT POLE
2533149201
€ 43.50

11
0212206128
ref: 11

02122-06127
SCREW
0212206128
€ 3.00

12
2534118000
ref: 12
GUIDE,GEAR SHIFT CAM
2534118000
€ 51.50

13
0212206128
ref: 13

02122-06127
SCREW
0212206128
€ 3.00

14
0926343001
ref: 14
BEARING(43X49X12)
0926343001
€ 30.00

15
0811069050
ref: 15

08113-69050
BALL BEARING
0811069050
€ 36.00

16
0833141428
ref: 16

08331-4142A
CIRCLIP,42MM
€ 1.50

17
2535000A00
ref: 17
STOPPER,GEAR SHIFTING CAM
€ 0.00

18
0944308019
ref: 18
SPRING
0944308019
€ 2.50

19
2535130010
ref: 19
STOPPER,GEAR SHIFT CAM NO.2
2535130010
€ 6.50

20
2535430000
ref: 20
HOLDER,GEAR SHIFT CAM STOP SPR
2535430000
€ 6.50

21
0944006020
ref: 21
SPRING
0944006020
€ 14.00

22
0916814004
ref: 22
GASKET(14X19.2X2) (NAS)
0916814004
€ 2.50

23
2538149200
ref: 23
PLATE,GEAR SHIFT CAM STOPPER
2538149200
€ 19.00

24
0621104063
ref: 24

04221-04069
PIN 4X6
0621104063
€ 2.00

25
0833131258
ref: 25

08331-3125A
CIRCLIP,25MM
€ 2.00

26
2551000A00
ref: 26
SHAFT,GEAR SHIFT
2551000A00
€ 86.00

27
0918012068
ref: 27
SPACER(12X20X15.3)
0918012068
€ 3.00

28
0944426017
ref: 28
SPRING
0944426017
€ 5.00

29
2567101000
ref: 29

25671-01011
STOPPER,GEAR SHIFT CAM
2567101000
€ 3.00

30
0928512002
ref: 30

09285-12006
OIL SEAL
0928512002
€ 7.00

31
0916012020
ref: 31

09160-12089
WASHER (12.5X27X1.6)
0916012020
€ 2.00

32
0938412001
ref: 32

08331-3112A
SPRING,RETAINER
0938412001
€ 2.00

33
2552047020
ref: 33
ARM,GEAR SHIFT LINK
2552047020
€ 53.50

33
2552047020
ref: 33
ARM,GEAR SHIFT LINK
2552047020
€ 53.50

34
0110706208
ref: 34

01500-06207
BOLT
0110706208
€ 2.00

34
0110706208
ref: 34

01500-06207
BOLT
0110706208
€ 2.00

35
0831011067
ref: 35

08310-00067
NUT 6MM
€ 2.50

35
0831011067
ref: 35

08310-00067
NUT 6MM
€ 2.50

36-1
2552533400
ref: 36-1

25525-00A10
ROD,GEAR SHIFT LINK
2552533400
€ 12.00

36-1
2552533400
ref: 36-1

25525-00A10
ROD,GEAR SHIFT LINK
2552533400
€ 12.00

36-2
2552500A01
ref: 36-2

25525-00A10
ROD,GEAR SHIFT LINK
2552500A01
€ 12.00

36-2
2552500A01
ref: 36-2

25525-00A10
ROD,GEAR SHIFT LINK
2552500A01
€ 12.00

37
0914006011
ref: 37
NUT
0914006011
€ 1.50

37
0914006011
ref: 37
NUT
0914006011
€ 1.50

38
2560000A01
ref: 38
LEVER ASSEMBLY,GEAR SHIFTING
2560000A01
€ 69.50

38
2560000A01
ref: 38
LEVER ASSEMBLY,GEAR SHIFTING
2560000A01
€ 69.50

39
2565249300
ref: 39
RUBBER,PEDAL
2565249300
€ 5.50

39
2565249300
ref: 39
RUBBER,PEDAL
2565249300
€ 5.50

40
2561700A02
ref: 40
SHAFT,GEAR SHIFT LEVER
2561700A02
€ 7.00

40
2561700A02
ref: 40
SHAFT,GEAR SHIFT LEVER
2561700A02
€ 7.00

41
0411125258
ref: 41

04111-2530A
COTTER PIN
€ 1.50

41
0411125258
ref: 41

04111-2530A
COTTER PIN
€ 1.50

42
0916410005
ref: 42

09164-10010
WASHER
0916410005
€ 6.50

42
0916410005
ref: 42

09164-10010
WASHER
0916410005
€ 6.50

43
0916012011
ref: 43
WASHER(12.5X20X1)
0916012011
€ 1.50

43
0916012011
ref: 43
WASHER(12.5X20X1)
0916012011
€ 1.50

44
0833131128
ref: 44

08331-3112A
CIRCLIP
0833131128
€ 2.00

44
0833131128
ref: 44

08331-3112A
CIRCLIP
0833131128
€ 2.00

45
3772049211
ref: 45

37720-24A01
BASE ASSEMBLY,NEUTRAL SWITCH TERMINAL
€ 78.50

45
3772049211
ref: 45

37720-24A01
BASE ASSEMBLY,NEUTRAL SWITCH TERMINAL
€ 78.50

46
0928036001
ref: 46
O RING(D:2.4,ID:36.5)
0928036001
€ 4.50

46
0928036001
ref: 46
O RING(D:2.4,ID:36.5)
0928036001
€ 4.50

47
0912505102
ref: 47
SCREW(5X14)
0912505102
€ 2.50

47
0912505102
ref: 47
SCREW(5X14)
0912505102
€ 2.50

48
0832121057
ref: 48

08321-0105A
LOCK WASHER
0832121057
€ 2.00

48
0832121057
ref: 48

08321-0105A
LOCK WASHER
0832121057
€ 2.00

49
0832221057
ref: 49

08322-01057
WASHER
0832221057
€ 2.50

49
0832221057
ref: 49

08322-01057
WASHER
0832221057
€ 2.50

50
0920905011
ref: 50
PIN(5X15.5)
0920905011
€ 2.00

50
0920905011
ref: 50
PIN(5X15.5)
0920905011
€ 2.00

51
0944004010
ref: 51
SPRING
0944004010
€ 1.50

51
0944004010
ref: 51
SPRING
0944004010
€ 1.50

52
0940406401
ref: 52

09404-06432
CLAMP L:35
0940406401
€ 2.50

52
0940406401
ref: 52

09404-06432
CLAMP L:35
0940406401
€ 2.50

all assemblies