×
Buy Suzuki GS Parts Online
home
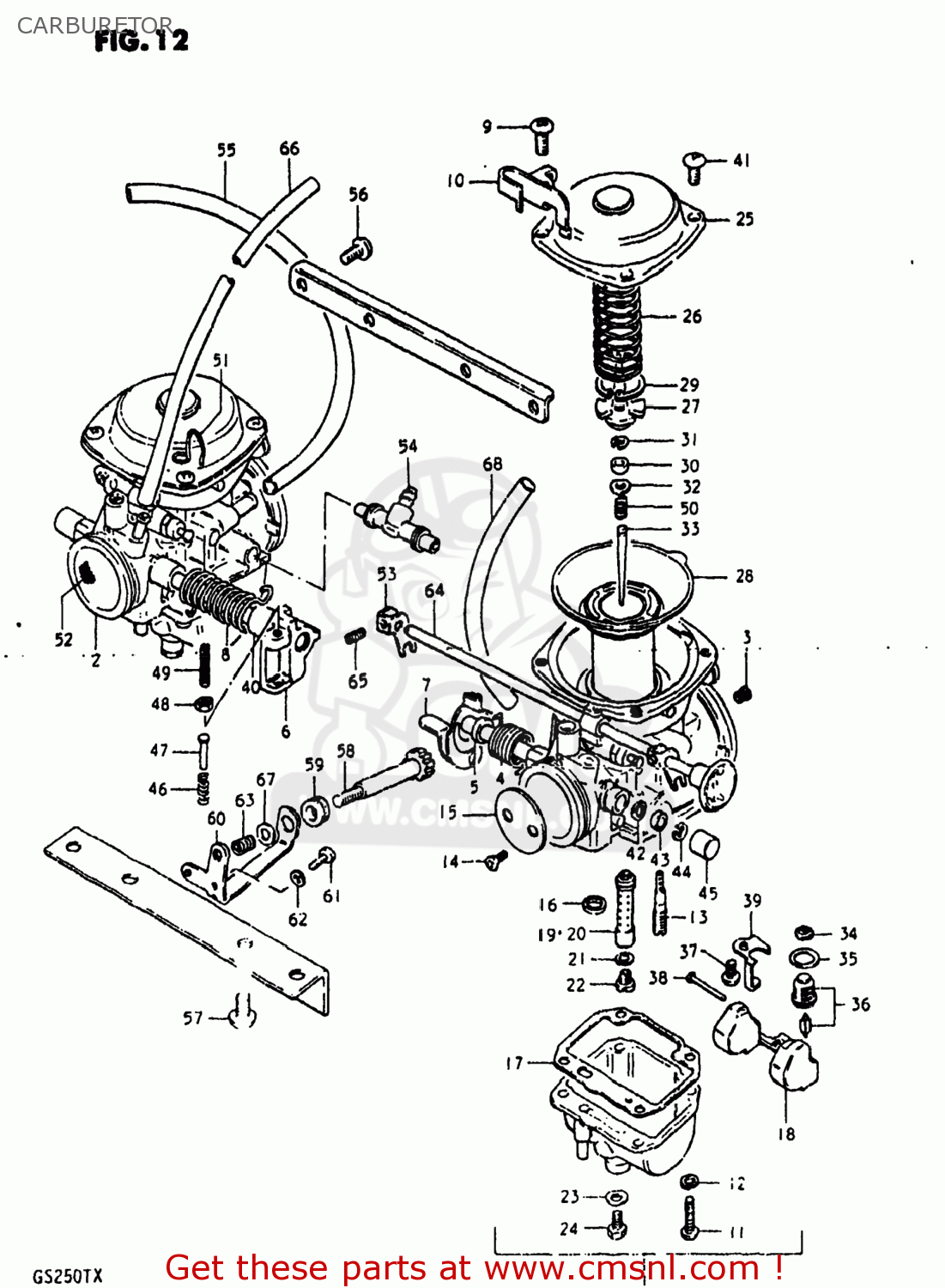
CARBURETOR
GS250T 1981 (X) USA (E03)
Carburetor diagram GS250T 1981 (X) USA (E03)
CARBURETOR GS250T 1981 (X) USA (E03)
×
prices are in EUR
ref
part #
description
quantity
0
1320011420
ref: 0
CARBURETOR ASSEMBLY
€ 246.50
1
1320111420
ref: 1
CARBURETOR ASSEMBLY
€ 202.50
2
1320211420
ref: 2
CARBURETOR ASSEMBLY,LEFT (BS
€ 195.50
3
0949127008
ref: 3
JET,MAIN(135)
€ 12.00
4
1357311400
ref: 4
SPRING
€ 0.00
5
1357445110
ref: 5
RING
€ 3.50
6
1355011420
ref: 6
SHAFT ASSEMBLY
€ 30.00
7
1355011430
ref: 7
SHAFT ASSEMBLY
€ 33.50
8
1357311410
ref: 8
SPRING
€ 0.00
9
0211205128
ref: 9
02112-05127
SCREW
€ 2.50
10
1362711400
ref: 10
BRACKET
€ 0.00
11
0211104188
ref: 11
02112-0420A
SCREW
€ 1.00
12
0832121048
ref: 12
08321-0104A
LOCK WASHER
€ 2.50
13
0949217009
ref: 13
JET,PILOT(17.5)
€ 10.50
14
1360444080
ref: 14
SCREW
€ 4.00
15
1355111420
ref: 15
VALVE,THROTTLE
€ 0.00
16
1325844080
ref: 16
GASKET (NAS)
€ 4.50
17
1325111400
ref: 17
GASKET,FLOAT CAHMBER (NAS)
€ 11.50
18
1325044080
ref: 18
FLOAT
€ 34.00
19
0949400300
ref: 19
JET,NEEDLE
€ 13.50
20
0949400301
ref: 20
JET,NEEDLE
€ 4.50
21
1333244080
ref: 21
13382-03110
WASHER,NEEDLE NOZZLE
€ 3.00
22
0949123011
ref: 22
JET,MAIN(115)
€ 10.50
23
1324644080
ref: 23
GASKET (NAS)
€ 4.00
24
1324744080
ref: 24
PLUG,DRAIN
€ 9.50
25
1350211400
ref: 25
COVER,DIAPHRAGM
€ 0.00
26
1350344080
ref: 26
SPRING
€ 11.50
27
1338944030
ref: 27
HOLDER,GUIDE
€ 10.50
28
1350011400
ref: 28
13500-11410
DIAPHRAGM ASSEMBLY
€ 202.50
29
1358144030
ref: 29
E RING
€ 6.50
30
1338744030
ref: 30
RING
€ 5.50
31
1339431210
ref: 31
CLIP,NEEDLE
€ 4.00
32
1338244030
ref: 32
WASHER
€ 4.00
33
1338311420
ref: 33
NEEDLE JET
€ 6.00
34
1337644080
ref: 34
13376-19F00
FILTER
€ 7.00
35
6626399050
ref: 35
13374-35C00
O RING
€ 6.00
36
1337011400
ref: 36
13370-44500
VALVE ASSEMBLY,NEEDLE
€ 44.00
37
0211104067
ref: 37
02112-0406B
SCREW
€ 2.00
38
1325492311
ref: 38
PIN,FLOAT
€ 2.00
39
1337311400
ref: 39
PLATE,NEEDLE VALVE FITING
€ 7.50
40
1357411400
ref: 40
RING,THROTTLE VALVE
€ 0.00
41
0211205088
ref: 41
02112-05087
SCREW
€ 2.00
42
1365151010
ref: 42
SEAL
€ 4.50
43
1355747070
ref: 43
GASKET,THROTTLE SHAFT (NAS)
€ 5.00
44
1361744080
ref: 44
E RING
€ 4.00
45
1357847070
ref: 45
CAP
€ 4.50
46
1326844010
ref: 46
SPRING,THROTTLE SCREW
€ 3.00
47
1357547070
ref: 47
PIN,THROTTLE LEVER
€ 2.50
48
1360747070
ref: 48
NUT
€ 4.50
49
1360547080
ref: 49
SCREW
€ 8.00
50
1338844030
ref: 50
SPRING
€ 6.50
51
1369211400
ref: 51
CLIP,HOSE
€ 0.00
52
1328111400
ref: 52
FILTER NET ASSEMBLY
€ 17.50
53
1342211400
ref: 53
LEVER
€ 0.00
54
1368511400
ref: 54
NIPPLE,CARBURETOR
€ 19.50
55
1368311400
ref: 55
44420-44AR0
HOSE
€ 14.00
56
0211205128
ref: 56
02112-05127
SCREW
€ 2.50
57
0211206168
ref: 57
02112-06167
SCREW
€ 2.50
58
1326711400
ref: 58
SCREW,THROTTLE STOP
€ 12.00
59
1368144110
ref: 59
BUSHING,THROTTLE ADJUSTER
€ 13.00
60
1362744110
ref: 60
BRACKET,THROTTLE ADJUST
€ 12.50
61
0211205088
ref: 61
02112-05087
SCREW
€ 2.00
62
0832121058
ref: 62
08321-0105A
LOCK WASHER
€ 2.00
63
1327193011
ref: 63
SPRING
€ 4.50
64
1341011400
ref: 64
SHAFT,STARTER
€ 36.00
65
1360547070
ref: 65
SCREW
€ 5.50
66
1368311410
ref: 66
09355-45855-600
HOSE
€ 14.00
67
1343247090
ref: 67
WASHER
€ 2.50
68
1368311420
ref: 68
44420-44AR0
HOSE
€ 14.00
up
all assemblies
AIR CLEANER
BATTERY
CAM CHAIN
CAM SHAFT - VALVE
CARBURETOR
CHAIN CASE - SHOCK ABSORBER
CLUTCH
CRANKCASE
CRANKCASE COVER
CRANKSHAFT
CRANKSHAFT BALANCER
CYLINDER
CYLINDER HEAD
CYLINDER HEAD COVER
ELECTRICAL
FOOTREST
FRAME
FRAME COVER (GS250TT)
FRAME COVER (GS250TX)
FRONT BRAKE HOSE
FRONT CARIPERS
FRONT FORK (GS250TT)
FRONT FORK (GS250TX)
FRONT WHEEL
FUEL COCK
FUEL TANK (GS250TT)
FUEL TANK (GS250TX)
GEAR SHIFTING
GENERATOR
HANDLEBAR
HEADLAMP
HEADLAMP HOUSING - FRONT FENDER
LEFT HANDLE SWITCH
MASTER CYLINDER
MUFFLER
OIL FILTER - OIL PUMP
REAR COMBINATION
REAR FENDER
REAR SWINGING ARM
REAR WHEEL
RIGHT HANDLE SWITCH
SEAT
SIGNAL GENERATOR
SPEEDOMETER - TACHOMETER
STAND - REAR BRAKE
STARTER CLUTCH
STARTING MOTOR
STEERING STEM
TRANSMISSION
TURN SIGNAL LAMP
WIRING HARNESS
up