×
Buy Suzuki GS Parts Online
home
GS425 1979 (N) GENERAL EXPORT (E01)
* COLOR CHART *
0 products
* CATALOG PREFACE *
0 products
* CONVERSION CHART *
0 products
CYLINDER HEAD COVER
11 products
CYLINDER HEAD
29 products
CYLINDER
6 products
CRANKCASE
30 products
CRANKCASE RH COVER
13 products
CRANKCASE LH COVER
21 products
CRANKSHAFT
30 products
CRANKSHAFT BALANCER
15 products
STARTER CLUTCH
11 products
CAM SHAFT - VALVE
36 products
CAM CHAIN
26 products
CARBURETOR
47 products
AIR CLEANER
29 products
MUFFLER
15 products
OIL PUMP
21 products
CLUTCH
28 products
TRANSMISSION
38 products
GEAR SHIFTING
37 products
KICK STARTER
21 products
STARTING MOTOR
17 products
GENERATOR
12 products
CONTACT BRAKER
12 products
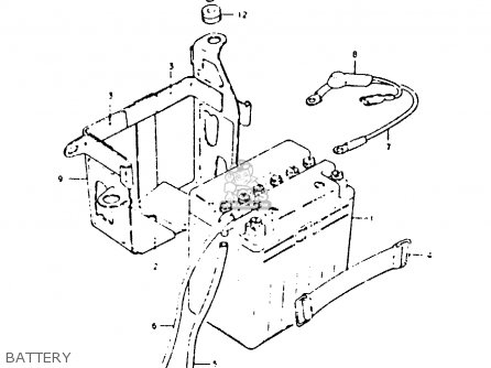
BATTERY
13 products
SPEEDOMETER - TACHOMETER
37 products
HEADLAMP
19 products
TURN SIGNAL LAMP
25 products
REAR COMBINATION LAMP
11 products
ELECTRICAL
15 products
WIRING HARNESS
16 products
FRAME
13 products
STAND - REAR BRAKE
27 products
FOOTREST
17 products
FUEL TANK
32 products
FUEL COCK
8 products
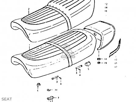
SEAT
24 products
FRAME COVER
18 products
FRONT FORK
26 products
STEERING STEM
27 products
FRONT WHEEL (GS425EN)
18 products
HANDLEBAR - FRONT FENDER
16 products
HANDLE SWITCH
28 products
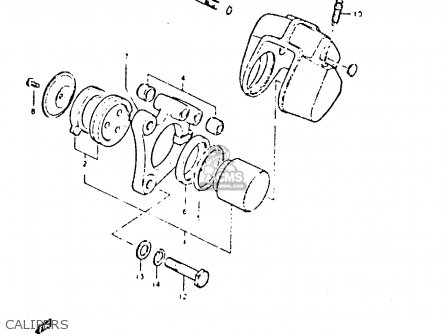
CALIPERS
15 products
MASTER CYLINDER
10 products
BRAKE HOSE
12 products
REAR SWINGING ARM
18 products
CHAIN CASE - SHOCK ABSORBER
12 products
REAR FENDER
31 products
REAR WHEEL (GS425EN)
34 products
OPTIONAL
12 products
OPTIONAL
19 products
FOR SPECIAL MARKET (E2)
12 products
FOR SPECIAL MARKET (E2)
18 products
FOR SPECIAL MARKET (E2)
25 products
FOR SPECIAL MARKET (E2)
16 products
up
popular products
1289245017
SHIM,TAPPET
Suzuki
1421144010
PIPE,EXHAUST COUPLER
Suzuki
6451144000
SPROCKET,RR
Suzuki
1289245010
SHIM,TAPPET
Suzuki