×
Buy Suzuki GS Parts Online
home
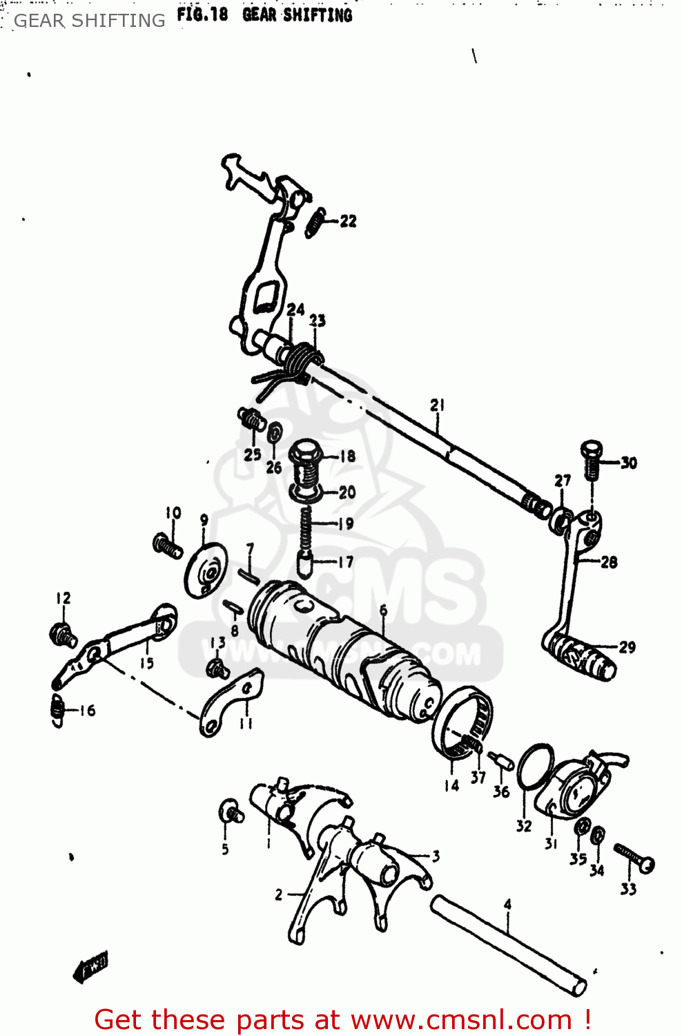
GEAR SHIFTING
GS425 1979 (N) USA (E03)
Gear shifting diagram GS425 1979 (N) USA (E03)
GEAR SHIFTING GS425 1979 (N) USA (E03)
×
prices are in EUR
ref
part #
description
quantity
1
2521144001
ref: 1
FORK,GEAR SHIFT NO.1
€ 70.00
2
2522144001
ref: 2
FORK,GEAR SHIFT NO.2
€ 74.50
3
2523144000
ref: 3
FORK,GEAR SHIFT NO.2
€ 74.50
4
2541131000
ref: 4
25411-18900
SHAFT,GEAR SHIFT FORK
€ 14.50
5
0214206108
ref: 5
02142-06107
SCREW
€ 2.00
6
2531144000
ref: 6
CAM,GEAR SHIFT
€ 0.00
7
0926104001
ref: 7
PIN(4X18.5)
€ 1.50
8
0920904013
ref: 8
PIN
€ 5.00
9
2532244000
ref: 9
RETAINER,GEAR SHIFT CAM DR PIN
€ 2.50
10
0211206168
ref: 10
02112-06167
SCREW
€ 2.50
11
2534144000
ref: 11
25341-33300
GUIDE,GEAR SHIFTING CABLE
€ 6.00
12
0911106019
ref: 12
09111-06054
BOLT
€ 1.50
13
0110706128
ref: 13
01500-06127
BOLT
€ 2.00
14
0926340001
ref: 14
BEARING(40X47X12)
€ 21.00
15
2535044000
ref: 15
STOPPER,GEAR SHIFT CAM NO.1
€ 10.50
16
0944309007
ref: 16
SPRING
€ 14.50
17
2535118000
ref: 17
25351-39300
STOPPER,GEAR SHIFTING
€ 5.00
18
2535211000
ref: 18
25352-11010
BOLT,GEAR SHAFT CAM STOPPER
€ 4.50
19
0944005018
ref: 19
SPRING
€ 14.00
20
0916814004
ref: 20
GASKET(14X19.2X2) (NAS)
€ 2.50
21
2551044000
ref: 21
SHAFT,GEAR SHIFT
€ 56.50
22
0944307013
ref: 22
SPRING
€ 2.50
23
0944426012
ref: 23
09444-26013
SPRING
€ 3.50
24
0918012068
ref: 24
SPACER(12X20X15.3)
€ 3.00
25
2567101000
ref: 25
25671-01011
STOPPER,GEAR SHIFT CAM
€ 3.00
26
0916208005
ref: 26
08321-01087
WASHER
€ 2.00
27
0928512002
ref: 27
09285-12006
OIL SEAL
€ 7.00
28
2560044000
ref: 28
LEVER ASSY,GEAR SHIFT
€ 136.00
29
2565216500
ref: 29
RUBBER,GEAR SHIFT PEDAL
€ 4.00
30
0110708208
ref: 30
01500-08207
BOLT
€ 3.00
31
3772045011
ref: 31
37720-45100
BASE ASSEMBLY,NEUTRAL SWITCH TERMINAL
€ 92.50
32
0928026003
ref: 32
09280-26005
O-RING (D:2.4 ID:26.2)
€ 2.50
33
0211205208
ref: 33
02112-05207
SCREW 5X20
€ 3.00
34
0832121058
ref: 34
08321-0105A
LOCK WASHER
€ 2.00
35
0832221058
ref: 35
08322-01057
WASHER
€ 2.50
36
0920905011
ref: 36
PIN(5X15.5)
€ 2.00
37
0944004010
ref: 37
SPRING
€ 1.50
up
all assemblies
AIR CLEANER
BATTERY
BRAKE HOSE
CALIPERS
CAM CHAIN
CAM SHAFT - VALVE
CARBURETOR
CHAIN CASE - SHOCK ABSORBER
CLUTCH
CONTACT BRAKER
CRANKCASE
CRANKCASE LH COVER
CRANKCASE RH COVER
CRANKSHAFT
CRANKSHAFT BALANCER
CYLINDER
CYLINDER HEAD
CYLINDER HEAD COVER
ELECTRICAL
FOOTREST
FRAME
FRAME COVER
FRONT FORK
FRONT WHEEL (GS425EN)
FRONT WHEEL (GS425N)
FUEL COCK
FUEL TANK
GEAR SHIFTING
GENERATOR
HANDLEBAR - FRONT FENDER
HEADLAMP
KICK STARTER
LH HANDLE SWITCH
MASTER CYLINDER
MUFFLER
OIL PUMP
REAR COMBINATION LAMP
REAR FENDER
REAR SWINGING ARM
REAR WHEEL (GS425EN)
REAR WHEEL (GS425N)
RH HANDLE SWITCH
SEAT
SPEEDOMETER - TACHOMETER
STAND - REAR BRAKE
STARTER CLUTCH
STARTING MOTOR
STEERING STEM
TRANSMISSION
TURN SIGNAL LAMP
WIRING HARNESS
up