×
Buy Suzuki GS Parts Online
home
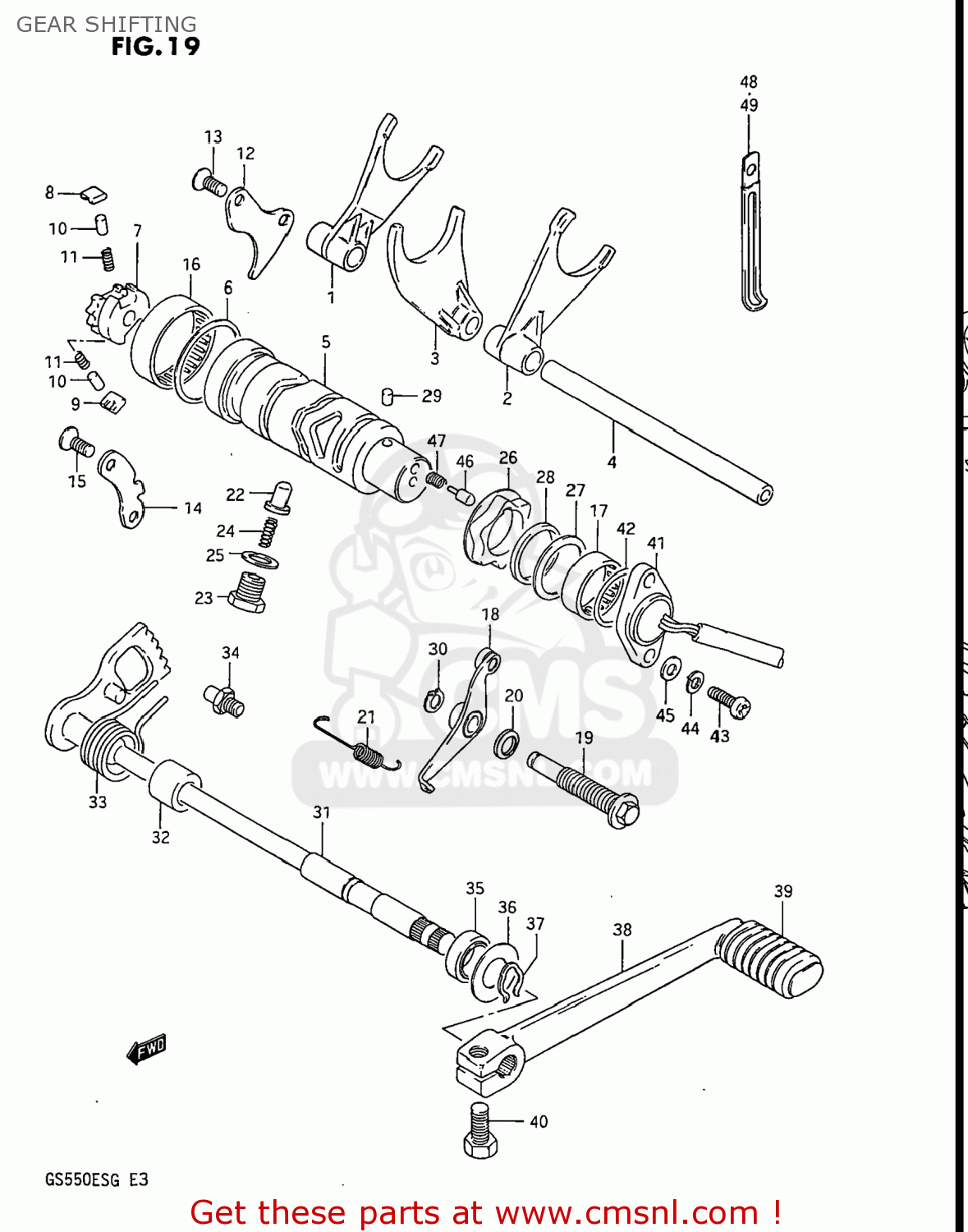
GEAR SHIFTING
GS550EF 1983 (D) USA (E03)
Gear shifting diagram GS550EF 1983 (D) USA (E03)
GEAR SHIFTING GS550EF 1983 (D) USA (E03)
×
prices are in EUR
ref
part #
description
quantity
1
2521143400
ref: 1
25211-43401
FORK,GEAR SHIFT NO.1
€ 35.50
2
2522143400
ref: 2
25221-43401
FORK,GEAR SHIFT NO.2
€ 65.50
3
2523143400
ref: 3
25231-43401
FORK,GEAR SHIFT NO.3
€ 22.00
4
2541115501
ref: 4
25411-15510
SHAFT,GEAR SHIFT FORK
€ 16.50
5
2531043400
ref: 5
CAM,GEAR SHIFT
€ 122.50
6
0916040006
ref: 6
WASHER (40X49X1)
€ 1.50
7
2532231301
ref: 7
25322-31310
GEAR,GEARSHIFT CAM DRIVE
€ 15.50
8
2532334200
ref: 8
25323-34201
PAWL,GEAR SHIFT NO.1
€ 7.00
9
2532434200
ref: 9
25324-34201
PAWL,GEAR SHIFT NO.2
€ 7.00
10
0926105003
ref: 10
PIN(5X8)
€ 2.00
11
0944004003
ref: 11
SPRING
€ 2.00
12
2533115500
ref: 12
25331-15501
LIFTER,GEAR SHIFT PAWL
€ 3.00
13
0212206128
ref: 13
02122-06127
SCREW
€ 3.50
14
2534143400
ref: 14
GUIDE,GEAR SHIFT CAM
€ 4.50
15
0212206128
ref: 15
02122-06127
SCREW
€ 3.50
16
0926343001
ref: 16
BEARING(43X49X12)
€ 32.50
17
0926325018
ref: 17
BEARING(25X32X12)
€ 19.00
18
2535043400
ref: 18
STOPPER,GEAR SHIFTING
€ 11.50
19
2535343400
ref: 19
HOLDER,SHIFTING CAM STOPPER
€ 0.00
20
0916810002
ref: 20
GASKET(10X14X3.6) (NAS)
€ 3.00
21
0944308032
ref: 21
SPRING
€ 2.50
22
2535131302
ref: 22
25351-30010
STOPPER,GEAR SHIFTING
€ 7.00
23
2535430000
ref: 23
HOLDER,GEAR SHIFT CAM STOP SPR
€ 7.00
24
0944006027
ref: 24
SPRING
€ 3.00
25
0916814004
ref: 25
GASKET(14X19.2X2) (NAS)
€ 2.50
26
2538104700
ref: 26
PLATE,GEAR SHIFT CAM STOPPER
€ 11.00
27
0821125321
ref: 27
WASHER
€ 3.50
28
0821225305
ref: 28
WASHER
€ 0.00
29
0621104063
ref: 29
04221-04069
PIN 4X6
€ 2.00
30
0833131086
ref: 30
08331-3108A
CIRCLIP
€ 2.00
31
2551043400
ref: 31
25510-434V0
SHAFT,GEAR SHIFT
€ 66.50
32
0918012068
ref: 32
SPACER(12X20X15.3)
€ 3.50
33
0944426013
ref: 33
SPRING
€ 4.00
34
2567101000
ref: 34
25671-01011
STOPPER,GEAR SHIFT CAM
€ 3.50
35
0928512002
ref: 35
09285-12006
OIL SEAL
€ 7.00
36
0916012020
ref: 36
09160-12089
WASHER (12.5X27X1.6)
€ 2.00
37
0938412001
ref: 37
08331-3112A
SPRING,RETAINER
€ 2.00
38
2560043402
ref: 38
25600-45130
LEVER ASSEMBLY,GEAR SHIFTING
€ 52.50
39
2565249300
ref: 39
RUBBER,PEDAL
€ 6.00
40
0110708208
ref: 40
01500-08207
BOLT
€ 3.50
41
3772043400
ref: 41
TERMINAL BASE ASSY,GEAR SHIFT
€ 59.00
42
0928026003
ref: 42
09280-26005
O-RING (D:2.4 ID:26.2)
€ 3.00
43
0912505102
ref: 43
SCREW(5X14)
€ 2.50
44
0832121057
ref: 44
08321-0105A
LOCK WASHER
€ 2.00
45
0832221058
ref: 45
08322-01057
WASHER
€ 2.50
46
0920905011
ref: 46
PIN(5X15.5)
€ 2.00
47
0944004010
ref: 47
SPRING
€ 2.00
48
0940406401
ref: 48
09404-06432
CLAMP L:35
€ 3.00
49
0940406415
ref: 49
09404-06433
CLAMP
€ 3.50
up
all assemblies
AIR CLEANER
BATTERY
CAM CHAIN
CAM SHAFT - VALVE
CANISTER (FOR MODEL F OF CALIFORNIA)
CANISTER (FOR MODEL G OF CALIFORNIA)
CARBURETOR
CARBURETOR (FOR CALIFORNIA)
CLUTCH
COWLING (GS550ES3/ESE)
COWLING (MODEL F)
COWLING (MODEL G)
CRANKCASE
CRANKCASE COVER
CRANKSHAFT
CUSHION LEVER
CYLINDER
CYLINDER HEAD
CYLINDER HEAD COVER
ELECTRICAL
FOOTREST
FRAME
FRAME COVER (GS550EF/EG)
FRAME COVER (GS550ES3/ESE)
FRAME COVER (GS550ESF/ESG)
FRONT BRAKE HOSE (GS550ES3/ESE)
FRONT BRAKE HOSE (MODEL F/G)
FRONT CALIPERS
FRONT DAMPER (GS550ES3/ESE)
FRONT DAMPER (MODEL F/G)
FRONT FENDER (GS550ES3/ESE/ESF/ESG)
FRONT MASTER CYLINDER
FRONT WHEEL
FUEL COCK
FUEL TANK (GS550EF/EG)
FUEL TANK (GS550ES3/ESE)
FUEL TANK (GS550ESF/ESG)
GEAR SHIFTING
GENERATOR
HANDLE BAR (GS550EF/EG)
HANDLEBAR (GS550ES3/ESE/ESF/ESG)
HEADLAMP (GS550EF/EG)
HEADLAMP (GS550ES3/ESE/ESF/ESG)
HEADLAMP COVER - FRONT FENDER (GS550EF/EG)
LEFT HANDLE SWITCH (GS550EF/EG)
LEFT HANDLE SWITCH (GS550ES3/ESE/ESF/ESG)
MUFFLER (GS550ES3/ESE)
MUFFLER (MODEL F/G)
OIL COOLER
OIL PUMP - OIL FILTER
REAR CALIPERS
REAR COMBINATION LAMP
REAR FENDER
REAR MASTER CYLINDER
REAR SHOCK ABSORBER
REAR SWINGING ARM
REAR WHEEL
RIGHT HANDLE SWITCH
SEAT (GS550ES3/ESE)
SEAT (MODEL F/G)
SEAT TAIL COVER (GS550ES3/ESE)
SEAT TAIL COVER (GS550ESF/EF)
SEAT TAIL COVER (GS550ESG/EG)
SIGNAL GENERATOR
SPEEDOMETER - TACHOMETER (GS550EF/EG)
SPEEDOMETER - TACHOMETER (GS550ES3/ESE/ESF/ESG)
STAND
STARTER CLUTCH
STARTING MOTOR
STEERING STEM (GS550EF/EG)
STEERING STEM (GS550ES3/ESE)
STEERING STEM (GS550ESF/ESG)
TRANSMISSION
TURN SIGNAL LAMP
WIRING HARNESS
up