×
Buy Suzuki GSXR Parts Online
home
GSXR1100W 1993 (P) (E01 E02 E04 E15 E17 18 21 22 24 25 34 39 53)
* COLOR CHART *
0 products
* COLOR CHART *
0 products
* CATALOG PREFACE *
0 products
* CATALOG PREFACE *
0 products
* CONVERSION CHART *
0 products
CYLINDER HEAD COVER
14 products
CYLINDER HEAD (MODEL S/T/V)
41 products
CYLINDER
19 products
CRANKCASKE
85 products
CRANKCASE COVER
31 products
OIL PAN - OIL PUMP
41 products
CRANKSHAFT
38 products
STARTER CLUTCH
12 products
CAM SHAFT - VALVE
44 products
CAM CHAIN
23 products
CARBURETOR (MODEL T/V)
105 products
CARBURETOR FITTINGS
28 products
AIR CLEANER
34 products
MUFFLER (MODEL S/T/V)
30 products
OIL COOLER
28 products
WATER PUMP
29 products
RADIATOR
26 products
SECOND AIR (E18,E39)
47 products
CLUTCH (MODEL (S/T/V)
40 products
TRANSMISSION
62 products
GEAR SHIFTING (MODEL T/V)
58 products
STARTING MOTOR
25 products
ALTERNATOR (MODEL S/T/V)
39 products
SIGNAL GENERATOR
17 products
BATTERY (MODEL T/V)
11 products
ELECTRICAL
24 products
SPEEDOMETER (MODEL T/V)
51 products
HEADLAMP (MODEL T/V)
33 products
TURNSIGNAL LAMP (MODEL T/V)
22 products
TAIL LAMP (MODEL T/V)
35 products
WIRING HARNESS (MODEL S/T/V)
37 products
HANDLE SWITCH
11 products
FRAME
60 products
STAND
27 products
FOOTREST (MODEL S/T/V)
45 products
FUEL TANK (MODEL V)
34 products
FUEL COCK (MODEL T/V)
16 products
FRAME COVER (MODEL V)
59 products
FRONT FENDER (MODEL S/T/V)
22 products
HANDLEBAR (MODEL S/T/V)
24 products
HANDLE LEVER
21 products
REAR FENDER (MODEL T/V)
37 products
COWLING BODY (MODEL R 33J,C3S)
33 products
INSTALLATION PARTS (MODEL P/R)
61 products
COWLING BODY (MODEL V)
39 products
INSTALLATION PARTS
43 products
LABEL (MODEL T/V)
21 products
SEAT (MODEL S/T/V)
45 products
FRONT DAMPER (MODEL S/T/V)
23 products
STEERING STEM
16 products
STEERING DAMPER
13 products
FRONT WHEEL (MODEL S/T/V)
21 products
FRONT CALIPERS (MODEL S/T/V)
16 products
FRONT BRAKE HOSE (MODEL S/T/V)
18 products
FRONT MASTER CYLINDER (MODEL S/T/V)
9 products
CLUTCH CYLINDER (MODEL S/T/V)
17 products
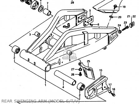
REAR SWINGING ARM (MODEL S/T/V)
33 products
REAR CUSHION LEVER (MODEL S/T/V)
25 products
REAR WHEEL MODEL S/T/V
35 products
REAR CALIPER (SEE (NOTE)
17 products
REAR MASTER CYLINDER (MODEL S/T/V)
33 products
OPTIONAL
22 products
up
popular products
0918128195
SHIM(28X38X1)
Suzuki