Buy Suzuki GSXR Parts Online

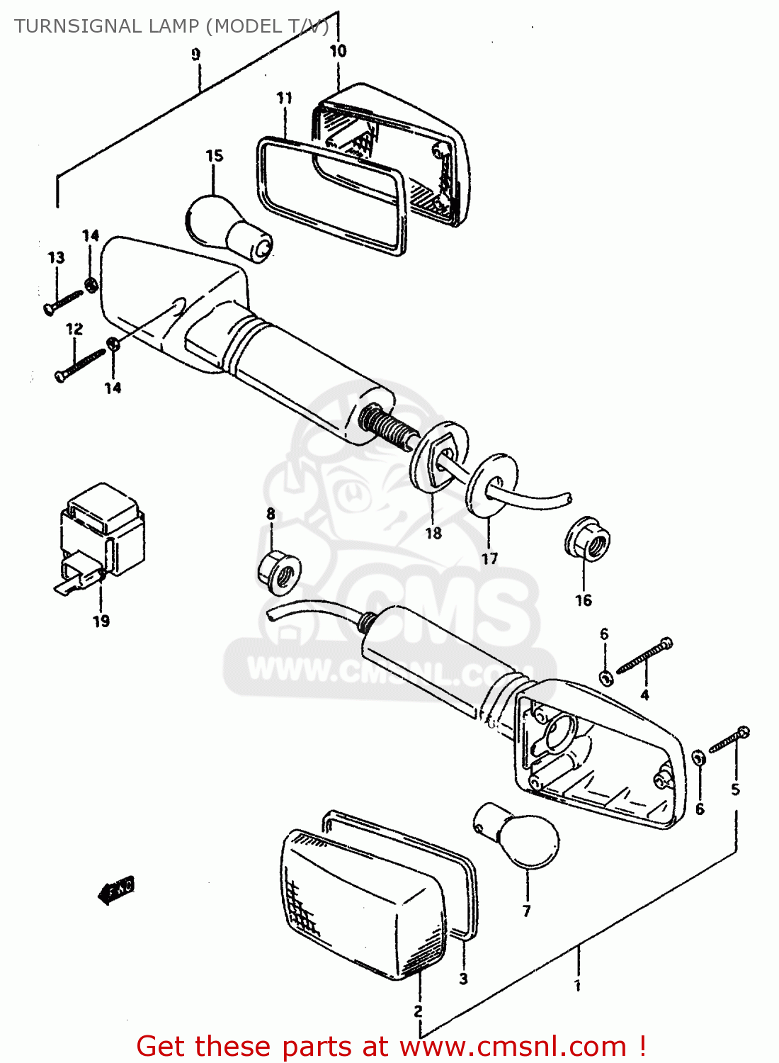
TURNSIGNAL LAMP (MODEL T/V)

GSXR1100W 1993 (P) (E01 E02 E04 E15 E17 18 21 22 24 25 34 39 53)

Turnsignal lamp (model t/v) diagram GSXR1100W 1993 (P) (E01 E02 E04 E15 E17 18 21 22 24 25 34 39 53)

TURNSIGNAL LAMP (MODEL T/V) GSXR1100W 1993 (P) (E01 E02 E04 E15 E17 18 21 22 24 25 34 39 53)
TURNSIGNAL LAMP (MODEL T/V) GSXR1100W 1993 (P) (E01 E02 E04 E15 E17 18 21 22 24 25 34 39 53)
TURNSIGNAL LAMP (MODEL T/V) GSXR1100W 1993 (P) (E01 E02 E04 E15 E17 18 21 22 24 25 34 39 53)
prices are in EUR
ref
part #
description
quantity
1-1
3560129E30
ref: 1-1
LAMP ASSY,FR TURN SIGNAL
3560129E30
€ 62.50

1-2
3560129EC0
ref: 1-2

E18,E22,E39
LAMP ASSY,FR TURN SIGNAL
3560129EC0
€ 82.50

2
3561217C20
ref: 2
LENS
3561217C20
€ 7.00

3
3561327A00
ref: 3
GASKET (NAS)
3561327A00
€ 3.50

4
3562327A00
ref: 4
SCREW(3X30)
3562327A00
€ 1.50

5
3572540511
ref: 5
SCREW
3572540511
€ 1.50

6
3562727A02
ref: 6
GASKET (NAS)
3562727A02
€ 1.50

7
0947112045
ref: 7
BULB(12V21W)
0947112045
€ 5.00

8
0831000103
ref: 8
NUT
0831000103
€ 2.00

9
3560321E30
ref: 9
LAMP ASSY,RR TURNSIGNAL
3560321E30
€ 115.00

10
3565217C20
ref: 10
LENS
3565217C20
€ 7.00

11
3561327A00
ref: 11
GASKET (NAS)
3561327A00
€ 3.50

12
3562327A00
ref: 12
SCREW(3X30)
3562327A00
€ 1.50

13
3572540511
ref: 13
SCREW
3572540511
€ 1.50

14
3562727A02
ref: 14
GASKET (NAS)
3562727A02
€ 1.50

15
0947112045
ref: 15
BULB(12V21W)
0947112045
€ 5.00

16
0831000103
ref: 16
NUT
0831000103
€ 2.00

17
0916010501
ref: 17
WASHER(10.5X30X2.3)
0916010501
€ 2.50

18
3569517C00
ref: 18
SPACER,RR TURNSIGNAL
3569517C00
€ 3.50

19
3861045D01
ref: 19
RELAY ASSY,TURNSIGNAL LAMP
3861045D01
€ 74.50

19
3861045D01
ref: 19
RELAY ASSY,TURNSIGNAL LAMP
3861045D01
€ 74.50

20
3861045D01
ref: 20
RELAY ASSY,TURNSIGNAL LAMP
3861045D01
€ 74.50