×
Buy Suzuki GT Parts Online
home
GT250 1973 1974 1975 1976 1977 (K) (L) (M) (A) (B) USA (E03)
CYLINDER (GT250K
18 products
CYLINDER (GT250A
14 products
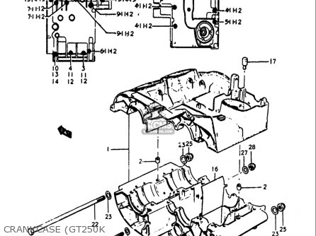
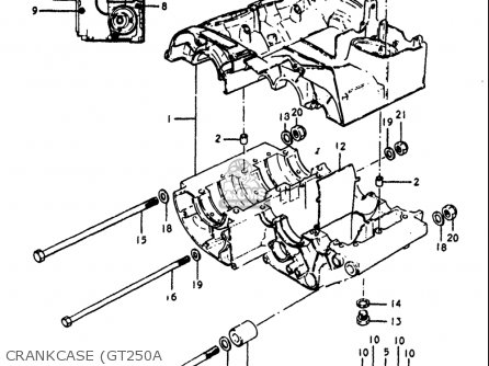
CRANKCASE (GT250K
24 products
CRANKCASE (GT250A
16 products
CRANKCASE COVER
22 products
PISTON - CRANKSHAFT (GT250K
29 products
PISTON - CRANKSHAFT (GT250A
19 products
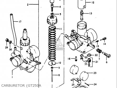
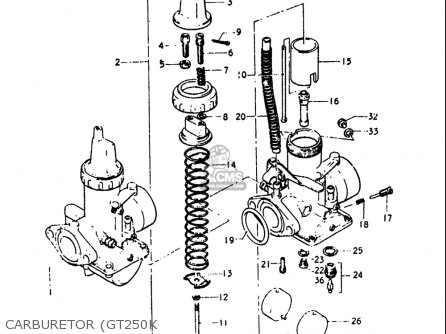
CARBURETOR (GT250K
30 products
CARBURETOR (GT250M)
27 products
CARBURETOR (GT250A
32 products
AIR CLEANER (GT250K
20 products
AIR CLEANER (GT250A
17 products
MUFFLER
11 products
OIL PUMP
14 products
CLUTCH
19 products
TRANSMISSION
28 products
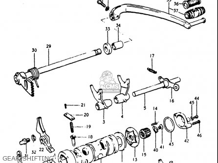
GEAR SHIFTING
36 products
KICK STARTER
15 products
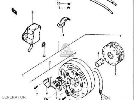
GENERATOR
19 products
SPEEDOMETER - TACHOMETER (GT250K
18 products
SPEEDOMETER - TACHOMETER (GT250M
16 products
SPEEDOMETER - TACHOMETER (GT250B)
14 products
HEADLAMP (GT250K
13 products
HEADLAMP (GT250A
13 products
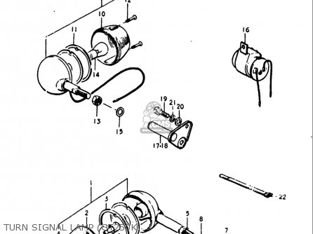
TURN SIGNAL LAMP (GT250K
22 products
TURN SIGNAL LAMP (GT250A
15 products
REAR COMBINATION LAMP (GT250K
22 products
REAR COMBINATION LAMP (GT250B)
16 products
ELECTRICAL
25 products
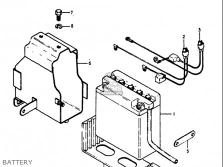
BATTERY
5 products
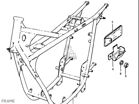
FRAME
3 products
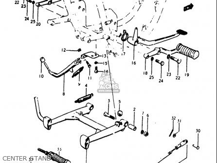
CENTER STAND
34 products
FUEL TANK
12 products
FUEL COCK (GT250K
8 products
FUEL COCK (GT250A
11 products
OIL TANK
9 products
RIGHT FRAME COVER
3 products
LEFT FRAME COVER
3 products
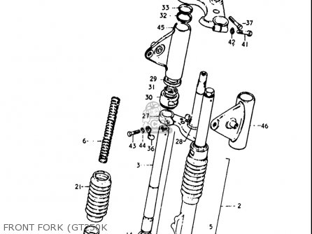
FRONT FORK (GT250K
21 products
FRONT FORK (GT250M
30 products
FENDER
15 products
FRONT WHEEL
23 products
HANDLEBAR
24 products
RIGHT HANDLE SWITCH
17 products
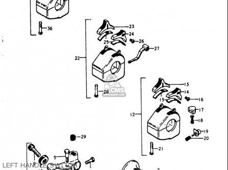
LEFT HANDLE SWITCH
30 products
CALIPERS (TOKICO)
14 products
CALIPERS (ASCO) (GT250B)
11 products
MASTER CYLINDER
9 products
MASTER CYLINDER (ASCO) (GT250A
7 products
BRAKE SHOE (GT250K)
8 products
BRAKE HOSE (GT250L
12 products
REAR SWINGING ARM
20 products
REAR WHEEL
32 products
OPTIONAL
6 products
up
popular products
4465118601
CAP,OIL TANK
Suzuki
0944005011
SPRING
Suzuki
0947112006
BULB(12V23W,STANLEY,A4577A)
Suzuki
0918110195
SHIM(10X20X1)
Suzuki