×
Buy Suzuki GZ Parts Online
home
GZ125U 1999 (X) (E01)
* COLOR CHART *
0 products
* CATALOG PREFACE *
0 products
* CONVERSION CHART *
0 products
CYLINDER HEAD
40 products
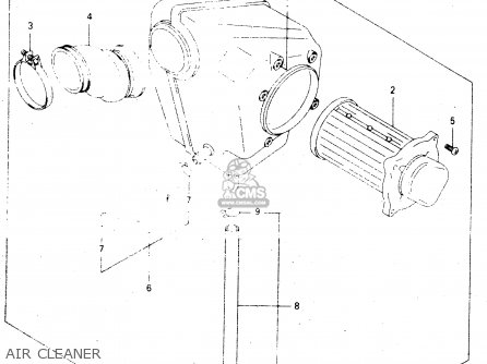
AIR CLEANER
10 products
MUFFLER
5 products
OIL PUMP
20 products
CLUTCH
23 products
TRANSMISSION
39 products
GEAR SHIFTING
53 products
STARTING MOTOR
17 products
MAGNETO
6 products
BATTERY
5 products
ELECTRICAL
19 products
CYLINDER
7 products
SPEEDOMETER
21 products
HEADLAMP
19 products
TURN SIGNAL LAMP
24 products
REAR COMBINATION LAMP
19 products
WIRING HARNESS
18 products
HANDLE SWITCH
7 products
FRAME
16 products
STAND - REAR BRAKE
24 products
FOOTREST
14 products
FUEL TANK
20 products
CRANKCASE
13 products
FUEL COCK
5 products
FRAME COVER
22 products
HEADLAMP HOUSING
18 products
HANDLE BAR
22 products
HANDLE LEVER
22 products
REAR FENDER
26 products
LABEL
13 products
SEAT
16 products
FRONT FORK DAMPER
23 products
STEERING STEM
19 products
CRANKCASE COVER
25 products
FRONT WHEEL
16 products
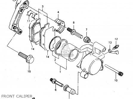
FRONT CALIPER
16 products
FRONT MASTER CYLINDER
16 products
REAR SWINGING ARM
21 products
CHAIN CASE
7 products
REAR WHEEL
34 products
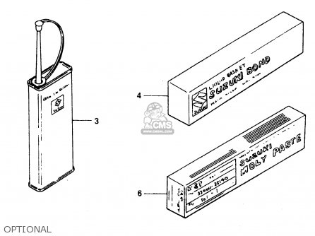
OPTIONAL
17 products
CRANKSHAFT
19 products
STARTER CLUTCH
10 products
CAM SHAFT - VALVE
22 products
CAM CHAIN
12 products
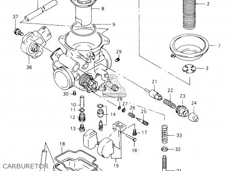
CARBURETOR
44 products
up
popular products
0918008208
SPACER(8.5X16X10)
Suzuki
5440107820
SHOE SET,BRAKE (NAS)
Suzuki
6813112F00
EMBLEM,FRAME COVER
Suzuki
6817012F00L3Y
TAPE SET,RR FENDER
Suzuki