×
Buy Suzuki LS Parts Online
home
FRAME
LS650F SAVAGE 1986 (G) USA (E03)
Frame diagram LS650F SAVAGE 1986 (G) USA (E03)
FRAME LS650F SAVAGE 1986 (G) USA (E03)
×
prices are in EUR
ref
part #
description
quantity
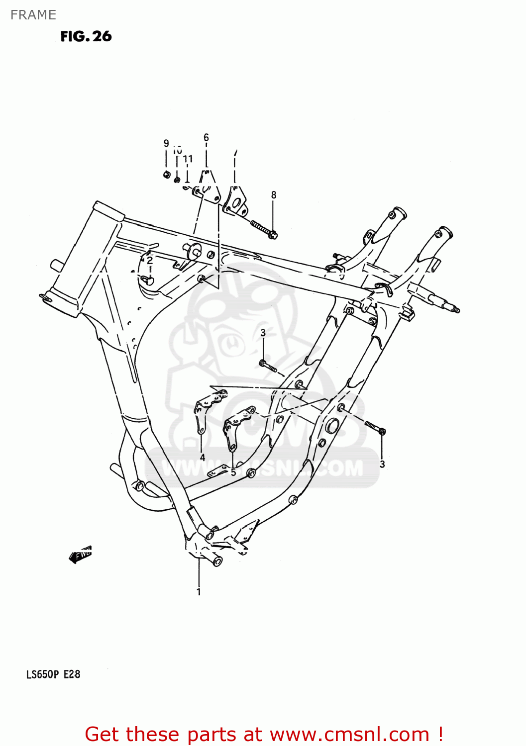
1-1
4110024B00019
ref: 1-1
41100-24B01-019
FRAME
€ 562.50
1-2
4110024B01019
ref: 1-2
FRAME(BLACK)
€ 562.50
2
0940906306
ref: 2
CLIP
€ 2.00
3
0910608074
ref: 3
BOLT(8X40)
€ 4.00
4
4197024B00019
ref: 4
PLATE,ENGINE MOUNT NO.4,R
€ 11.00
5
4198024B00019
ref: 5
PLATE,ENGINE MOUNT NO.4,L
€ 10.50
6
4199124B00019
ref: 6
PLATE,ENGINE MOUNT NO.5,R
€ 7.50
7
4199224B00019
ref: 7
PLATE,ENGINE MOUNT NO.5,L
€ 7.50
8
0910308037
ref: 8
BOLT(8X67)
€ 7.00
9
0831921086
ref: 9
08319-2108A
NUT,T/F SHIFT LEVER
€ 2.00
10
0832121086
ref: 10
08321-0108A
WASHER,LOCK,8.
€ 2.50
11
0832211086
ref: 11
08322-0108A
WASHER 8MM
€ 2.00
up
all assemblies
AIR CLEANER
BATTERY
CAM CHAIN
CAM SHAFT - VALVE
CARBURETOR
CLUTCH
CRANK BALANCER
CRANKCASE
CRANKCASE COVER
CRANKSHAFT
CYLINDER
CYLINDER HEAD
ELECTRICAL
FOOTREST
FRAME
FRAME COVER
FRONT BRAKE HOSE
FRONT CALIPER
FRONT FORK
FRONT MASTER CYLINDER (LS650FG/FJ/FK/FL)
FRONT MASTER CYLINDER (LS650PG/PJ/PK/PL
FRONT WHEEL
FUEL COCK
FUEL TANK
GEAR SHIFTING
HANDLE SWITCH (MODEL G/J)
HANDLE SWITCH (MODEL K/L/M/N/P)
HANDLEBAR - CONTROL CABLE (LS650FG/FJ/FK/FL)
HANDLEBAR - CONTROL CABLE (LS650PG/PJ/PK/PL
HEADLAMP
HEADLAMP HOUSING - FRONT FENDER
MAGNETO
MUFFLER
OIL PUMP
PILLION RIDER HANDLE
PROP STAND - REAR BRAKE
REAR COMBINATION LAMP
REAR FENDER
REAR SWINGING ARM
REAR WHEEL
SEAT
SPEEDOMETER
STARTER CLUTCH
STARTING MOTOR
STEERING STEM
TRANSMISSION
TURN SIGNAL LAMP
WIRING HARNESS
up