×
Buy Suzuki RF Parts Online
home
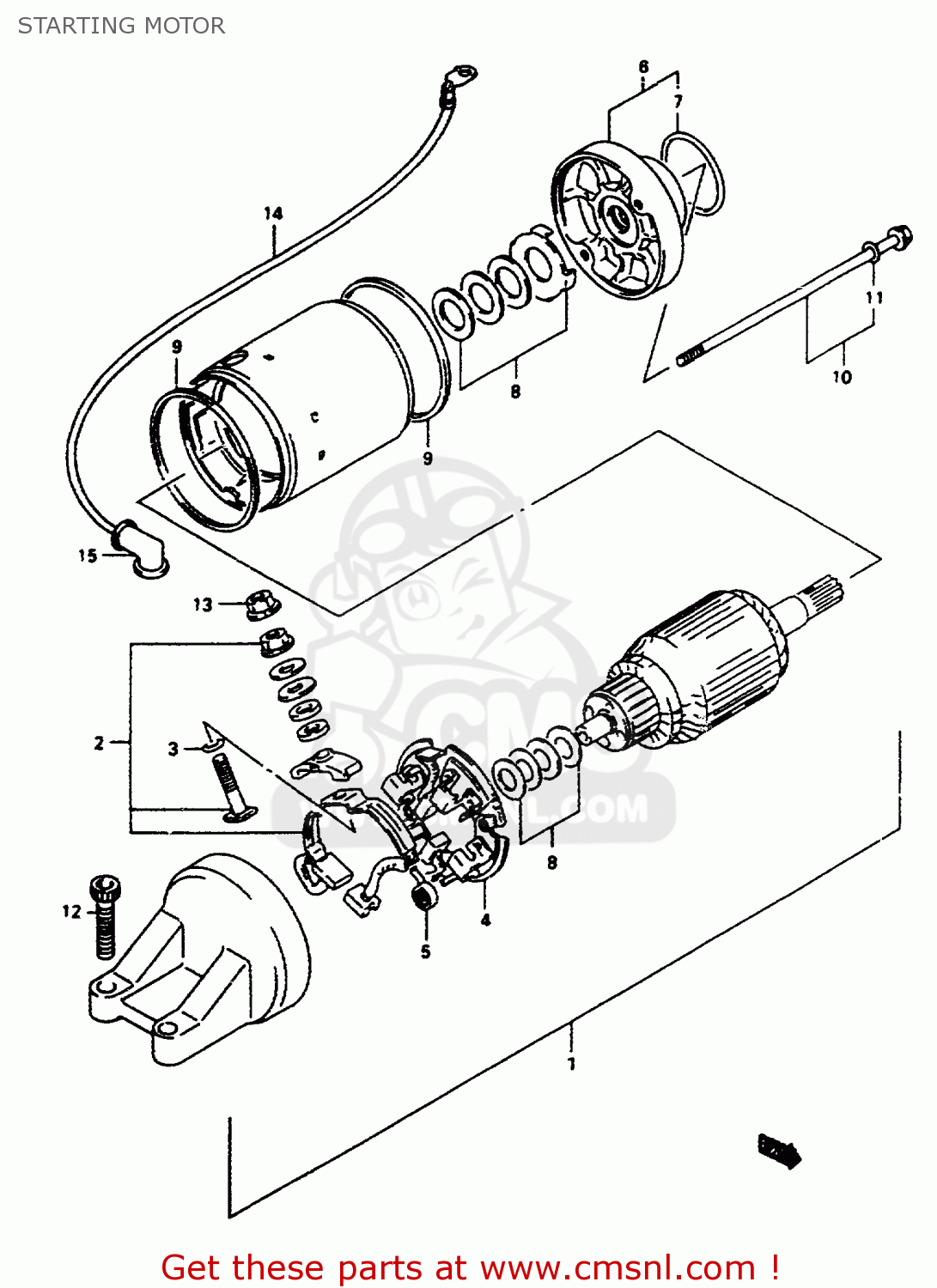
STARTING MOTOR
RF600RU 1996 (T) (E22)
Starting motor diagram RF600RU 1996 (T) (E22)
STARTING MOTOR RF600RU 1996 (T) (E22)
×
prices are in EUR
ref
part #
description
quantity
1
3110046E00
ref: 1
MOTOR ASSEMBLY,STARTING
€ 730.00
2
3113019B10
ref: 2
TERMINAL SET,BRUSH,PLUS
€ 30.00
3
3114349040
ref: 3
O RING
€ 3.50
4
3113246E00
ref: 4
BRUSH,HOLDER SET
€ 47.00
5
3113531300
ref: 5
SPRING,BRUSH
€ 4.50
6
3115046E00
ref: 6
BRACKET ASSEMBLY,FRONT
€ 85.00
7
3115648B00
ref: 7
<31156-46E00
O RING
€ 9.00
8
3117019B10
ref: 8
SHIM SET,STARTING MOTOR
€ 9.00
9
3126431300
ref: 9
O RING
€ 8.50
10
3128019B10
ref: 10
BOLT SET,STARTING MOTOR
€ 7.00
11
3114349040
ref: 11
O RING
€ 3.50
12-1
0712006257
ref: 12-1
MODEL P/R
BOLT
€ 3.50
12-2
0912806024
ref: 12-2
MODEL S/T/V
SCREW (6X25)
€ 3.00
13
0836135068
ref: 13
NUT
€ 2.00
14
3381021E00
ref: 14
WIRE,STARTER MOTOR LEAD
€ 25.50
15
3186148B10
ref: 15
CAP,STARTER MOTOR LEAD
€ 5.00
up
all assemblies
* COLOR CHART *
* CATALOG PREFACE *
* CONVERSION CHART *
CYLINDER HEAD COVER
CYLINDER HEAD
CYLINDER
CRANKCASE
CRANKCASE COVER
OIL PAN-OIL PUMP
CRANKSHAFT
STARTER CLUTCH
CAM SHAFT-VALVE
CAM CHAIN
CARBURETOR (MODEL T/V)
CARBURETOR FITTINGS (MODEL S/T/V)
AIR CLEANER
MUFFLER (MODEL S/T/V)
FUEL PUMP
OIL COOLER-OIL FILTER
WATER PUMP
RADIATOR
RADIATOR HOSE
CLUTCH (MODEL S/T/V)
TRANSMISSION
GEAR SHIFTING
STARTING MOTOR
ALTERNATOR (MODEL S/T/V)
SIGNAL GENERATOR (MODEL T/V)
BATTERY
ELECTRICAL
SPEEDOMETER (MODEL T/V)
HEADLAMP (MODEL T/V)
TURNSIGNAL LAMP (MODEL T/V)
TAIL LAMP
WIRING HARNESS (MODEL S/T/V)
HANDLE SWITCH
FRAME
STAND
FOOTREST
FUEL TANK (MODEL V)
FUEL COCK
FRAME COVER (MODEL V)
FRONT FENDER (MODEL S/T/V)
HANDLE BAR (MODEL R/S/T/V)
HANDLE LEVER
REAR FENDER (MODEL T/V)
COWLING BODY (MODEL V)
INSTALLATION PARTS
UNDER COWLING BODY (MODEL V)
INSTALLATION PARTS
LABEL (MODEL T/V)
SEAT (MODEL S/T/V)
FRONT DAMPER
STEERING STEM
FRONT WHEEL (MODEL S/T/V)
FRONT CALIPERS
FRONT BRAKE HOSE
FRONT MASTER CYLINDER
REAR SWINGING ARM (MODEL T/V)
REAR CUSHION LEVER
REAR WHEEL (MODEL S/T/V)
REAR CALIPER (MODEL T/V)
REAR MASTER CYLINDER
OPTIONAL
up