×
Buy Suzuki RG Parts Online
home
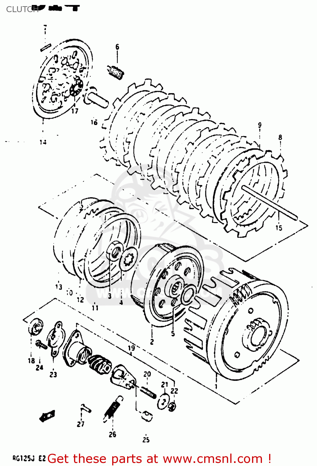
CLUTCH
RG125UC 1987 (H)
Clutch diagram RG125UC 1987 (H)
CLUTCH RG125UC 1987 (H)
×
prices are in EUR
ref
part #
description
quantity
1
2120036A02
ref: 1
NT:67/17
GEAR, PRIMARY DRIVEN
€ 112.50
2
2141101A00
ref: 2
HUB, SLEEVE
€ 53.00
3
0914016014
ref: 3
NUT
€ 5.00
4
0916717002
ref: 4
WASHER,LOCK
€ 2.50
5
0821117283
ref: 5
WASHER
€ 2.00
6
0944312018
ref: 6
SPRING
€ 3.50
7
0926102001
ref: 7
PIN(2.5X19.8)
€ 2.00
8
2144113A00
ref: 8
PLATE,CLUTCH DRIVE (NAS)
€ 7.50
9
2145128000
ref: 9
PLATE,CLUTCH DRIVEN (NAS)
€ 5.00
10
2145136200
ref: 10
PLATE,CLUTCH DRIVEN(T:2.0) (NAS)
€ 5.50
11
2147136200
ref: 11
SEAT,WAVE WASHER
€ 43.50
12
0916498001
ref: 12
WASHER
€ 10.50
13
2148139301
ref: 13
RING,STOPPER
€ 5.50
14
2146139300
ref: 14
PLATE,CLUTCH PRESSURE
€ 19.00
15
2311130000
ref: 15
ROD,CLUTCH PUSH
€ 13.50
16
2312139101
ref: 16
PIECE,CLUTCH PUSH
€ 14.00
17
0926310002
ref: 17
BEARING(10X22X2.8)
€ 9.00
18
0928506006
ref: 18
OIL SEAL
€ 15.00
19
2320036A00
ref: 19
SCREW ASSY,CLUTCH RELEASE
€ 36.00
20
0913406010
ref: 20
SCREW(6X25)
€ 3.50
21
0916006020
ref: 21
WASHER
€ 2.00
22
0831022067
ref: 22
NUT 6MM
€ 2.50
23
2324136A00
ref: 23
COVER, RELEASE SCREW
€ 7.50
24
0211205168
ref: 24
SCREW
€ 2.50
25
2322236A00
ref: 25
HOOK,CLUTCH RELEASE SCREW ARM
€ 6.00
26
0944308001
ref: 26
SPRING
€ 4.50
27
2322336A00
ref: 27
PROTECTOR
€ 0.00
up
all assemblies
* COLOR CHART *
* CATALOG PREFACE *
* CONVERSION CHART *
FUEL TANK - FRAME COVER
SEAT TAIL COVER
FENDER - COWLING
CRANKSHAFT
CARBURETOR
AIR CLEANER
MUFFLER
OIL PUMP
WATER PUMP
RADIATOR
CLUTCH
TRANSMISSION
GEAR SHIFTING
KICK STARTER
MAGNE TO
BATTERY
ELECTRICAL
SPEEDOMETER - TACHOMETER
HEADLAMP (E2, E4, E15, E17, E18, E21, E53)
TURN SIGNAL LAMP (SEE NOTE)
HEAR COMBINAITON LAMP
WIRING HARNESS
FRAME
STAND - REAR BRAKE
FOOTREST
FUEL TANK (RG125AJ/BJ/UAJ/BUJ)
FUEL COCK
OIL TANK
SEAT (MODEL J)
SEAT TAIL COVER (RG125AJ/BJ/UAJ/BUJ)
FRAME COVER (RG125AJ/BJ/UAJ/BUJ)
FRONT DAMPER
STEERING STEM
FRONT FENDER
FRONT WHEEL
HANDLEBAR
RIGHT HANDLE SWITCH (MODEL G F.NO. 102308~/H/J)
LEFT HANDLE SWITCH (MODEL G F.NO. 102308~/H/J)
FRONT CALIPER
FRONT BRAKE HOSE
FRONT MASTER CYLINDER
REAR SWINGING ARM
REAR FENDER
REAR WHEEL
COWLING (MODEL J 2WB, 3HZ)
OPTIONAL
up