×
Buy Suzuki RM Parts Online
home
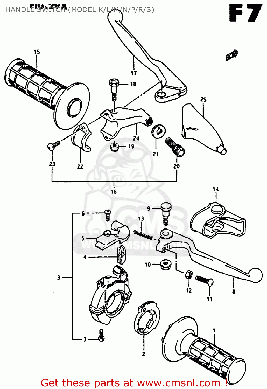
HANDLE SWITCH (MODEL K/L/M/N/P/R/S)
RM80X 1990 (L)
Handle switch (model k/l/m/n/p/r/s) diagram RM80X 1990 (L)
HANDLE SWITCH (MODEL K/L/M/N/P/R/S) RM80X 1990 (L)
×
prices are in EUR
ref
part #
description
quantity
1
5711027C00
ref: 1
GRIP,THROTTLE
€ 27.00
2
5711420410
ref: 2
ROTOR,THROTTLE GRIP
€ 6.50
3
5710020411
ref: 3
CASE ASSY,THROTTLE
€ 53.50
4
5712220410
ref: 4
GUIDE PIECE,THROTTLE
€ 5.00
5
5712920411
ref: 5
COVER,THROTTLE CASE
€ 9.50
6
0212204103
ref: 6
SCREW,UPPER
€ 2.50
7
0211205167
ref: 7
SCREW
€ 2.50
8
5742127C00
ref: 8
LEVER,BRAKE
€ 11.00
9
5743114500
ref: 9
BOLT,BRAKE LEVER
€ 5.00
10
5744214500
ref: 10
NUT,BRAKE LEVER
€ 2.50
11
5743114511
ref: 11
BOLT,ADJUST
€ 4.50
12
0831012055
ref: 12
NUT ,5MM
€ 2.50
13
5731814502
ref: 13
SPRING,RETURN
€ 3.50
14
5734114501
ref: 14
COVER,BRAKE LEVER
€ 5.50
15
5721127C00
ref: 15
GRIP,L
€ 12.00
16
5750014300
ref: 16
LEVER ASSY,CLUTCH
€ 36.50
17
5762014300
ref: 17
LEVER,CLUTCH
€ 26.00
18
5743114301
ref: 18
BOLT,LEVER
€ 7.00
19
0831921068
ref: 19
NUT 6MM
€ 2.50
20
5744114210
ref: 20
ADJUSTER,CABLE
€ 8.00
21
5744214200
ref: 21
NUT,CABLE ADJUSTER
€ 6.50
22
5751214300
ref: 22
BRACKET,CLUTCH LEVER HOLDER
€ 35.00
23
0912505102
ref: 23
SCREW(5X14)
€ 2.50
24
5751114300
ref: 24
HOLDER,CLUTCH LEVER
€ 29.50
25
5734140001
ref: 25
COVER,CLUTCH LEVER
€ 8.00
up
all assemblies
* COLOR CHART *
* CATALOG PREFACE *
* CONVERSION CHART *
EXHAUST VALVE (MODEL K/L/M/N/P/R/S)
CRANKCASE (MODEL L/M/N/P/R/S)
CRANKCASE COVER - WATER PUMP (MODEL K/L/M/N/P/R/S)
CRANKSHAFT (MODEL M/N/P/R/S)
CARBURETOR (MODEL K/L/M/N/P/R/S)
AIR CLEANER (MODEL G)
AIR CLEANER (MODEL H/J/K/L/M/N/P/R/S)
MUFFLER (MODEL K/L/M/N/P/R/S)
RADIATOR (MODEL R/S)
CLUTCH (MODEL K/L/M/N/P/R/S)
TRANSMISSION
GEAR SHIFTING (MODEL K/L/M/N/P/R/S)
KICK STARTER
MAGNETO
CDI UNIT - IGNITION COIL
FRAME - SEAT (MODEL G)
FRAME - SEAT (MODEL P/R/S)
STAND
REAR BRAKE (MODEL L/M/N/P/R/S)
FUEL TANK (MODEL R/S)
FUEL COCK
FRAME COVER (MODEL P/R/S)
FRONT FORK (MODEL S)
STEERING STEM (MODEL L/M/N/P/R/S)
FRONT FENDER
FRONT WHEEL (MODEL L/M/N/P/R/S)
HANDLEBAR - CONTROL CABLE
RIGHT HANDLE SWITCH (MODEL G/H/J)
HANDLE SWITCH (MODEL K/L/M/N/P/R/S)
FRONT CALIPER
FRONT BRAKE HOSE
FRONT MASTER CYLINDER (MODEL K/L/M/N/P/R/S)
REAR SWINGING ARM (MODEL M/N/P/R/S)
REAR SHOCK ABSORBER (MODEL G)
SHOCK ABSORBER (MODEL M/N/P/R/S)
CUSHION LEVER (MODEL G)
CUSHION LEVER (MODEL L/M/N/P/R/S)
REAR FENDER (MODEL N/P/R/S)
REAR WHEEL (MODEL L/M/N/P/R/S)
PEAR CALIPERS (MODEL L/M/N/P/R/S)
REAR MASTER CYLINDER (MODEL M/N/P/R/S)
FRONT NUMBER PLATE
LABEL
OPTIONAL
up