×
Buy Suzuki SP Parts Online
home
SP125 1988 (J) USA (E03)
AIR CLEANER
18 products
BATTERY
13 products
CAM CHAIN
14 products
CAM SHAFT - VALVE
22 products
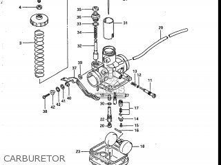
CARBURETOR
44 products
CLUTCH
25 products
CRANKCASE
12 products
CRANKCASE COVER
24 products
CRANKSHAFT
21 products
CYLINDER
8 products
CYLINDER HEAD
30 products
ELECTRICAL
16 products
FOOTREST
20 products
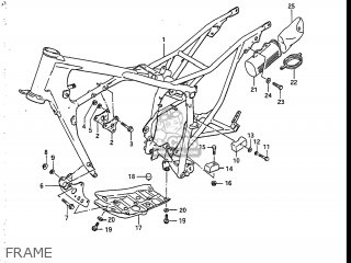
FRAME
26 products
FRAME COVER
21 products
FRONT BRAKE HOSE
6 products
FRONT CALIPER
22 products
FRONT FORK
29 products
FRONT MASTER CYLINDER
11 products
FRONT WHEEL
20 products
FUEL COCK
11 products
FUEL TANK (MODEL G/H)
21 products
FUEL TANK (MODEL J)
18 products
GEAR SHIFTING
46 products
HANDLEBAR
14 products
HEADLAMP
18 products
HEADLAMP COVER - FRONT FENDER (MODEL G)
15 products
HEADLAMP COVER - FRONT FENDER (MODEL H/J)
18 products
KICK STARTER
16 products
LIGHT HANDLE SWITCH
28 products
MAGNETO
16 products
MUFFLER
23 products
OIL PUMP
22 products
REAR COMBINATION LAMP
20 products
REAR CUSHION
26 products
REAR FENDER
37 products
REAR SWINGING ARM
31 products
REAR WHEEL
35 products
RIGHT HANDLE SWITCH
14 products
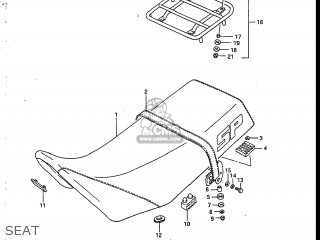
SEAT
23 products
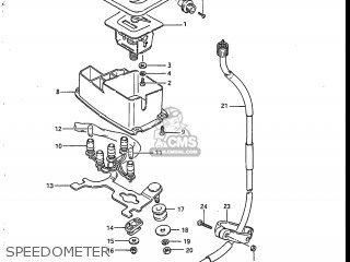
SPEEDOMETER
28 products
STAND - REAR BRAKE
26 products
STEERING STEM
36 products
TRANSMISSION
42 products
TURN SIGNAL LAMP
21 products
WIRING HARNESS
31 products
up
popular products
6451144A01
SPROCKET,REAR
Suzuki
2622105200
GUIDE,KICK STARTER SFT SPRING
Suzuki
3491044A00
CABLE ASSEMBLY,SPEEDOMETER
Suzuki
0944011014
SPRING
Suzuki