×
Buy Suzuki SP Parts Online
home
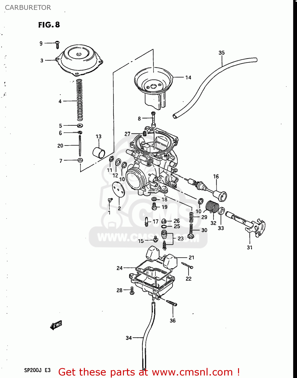
CARBURETOR
SP200 1987 (H) USA (E03)
Carburetor diagram SP200 1987 (H) USA (E03)
CARBURETOR SP200 1987 (H) USA (E03)
×
prices are in EUR
ref
part #
description
quantity
1320042A10
ref:
CARBURETOR ASSEMBLY (BS31)
€ 191.00
1
1360442A00
ref: 1
13604-44080
SCREW
€ 4.00
2
1355142A10
ref: 2
VALVE,THROTTLE
€ 0.00
3
1350242A00
ref: 3
COVER,DIAPHRAGM
€ 27.00
4
1341742A00
ref: 4
SPRING
€ 6.50
5
1338242A00
ref: 5
RING
€ 4.50
6
1341547070
ref: 6
13394-10010
CAP,LEVER
€ 5.00
7
1338747010
ref: 7
RING
€ 8.00
8
0949400512
ref: 8
JET,NEEDLE(P-4)
€ 15.00
9
0211204085
ref: 9
02112-0408A
SCREW
€ 2.00
10
1355644010
ref: 10
13556-05A10
SEAL
€ 4.50
11
1361744080
ref: 11
E RING
€ 4.00
12
1355747070
ref: 12
GASKET,THROTTLE SHAFT (NAS)
€ 5.00
13
1357847070
ref: 13
CAP
€ 4.50
14
1350042A00
ref: 14
DIAPHRAGM ASSY
€ 130.00
15
1360243410
ref: 15
SCREW
€ 2.50
16
1341142A00
ref: 16
13411-42A20
PLUNGER ASSEMBLY
€ 29.00
17
0949240014
ref: 17
JET(40)
€ 10.00
18
1333244080
ref: 18
13382-03110
WASHER,NEEDLE NOZZLE
€ 3.00
19
0949124013
ref: 19
JET,MAIN(122.5)
€ 7.50
20
1338342A10
ref: 20
NEEDLE JET
€ 0.00
21
1325042A00
ref: 21
FLOAT
€ 29.50
22
1325492311
ref: 22
PIN,FLOAT
€ 2.00
23
1337042A10
ref: 23
13370-44500
VALVE ASSEMBLY,NEEDLE
€ 44.00
24
1325142A00
ref: 24
O RING,FLOAT CHAMBER
€ 8.50
25
6626399050
ref: 25
13374-35C00
O RING
€ 6.00
26
1337665010
ref: 26
13376-19F00
FILTER
€ 7.00
27
0949330003
ref: 27
JET,AIR(150)
€ 13.00
28
1360205A40
ref: 28
02112-0412A
SCREW
€ 1.50
29
1327144220
ref: 29
13268-37420
SPRING,THROTTLE ADJUST
€ 4.00
30
1326737100
ref: 30
13267-25D00
SCREW,THROTTLE STOP
€ 10.00
31
1355042A00
ref: 31
SHAFT ASSEMBLY,THROTTLE
€ 28.00
32
1357342A00
ref: 32
SPRING
€ 5.50
33
1357445120
ref: 33
RING
€ 2.50
34
1368444A00
ref: 34
09351-30503-600
HOSE
€ 7.00
35
1368422A00
ref: 35
44420-44AR0
HOSE
€ 14.00
36
1324713A00
ref: 36
13247-02340
SCREW,DRAIN
€ 6.00
up
all assemblies
AIR CLEANER
BATTERY
CAM CHAIN
CAM SHAFT - VALVE
CARBURETOR
CLUTCH
CRANKCASE
CRANKCASE COVER
CRANKSHAFT
CYLINDER
CYLINDER HEAD
ELECTRICAL
FOOTREST
FRAME
FRAME COVER
FRONT BRAKE HOSE
FRONT CALIPER
FRONT FORK
FRONT MASTER CYLINDER
FRONT WHEEL
FUEL COCK
FUEL TANK (MODEL G/H)
FUEL TANK (MODEL J)
GEAR SHIFTING
HANDLEBAR - CABLE
HEADLAMP
HEADLAMP HOUSING - FRONT FENDER
KICK STARTER
LIGHT HANDLE SWITCH
MAGNETO
MUFFLER
OIL PUMP
REAR COMBINATION LAMP
REAR CUSHION
REAR FENDER
REAR SWINGING ARM
REAR WHEEL
RIGHT HANDLE SWITCH
SEAT
SPEEDOMETER
STAND - REAR BRAKE
STEERING STEM
TRANSMISSION
TURN SIGNAL LAMP
WIRING HARNESS
up