×
Buy Suzuki T Parts Online
home
T500 1971 1972 1973 1974 1975 (R) (J) (K) (L) (M) USA (E03)
CYLINDER HEAD - AIR CLEANER
36 products
CRANKCASE
32 products
CRANKCASE COVER
17 products
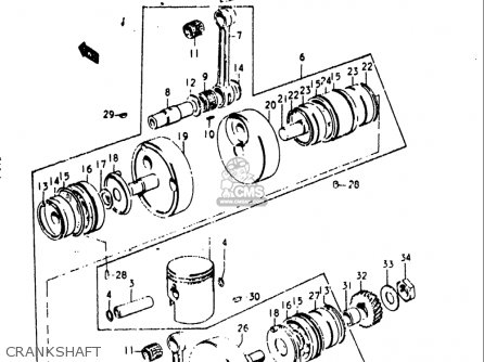
CRANKSHAFT
28 products
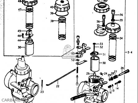
CARBURETOR
42 products
MUFFLER
11 products
OIL PUMP
13 products
CLUTCH
23 products
TRANSMISSION
25 products
GEAR SHIFTING
33 products
KICK STARTER
14 products
GENERATOR - IGNITION COIL
21 products
SPEEDOMETER - TACHOMETER
16 products
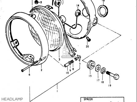
HEAD LAMP
13 products
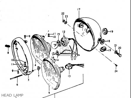
HEADLAMP
11 products
HEADLAMP
12 products
TURN SIGNAL LAMP
22 products
REAR COMBINATION LAMP
15 products
REAR COMBINATION LAMP
21 products
ELECTRICAL
24 products
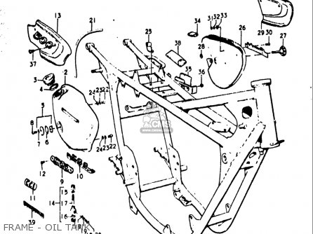
FRAME - OIL TANK
27 products
STAND - FOOTREST BAR
28 products
FUEL TANK
22 products
SEAT - FENDER
18 products
FRONT FORK
22 products
HANDLE BAR - CONTROL CABLE
42 products
HANDLE SWITCH
46 products
REAR SWINGING ARM
24 products
FRONT WHEEL
26 products
REAR WHEEL
32 products
OPTIONAL
5 products
up
popular products
3561303610
GASKET,TURNSIGNAL LENS (NAS)
Suzuki
5440015820
SHOE SET,BRAKE (NAS)
Suzuki
5115316511
SEAL,OIL
Suzuki
3164218522
CONDENSER,L
Suzuki