Buy Suzuki VZR Parts Online

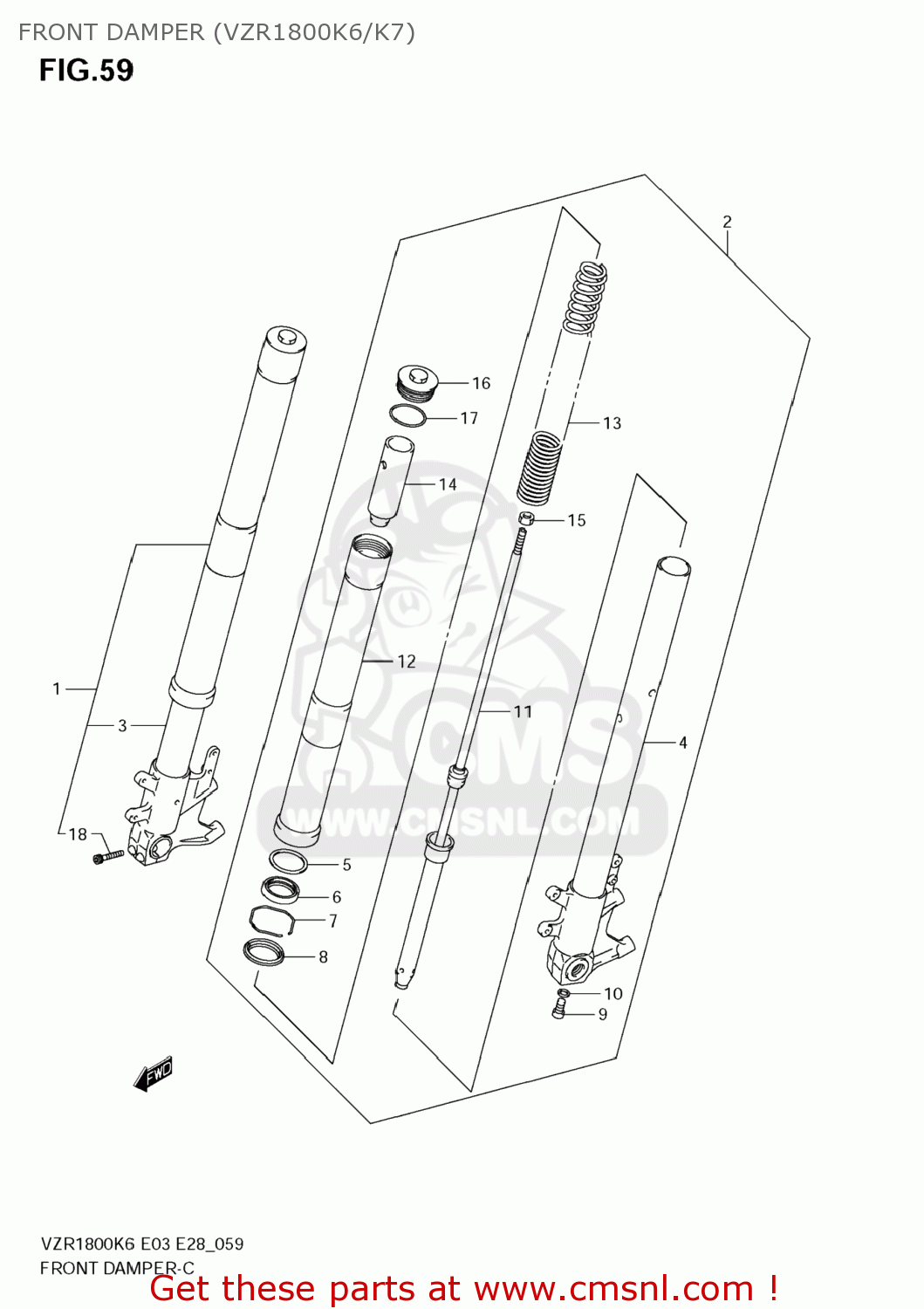
FRONT DAMPER (VZR1800K6/K7)

VZR1800 BOULEVARD M109R 2007 (K7) CALIFORNIA (E33)

Front damper (vzr1800k6/k7) diagram VZR1800 BOULEVARD M109R 2007 (K7) CALIFORNIA (E33)

FRONT DAMPER (VZR1800K6/K7) VZR1800 BOULEVARD M109R 2007 (K7) CALIFORNIA (E33)
FRONT DAMPER (VZR1800K6/K7) VZR1800 BOULEVARD M109R 2007 (K7) CALIFORNIA (E33)
FRONT DAMPER (VZR1800K6/K7) VZR1800 BOULEVARD M109R 2007 (K7) CALIFORNIA (E33)
prices are in EUR
ref
part #
description
quantity
1
5110348G00
ref: 1
DAMPER ASSY,FR FORK,R
€ 916.00

2
5110448G00
ref: 2
DAMPER ASSY,FR FORK,L
€ 990.00

3
5111048G00
ref: 3
TUBE,INNER,R
5111048G00
€ 1,003.00

4
5112048G00
ref: 4
TUBE,INNER,L
5112048G00
€ 994.50

5
5115827C00
ref: 5
WASHER
5115827C00
€ 4.50

6
5115348G00
ref: 6
SEAL,OIL
5115348G00
€ 16.50

7
5115627C00
ref: 7
RING,STOPPER
5115627C00
€ 3.00

8
5117342F00
ref: 8
SEAL,DUST
5117342F00
€ 21.00

9
5114740300
ref: 9
BOLT,CYLINDER
5114740300
€ 6.00

10
5114840300
ref: 10
GASKET,CYLINDER (NAS)
5114840300
€ 3.00

11
5114648G00
ref: 11
CYLINDER
€ 291.50

12
5113048G00
ref: 12
TUBE,OUTER
€ 527.50

13
5117148G00
ref: 13
SPRING,FR
€ 83.50

14
5117640F30
ref: 14
SPACER,SPRING
5117640F30
€ 13.50

15
5135213A60
ref: 15
NUT,ROD
5135213A60
€ 1.50

16
5135148G00
ref: 16
CAP
€ 153.50

17
5111748G00
ref: 17
O RING
5111748G00
€ 2.50

18
5138148E10
ref: 18
BOLT,LWR
5138148E10
€ 6.50

all assemblies