×
Buy Suzuki DR Parts Online
home
CARBURETOR
DR100 1985 (F) USA (E03)
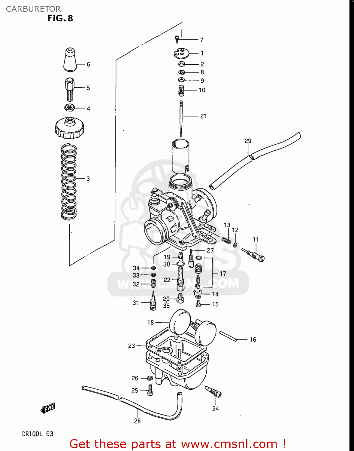
Carburetor diagram DR100 1985 (F) USA (E03)
CARBURETOR DR100 1985 (F) USA (E03)
×
prices are in EUR
ref
part #
description
quantity
 
1320005220
ref:  
CARBURETOR ASSY
€ 0.00
1
1337305230
ref: 1
PLATE,NEEDLE VALVE FITTING
€ 7.00
2
1338747010
ref: 2
RING
€ 7.50
3
1357305230
ref: 3
SPRING,THROTTLE VALVE
€ 0.00
4
1366116600
ref: 4
NUT
€ 5.00
5
1357748110
ref: 5
ADJUSTER,CABLE
€ 8.00
6
1368116600
ref: 6
CAP,RUBBER
€ 7.00
7
1360105230
ref: 7
SCREW
€ 0.00
8
1339410010
ref: 8
CLIP
€ 4.50
9
1338247010
ref: 9
WASHER,JET NEEDLE
€ 3.00
10
1338847010
ref: 10
SPRING
€ 7.00
11
1326736600
ref: 11
SCREW,THROTTLE STOP
€ 8.50
12
1329533010
ref: 12
O RING
€ 4.50
13
1326835010
ref: 13
SPRING
€ 3.00
14
1337346710
ref: 14
PLATE,NEEDLE VALVE FITING
€ 4.50
15
0211203066
ref: 15
02112-0306B
SCREW
€ 2.00
16
1325401010
ref: 16
PIN,FLOAT
€ 3.00
17
1337043250
ref: 17
13370-05320
VALVE ASSEMBLY,NEEDLE
€ 59.50
18
1325005230
ref: 18
FLOAT
€ 24.00
19
0949400409
ref: 19
JET,NEEDLE
€ 0.00
20
0949187005
ref: 20
JET,MAIN(87.5)
€ 6.50
21
1338305220
ref: 21
NEEDLE,JET(5L8-3)
€ 15.50
22
1338547030
ref: 22
PIPE,BLEEDER
€ 25.00
23
1325105230
ref: 23
GASKET,FLOAT CHAMBER
€ 0.00
24
1324702340
ref: 24
PLUG,DRAIN
€ 5.50
25
0211204166
ref: 25
02112-0416A
SCREW
€ 1.00
26
0832121046
ref: 26
08321-0104A
LOCK WASHER
€ 2.00
27
0949222008
ref: 27
JET,PILOT(22.5)
€ 9.50
28
1368418900
ref: 28
09355-30705-600
HOSE
€ 13.50
29
1368422A00
ref: 29
44420-44AR0
HOSE
€ 13.00
30
1324643010
ref: 30
O RING
€ 4.00
31
1327945400
ref: 31
SCREW,PILOT
€ 8.00
32
1326847070
ref: 32
SPRING
€ 5.00
33
1329129900
ref: 33
WASHER
€ 2.00
34
1329529900
ref: 34
O RING,PILOT AIR SCREW
€ 4.00
35-1
0949182003
ref: 35-1
JET,MAIN
€ 8.50
35-2
0949185008
ref: 35-2
JET,MAIN(85)
€ 8.50
35-3
0949190007
ref: 35-3
JET,MAIN(90)
€ 10.50
35-4
0949192004
ref: 35-4
JET,MAIN(92.5)
€ 8.50
35-5
0949195005
ref: 35-5
JET,MAIN(95)
€ 8.50
up
all assemblies
AIR CLEANER
CAM CHAIN
CAM SHAFT - VALVE
CARBURETOR
CLUTCH
CRANKCASE
CRANKCASE COVER
CRANKSHAFT
CUSHION LEVER
CYLINDER
CYLINDER HEAD
ELECTRICAL
FOOTREST
FRAME
FRAME COVER (MODEL F/G)
FRAME COVER (MODEL H/J/K)
FRAME COVER (MODEL L)
FRONT FENDER
FRONT FORK (MODEL F/G)
FRONT FORK (MODEL H/J/K/L)
FRONT WHEEL
FUEL COCK
FUEL TANK (MODEL F/G/H)
FUEL TANK (MODEL J/K)
FUEL TANK (MODEL L)
GEAR SHIFTING
HANDLEBAR
HEADLAMP
HEADLAMP HOUSING
KICK STARTER
LEFT HANDLE SWITCH
MAGNETO
MUFFLER
OIL PUMP
REAR FENDER
REAR SWINGING ARM
REAR WHEEL
RIGHT HANDLE SWITCH
SEAT
SHOCK ABSORBER
STAND - REAR BRAKE
TAIL LAMP
TRANSMISSION
TRIP METER
up