×
Buy Suzuki DR Parts Online
home
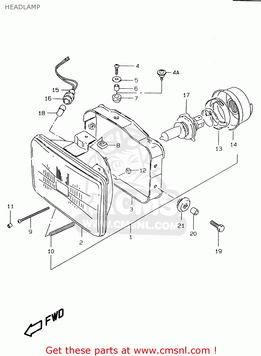
HEADLAMP
DR125SEU 2000 (Y)
Headlamp diagram DR125SEU 2000 (Y)
HEADLAMP DR125SEU 2000 (Y)
×
prices are in EUR
ref
part #
description
quantity
1
3510042A60999
ref: 1
E1
HEADLAMP ASSY
€ 191.50
1
3510042A50999
ref: 1
E4, E18, E22, E34
HEADLAMP ASSY
€ 164.00
2
3512142A60
ref: 2
E1
LAMP UNIT
€ 0.00
2
3512114A51
ref: 2
E4, E18, E22, E34
LAMP UNIT
€ 108.00
3
3514114A00
ref: 3
HOUSING
€ 31.00
4
0211205207
ref: 4
MODEL R
SCREW
€ 3.00
4A
3513638A00
ref: 4A
MODEL S/T/V/W/X
SCREW,MOUNTING
€ 2.50
5
0916005045
ref: 5
MODEL R, <-35138-452
WASHER(5.5X18X1)
€ 2.00
6
3513314A00
ref: 6
MODEL R
SPACER
€ 3.00
7
3513945230
ref: 7
CUSHION
€ 1.50
8
3513545900
ref: 8
NUT
€ 2.50
9
3515145900
ref: 9
<-35151-49200
SCREW
€ 4.50
10
3515449200
ref: 10
SPRING
€ 4.00
11
3515843400
ref: 11
CAP,SCREW
€ 2.00
12
3513545600
ref: 12
NUT
€ 3.50
13
3513601A00
ref: 13
HOLDER,BULB
€ 6.00
14
3517301440
ref: 14
COVER,SOCKET
€ 11.00
15
3611842A60
ref: 15
E1
SOCKET
€ 0.00
15
3611812E20
ref: 15
E4, E18, E22, E34
CORD,POSITION
€ 26.00
16
3611622630
ref: 16
E4, E18, E22, E34
JOINT,RUBBER
€ 5.50
17
0947112060
ref: 17
BULB(12V60/55W,H4)
€ 8.00
18
0947112063
ref: 18
BULB(12V4W)
€ 5.00
19
0911606011
ref: 19
MODEL R
BOLT 6X20
€ 2.50
19
0911606167
ref: 19
MODEL S/T/V/W/X
BOLT(6X20)
€ 2.50
20
0918006263
ref: 20
<-09180-06011
SPACER(6.5X9X9)
€ 2.00
21
0932009018
ref: 21
CUSHION
€ 2.00
up
all assemblies
* COLOR CHART *
* COLOR CHART *
* CATALOG PREFACE *
CYLINDER HEAD
AIR CLEANER
MUFFLER
OIL PUMP
CLUTCH
TRANSMISSION
GEAR SHIFTING
STARTING MOTOR
MAGNETO
BATTERY
ELECTRICAL
CYLINDER
SPEEDOMETER
HEADLAMP
TURN SIGNAL LAMP
REAR COMBINATION LAMP
WIRING HARNESS
HANDLE SWITCH
FRAME (MODEL R/S/T)
FRAME (MODEL V/W)
FRAME (MODEL X)
STAND (MODEL R/S/T)
STAND (MODEL V/W/X)
FOOTREST
FUEL TANK (MODEL R/S/T)
FUEL TANK (MODEL V/W)
FUEL TANK (MODEL X)
CRANKCASE
FUEL COCK
FRAME COVER (MODEL R/S/T)
FRAME COVER (MODEL V)
FRAME COVER (MODEL W/X)
HEADLAMP COVER (MODEL R/S/T/V/W)
HEADLAMP COVER (MODEL X)
FRONT FENDER (MODEL R/S/T/V/W)
FRONT FENDER (MODEL X)
HANDLEBAR
HANDLE LEVER
REAR FENDER (MODEL R/S/T/V/W)
REAR FENDER (MODEL X)
LABEL (MODEL R/S/T/V/W)
LABEL (MODEL X)
KNUCKLE COVER (OPTION)(MODEL R/S/T/V/W)
KNUCKLE COVER (OPTION)(MODEL X)
SEAT (MODEL R/S/T/V)
SEAT (MODEL W/X)
CRANKCASE COVER
FRONT DAMPER
STEERING STEM (MODEL R/S/T)
STEERING STEM (MODEL V/W/X)
FRONT WHEEL
FRONT CALIPER
FRONT MASTER CYLINDER
REAR SWINGING ARM
REAR CUSHION LEVER
REAR WHEEL
OPTIONAL
CRANKSHAFT
STARTER CLUTCH
CAM SHAFT - VALVE
CAM CHAIN
CARBURETOR (MODEL R/S/T)
CARBURETOR (MODEL V/W/X)
up