×
Buy Suzuki DR Parts Online
home
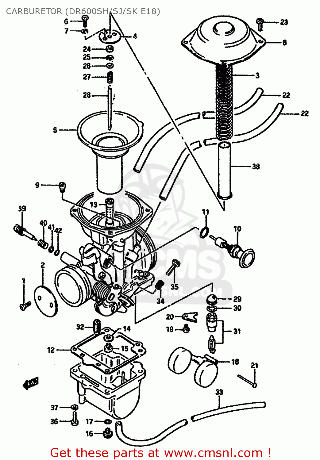
CARBURETOR (DR600SH/SJ/SK E18)
DR600SU 1988 (J) GERMANY (E22)
Carburetor (dr600sh/sj/sk e18) diagram DR600SU 1988 (J) GERMANY (E22)
CARBURETOR (DR600SH/SJ/SK E18) DR600SU 1988 (J) GERMANY (E22)
×
prices are in EUR
ref
part #
description
quantity
0
1320014A30
ref: 0
MODEL H
CARBURETOR ASSY
€ 0.00
0
1320014A40
ref: 0
MODEL J/K
CARBURETOR ASSY
€ 0.00
1
1360444080
ref: 1
SCREW
€ 4.00
2
1355137400
ref: 2
VALVE,THROTTLE (BUTTERFLY)
€ 43.00
3
1350314A10
ref: 3
SPRING,DIAPHRAGM
€ 3.00
4
1338937400
ref: 4
PLATE
€ 6.00
5-1
1350014A10
ref: 5-1
MODEL H
DIAPHRAGM ASSEMBLY
€ 144.00
5-2
1350014A20
ref: 5-2
MODEL J/K
DIAPHRAGM ASSY
€ 177.50
6
0211203066
ref: 6
SCREW
€ 2.00
7
0832121036
ref: 7
LOCK WASHER
€ 1.50
8
1350237400
ref: 8
COVER
€ 18.00
9-1
0949121023
ref: 9-1
MODEL H
JET,MAIN(105)
€ 7.50
9-2
0949121020
ref: 9-2
MODEL J/K
JET,MAIN 107,5
€ 12.00
10-1
1341137400
ref: 10-1
MODEL H
VALVE,STARTER
€ 25.00
10-2
1340014A00
ref: 10-2
MODEL J/K
PLANGER ASSY
€ 40.50
11
1327847090
ref: 11
O RING
€ 2.50
12
1325137100
ref: 12
GASKET,FLOAT CHAMBER (NAS)
€ 9.50
13
0949400273
ref: 13
JET,NEEDLE
€ 7.00
14
1333244080
ref: 14
WASHER,NEEDLE NOZZLE
€ 3.00
15
0949128015
ref: 15
JET,MAIN(142.5)
€ 5.50
16
1324744080
ref: 16
PLUG,DRAIN
€ 9.50
17
1324644080
ref: 17
GASKET (NAS)
€ 4.00
18
1325037400
ref: 18
FLOAT
€ 28.00
19
0211204066
ref: 19
SCREW
€ 2.00
20
1337339110
ref: 20
PLATE
€ 7.00
21
1325492311
ref: 21
PIN,FLOAT
€ 2.00
22
1368422A00
ref: 22
L:550-250
HOSE
€ 14.00
23
0211205106
ref: 23
SCREW 5X10
€ 2.50
24
1338744030
ref: 24
RING
€ 5.50
25
1339431210
ref: 25
CLIP,NEEDLE
€ 4.00
26
1338244030
ref: 26
WASHER
€ 4.00
27
1338844030
ref: 27
SPRING
€ 6.50
28
1338337410
ref: 28
NEEDLE JET
€ 13.00
29
1337684110
ref: 29
FROM 13376-65010
FILTER
€ 7.00
30
1337444080
ref: 30
FROM 66263-99050
O-RING,NEEDLE VALVE
€ 6.00
31
1337037400
ref: 31
VALVE ASSEMBLY,NEEDLE
€ 72.00
32
0949247013
ref: 32
JET,PILOT(47.5)
€ 13.50
33
1368345070
ref: 33
L:600-400
HOSE
€ 11.50
34
1327193011
ref: 34
SPRING
€ 4.50
35
1326737100
ref: 35
SCREW,THROTTLE STOP
€ 10.00
36
0211205166
ref: 36
SCREW
€ 2.50
37
0832121056
ref: 37
LOCK WASHER
€ 3.00
38
1348524B70
ref: 38
PIPE
€ 21.00
39
1326937410
ref: 39
MODEL H
SCREW,PILOT AIR
€ 10.50
40
1326847070
ref: 40
MODEL H
SPRING
€ 5.50
41
1329129900
ref: 41
MODEL H
WASHER
€ 2.00
42
1329529900
ref: 42
MODEL H
O RING,PILOT AIR SCREW
€ 4.00
up
all assemblies
* COLOR CHART *
* CATALOG PREFACE *
* CONVERSION CHART *
CYLINDER HEAD
CYLINDER
CRANKCASE
CRANKCASE COVER
CRANKSHAFT
CRANK BALANCER
BALANCER CHAIN
CAM SHAFT-VALVE
CAM CHAIN
CARBURETOR
CARBURETOR (DR600SH/SJ/SK E18)
AIR CLEANER
MUFFLER (MODEL F)
MUFFLER (MODEL K)
OIL PUMP
OIL COOLER
CLUTCH
TRANSMISSION
GEAR SHIFTING
KICK STARTER
MAGNETO (MODEL F)
MAGNETO (MODEL G/H/J/K)
BATTERY
ELECTRICAL
SPEEDOMETER
HEADLAMP
TURN SIGNAL LAMP
REAR COMBINATION LAMP
WIRING HARNESS
FRAME (MODEL J/K)
STAND-REAR BRAKE
FOOTREST
FUEL TANK (MODEL F/G)
FUEL TANK (MODEL K)
FUEL COCK
SEAT (MODEL K)
FRAME COVER (MODEL J/K)
FRONT FORK
STEERING STEM
FRONT FORK COVER (MODEL H/J/K)
HEADLAMP HOUSING-FRONT FENDER (MODEL J/K)
HEADLAMP HOUSING-FRONT FENDER (MODEL J/K E15,16,17,18,22,24)
FRONT WHEEL
HANDLEBAR-CABLE
RIGHT HANDLE SWITCH
RIGHT HANDLE SWITCH (MODEL H/J/K E18)
LEFT HANDLE SWITCH
FRONT CALIPERS
FRONT BRAKE HOSE
FRONT MASTER CYLINDER
REAR SWINGING ARM
REAR SHOCK ABSORBER
REAR CUSHION LEVER
REAR FENDER
REAR WHEEL
OPTIONAL
up