×
Buy Suzuki DS Parts Online
home
DS80 1989 (K)
* COLOR CHART *
0 products
* CATALOG PREFACE *
0 products
* CONVERSION CHART *
0 products
CYLINDER
30 products
CRANKCASE
20 products
CRANKCASE COVER
22 products
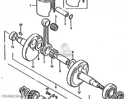
CRANKSHAFT
30 products
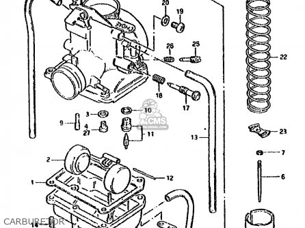
CARBURETOR
34 products
AIR CLEANER
12 products
MUFFLER
31 products
OIL PUMP
19 products
CLUTCH
32 products
TRANSMISSION
40 products
GEAR SHIFTING
46 products
KICK STARTER
12 products
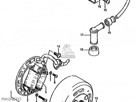
MAGNETO
31 products
HEADLAMP
8 products
TAIL LAMP
13 products
WIRING HARNESS
17 products
FRAME
15 products
PROP STAND-BRAKE PEDAL
36 products
FUEL TANK (MODEL R/S)
19 products
FUEL COCK
10 products
OIL TANK
8 products
FRAME COVER (MODEL N/P/R/S)
26 products
FRONT FORK
47 products
HEADLAMP HOUSING
17 products
FRONT WHEEL
35 products
HANDLEBAR
19 products
RIGHT HANDLE SWITCH
18 products
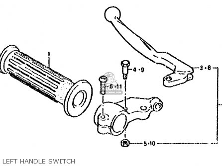
LEFT HANDLE SWITCH
12 products
REAR SWINGING ARM
27 products
REAR SHOCK ABSORBER
6 products
CUSHION LEVER
27 products
REAR FENDER
26 products
REAR WHEEL
45 products
OPTIONAL
8 products
up
popular products
6813603400291
TAPE,FRAME COVER NO.2,R
Suzuki
1338303400
NEEDLE,JET
Suzuki
5532003410
SPOKE SET,FR WHEEL
Suzuki
1379203400
HOLDER,FILTER OUTER
Suzuki