×
Buy Suzuki DS Parts Online
home
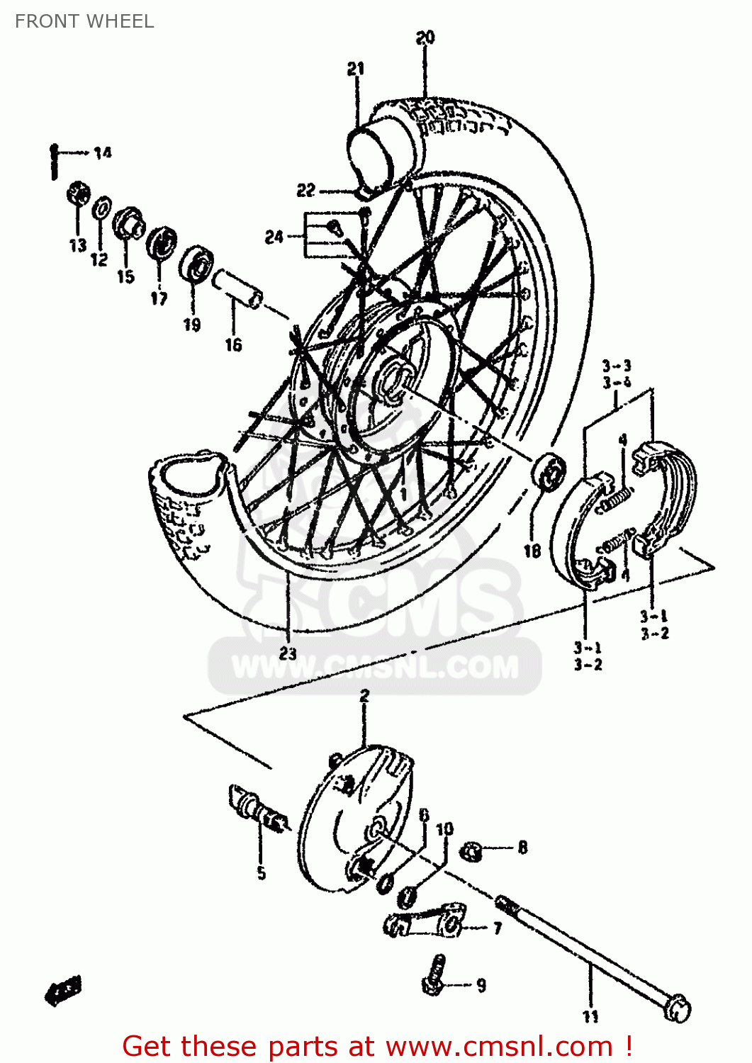
FRONT WHEEL
DS80 1995 (S)
Front wheel diagram DS80 1995 (S)
FRONT WHEEL DS80 1995 (S)
×
prices are in EUR
ref
part #
description
quantity
1
5411046500
ref: 1
HUB,FR
€ 87.00
2
5421046002
ref: 2
PANEL,FR BRAKE ANCHOR
€ 80.00
3-1
5441043011
ref: 3-1
MODEL F/R-54400-4382
SHOE,BRAKE
€ 25.00
3-2
5441043021
ref: 3-2
MODEL G/H/J/K/L/M/N/
SHOE,BRAKE (MCA)
€ 25.00
3-3
5440043820
ref: 3-3
MODEL F/G/H/J/K/L/M/
SHOE SET,BRAKE (NAS)
€ 25.00
3-4
5440043830
ref: 3-4
MODEL S
SHOE & SPRING SET,BRAKE (NAS)
€ 25.00
4-1
0944307001
ref: 4-1
MODEL F/G/H/J/K/L/M/
SPRING(L:34)
€ 2.50
4-2
0944307025
ref: 4-2
MODEL R
SPRING(L:35.8)
€ 2.50
4-3
0944307025
ref: 4-3
FOR 54400-43820
SPRING(L:35.8)
€ 2.50
4-4
0944307025
ref: 4-4
MODEL S FOR 54400-43
SPRING(L:35.8)
€ 2.50
5
5444126503
ref: 5
CAM,FR BRAKE
€ 13.00
6
0928014003
ref: 6
O-RING (D:2.4 ID:13.8)
€ 4.00
7
5445126500
ref: 7
LEVER,FR BRAKE CAM
€ 9.50
8-1
0915906017
ref: 8-1
MODEL F/G/H/J/K/L/M/
NUT
€ 2.50
8-2
0831610063
ref: 8-2
MODEL R/S
NUT
€ 2.50
9-1
0151706358
ref: 9-1
MODEL F/G/H/J/K/L/M/
BOLT 6X35
€ 3.00
9-2
0155006353
ref: 9-2
MODEL R/S
BOLT
€ 3.00
10
0916014001
ref: 10
WASHER (14.5X22X1.6)
€ 3.00
11
5471104711
ref: 11
AXLE,FR
€ 20.50
12
0916010504
ref: 12
WASHER
€ 2.00
13-1
0831441108
ref: 13-1
MODEL F/G/H/J/K/L/M/
NUT
€ 3.00
13-2
0831440103
ref: 13-2
MODEL R/S
NUT
€ 3.00
14
0411120208
ref: 14
PIN 20X20
€ 1.50
15
5474026101
ref: 15
SPACER,FR AXLE,R
€ 12.00
16
0918010005
ref: 16
SPACER (10.2X16X51)
€ 6.00
17
0928415001
ref: 17
SEAL,OIL(15X31X5)
€ 4.00
18
0814363007
ref: 18
BEARING
€ 7.00
19
0811362007
ref: 19
BEARING
€ 8.00
20
5510046420
ref: 20
TIRE(2.25 14)
€ 41.50
21
5520046410
ref: 21
TUBE,INNER
€ 15.50
22
5526124010
ref: 22
PROTECTOR,INNER TUBE
€ 9.50
23-1
5531103400
ref: 23-1
MODEL F/R/S
RIM,FR WHEEL(1.40X14)
€ 76.00
23-2
5531146440
ref: 23-2
MODEL G/H/J/K/L/M/N/
RIM,FRONT WHEEL (1.40X1
€ 76.00
24-1
5532003400
ref: 24-1
MODEL F/G/H
SPOKE SET,FRONT
€ 31.50
24-2
5532003410
ref: 24-2
MODEL J/K/L/M/N/P/R/
SPOKE SET,FR WHEEL
€ 31.50
up
all assemblies
* COLOR CHART *
* CATALOG PREFACE *
* CONVERSION CHART *
CYLINDER
CRANKCASE
CRANKCASE COVER
CRANKSHAFT
CARBURETOR
AIR CLEANER
MUFFLER
OIL PUMP
CLUTCH
TRANSMISSION
GEAR SHIFTING
KICK STARTER
MAGNETO
HEADLAMP
TAIL LAMP
WIRING HARNESS
FRAME
PROP STAND-BRAKE PEDAL
FUEL TANK (MODEL R/S)
FUEL COCK
OIL TANK
FRAME COVER (MODEL N/P/R/S)
FRONT FORK
HEADLAMP HOUSING
FRONT WHEEL
HANDLEBAR
RIGHT HANDLE SWITCH
LEFT HANDLE SWITCH
REAR SWINGING ARM
REAR SHOCK ABSORBER
CUSHION LEVER
REAR FENDER
REAR WHEEL
OPTIONAL
up