×
Buy Suzuki GN Parts Online
home
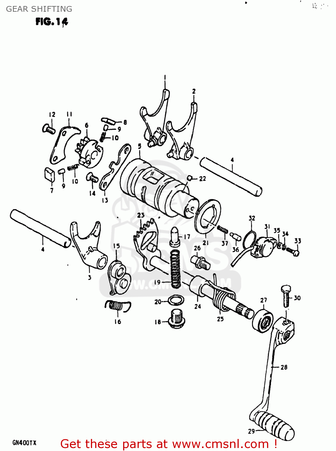
GEAR SHIFTING
GN400XX 1981 (X) USA (E03)
Gear shifting diagram GN400XX 1981 (X) USA (E03)
GEAR SHIFTING GN400XX 1981 (X) USA (E03)
×
prices are in EUR
ref
part #
description
quantity
1
2521132401
ref: 1
25211-32402
FORK,GEAR SHIFT NO.1
€ 77.50
2
2522132401
ref: 2
25221-32403
FORK,GEAR SHIFT
€ 77.50
3
2523132401
ref: 3
25231-32402
FORK,GEAR SHIFT NO.3
€ 77.50
4
2541140000
ref: 4
25411-14331
SHAFT,GEAR SHIFT FORK
€ 15.50
5
2531032400
ref: 5
25310-32401
CAM,GEAR SHIFT
€ 68.50
6
2532211000
ref: 6
25322-31310
RETAINER,GEAR SHIFT CAM
€ 15.50
7
2532311000
ref: 7
25323-34201
PAWL,GEAR SHIFT NO.1
€ 7.00
8
2532411000
ref: 8
25324-34201
PAWL,GEAR SHIFT NO.2
€ 7.00
9
0926105003
ref: 9
PIN(5X8)
€ 2.00
10
0944004003
ref: 10
SPRING
€ 2.00
11
2533132400
ref: 11
LIFTER,GEAR SHIFT PAWL
€ 0.00
12
0212206128
ref: 12
02122-06127
SCREW
€ 3.50
13
2534118000
ref: 13
GUIDE,GEAR SHIFT CAM
€ 51.50
14
0212206128
ref: 14
02122-06127
SCREW
€ 3.50
15
2535034000
ref: 15
STOPPER,GEAR SHIFT CAM
€ 11.50
16
0944308012
ref: 16
SPRING
€ 3.00
17
2535130010
ref: 17
STOPPER,GEAR SHIFT CAM NO.2
€ 7.00
18
0924714011
ref: 18
09247-14026
PLUG
€ 4.00
19
0944011010
ref: 19
SPRING
€ 1.50
20
0916814004
ref: 20
GASKET(14X19.2X2) (NAS)
€ 2.50
21
2538145000
ref: 21
PLATE,GEAR SHIFT CAM STOPPER
€ 14.00
22
0621104063
ref: 22
04221-04069
PIN 4X6
€ 2.00
23
2551032400
ref: 23
25510-324V0
SHAFT,GEAR SHIFT
€ 41.50
24
0918012068
ref: 24
SPACER(12X20X15.3)
€ 3.50
25
0944426013
ref: 25
SPRING
€ 4.00
26
2567101000
ref: 26
25671-01011
STOPPER,GEAR SHIFT CAM
€ 3.50
27
0928512002
ref: 27
09285-12006
OIL SEAL
€ 7.00
28
2560037301
ref: 28
LEVER ASSEMBLY,GEAR SHIFTING
€ 38.00
29
2565216500
ref: 29
RUBBER,GEAR SHIFT PEDAL
€ 4.50
30
0110706208
ref: 30
01500-06207
BOLT
€ 2.50
31
3772045100
ref: 31
TERMINAL BASE ASSY,GEAR SHIFT
€ 100.50
32
0928026003
ref: 32
09280-26005
O-RING (D:2.4 ID:26.2)
€ 3.00
33
0211205208
ref: 33
02112-05207
SCREW 5X20
€ 3.00
34
0832121058
ref: 34
08321-0105A
LOCK WASHER
€ 2.00
35
0832221058
ref: 35
08322-01057
WASHER
€ 2.50
36
0920905011
ref: 36
PIN(5X15.5)
€ 2.00
37
0944004010
ref: 37
SPRING
€ 2.00
up
all assemblies
AIR CLEANER
CAM CHAIN
CAM SHAFT - VALVE
CARBURETOR
CHAIN CASE - SHOCK ABSORBER
CLUTCH
CRANKCASE
CRANKCASE COVER
CRANKSHAFT
CYLINDER
CYLINDER HEAD
ELECTRICAL
FOOTREST
FRAME
FRAME COVER (GN400T
FRAME COVER (GN400TX
FRONT BRAKE HOSE
FRONT CARIPERS
FRONT FORK
FRONT WHEEL (GN400T
FRONT WHEEL (GN400XT
FUEL COCK
FUEL TANK (GN400T
FUEL TANK (GN400TX
GEAR SHIFTING
HANDLEBAR
HEADLAMP
HEADLAMP HOUSING - FRONT FENDER
KICK STARTER
LEFT HANDLE SWITCH
MAGNETO
MASTER CYLINDER (GN400T
MASTER CYLINDER (GN400XT
MUFFLER
OIL PUMP
REAR COMBINATION LAMP
REAR FENDER
REAR SWINGING ARM
REAR WHEEL (GN400T
REAR WHEEL (GN400XT
RIGHT HANDLE SWITCH
SEAT
SPEEDOMETER - TACHOMETER
STAND
STEERING STEM
TRANSMISSION
TURN SIGNAL LAMP
WIRING HARNESS
up