×
Buy Suzuki GS Parts Online
home
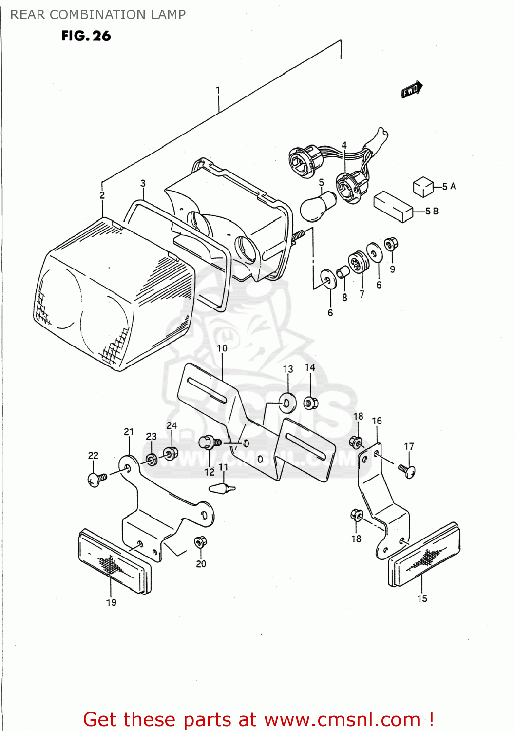
REAR COMBINATION LAMP
GS500E 1996 (T) USA (E03)
Rear combination lamp diagram GS500E 1996 (T) USA (E03)
REAR COMBINATION LAMP GS500E 1996 (T) USA (E03)
×
prices are in EUR
ref
part #
description
quantity
1-1
3571001D10
ref: 1-1
35710-01D11
LAMP ASSEMBLY,REAR COMBINATION
€ 126.00
1-2
3571001D11
ref: 1-2
LAMP ASSY,RR COMBINATION
€ 126.00
2
3571201D10
ref: 2
LENS
€ 22.00
3
3571301D00
ref: 3
GASKET (NAS)
€ 7.50
4-1
3571801D10
ref: 4-1
35718-12D00
SOCKET
€ 43.50
4-2
3571812D00
ref: 4-2
SOCKET
€ 43.50
5
0947112083
ref: 5
09471-12128
BULB(12V21/5W)
€ 6.00
5A
3573301D00
ref: 5A
35733-10D00
CUSHION,REAR COMBINATION LAMP
€ 3.00
5B
3573310D00
ref: 5B
CUSHION,REAR LENS
€ 3.00
6-1
0916006086
ref: 6-1
09160-06077
WASHER (6.5X20X1)
€ 2.00
6-2
0916006077
ref: 6-2
WASHER(6.5X20X1.2)
€ 2.00
7
0932009009
ref: 7
CUSHION
€ 5.50
8
0918006152
ref: 8
09180-06262
SPACER
€ 3.50
9-1
0831616066
ref: 9-1
08316-1006B
NUT
€ 2.50
9-2
0831012066
ref: 9-2
08310-0006A
NUT
€ 2.50
9-3
0831000063
ref: 9-3
08310-0006A
NUT 6MM
€ 2.50
10
3592701D10
ref: 10
BRACKET,LICENSE PLATE
€ 0.00
11
0932106028
ref: 11
CUSHION
€ 3.50
12-1
0151706164
ref: 12-1
01550-0616A
BOLT
€ 2.50
12-2
0155006163
ref: 12-2
01550-0616A
BOLT
€ 2.50
12-3
0214206163
ref: 12-3
02142-0616A
SCREW
€ 3.00
13-1
0916006059
ref: 13-1
09160-06088
WASHER,COVER,FRONT
€ 2.00
13-2
0916006077
ref: 13-2
WASHER(6.5X20X1.2)
€ 2.00
14-1
0831626066
ref: 14-1
08316-1006B
NUT
€ 2.00
14-2
0831012066
ref: 14-2
08310-0006A
NUT
€ 2.50
14-3
0831000063
ref: 14-3
08310-0006A
NUT 6MM
€ 2.50
15-1
3597000A10
ref: 15-1
REFLEX REFLECTOR,RR
€ 22.00
15-2
3597024D60
ref: 15-2
REFLECTOR ASSY,RR
€ 21.50
16-1
3597701D10
ref: 16-1
35977-01D11
BRACKET,REAR SIDE,REAR,RIGHT
€ 5.50
16-2
3597801D10
ref: 16-2
35977-01D11
SPACER
€ 5.50
16-3
3597701D11
ref: 16-3
BRACKET,RR SIDE REFLECTOR
€ 5.50
17-1
0214205124
ref: 17-1
02142-0512A
SCREW, FRONT & REAR
€ 1.50
17-2
0214205123
ref: 17-2
02142-0512A
SCREW 5X12
€ 1.50
18-1
0831626055
ref: 18-1
08316-2005A
NUT
€ 2.00
18-2
0831011056
ref: 18-2
08310-0005A
NUT
€ 2.50
18-3
0831000053
ref: 18-3
08310-0005A
NUT
€ 2.50
19-1
3597000A21
ref: 19-1
35970-00A10
REFLECTOR ASSEMBLY,REAR
€ 22.00
19-2
3597024D60
ref: 19-2
REFLECTOR ASSY,RR
€ 21.50
20-1
0831626055
ref: 20-1
08316-2005A
NUT
€ 2.00
20-2
0831011056
ref: 20-2
08310-0005A
NUT
€ 2.50
20-3
0831000053
ref: 20-3
08310-0005A
NUT
€ 2.50
21
3597401D00
ref: 21
BRACKET,RR RR
€ 4.00
22-1
0214206125
ref: 22-1
02142-0612A
SCREW 6X12
€ 2.00
22-2
0214206123
ref: 22-2
02142-0612A
SCREW 6X12
€ 2.00
23
0832131064
ref: 23
08321-0106A
WASHER
€ 2.50
24-1
0831626065
ref: 24-1
08316-2006A
NUT
€ 2.00
24-2
0831000063
ref: 24-2
08310-0006A
NUT 6MM
€ 2.50
up
all assemblies
AIR CLEANER
BATTERY
CAM CHAIN
CAM SHAFT - VALVE
CANISTER (CALIFORNIA ONLY)
CARBURETOR
CLUTCH
COWLING (MODEL K/L OPTIONAL)
COWLING (MODEL M/N/P/R/S/T OPTIONAL)
CRANKCASE
CRANKCASE COVER
CRANKSHAFT
CRANKSHAFT BALANCER
CUSHION LEVER (MODEL K/L)
CUSHION LEVER (MODEL M/N/P/R/S/T)
CYLINDER
CYLINDER HEAD
CYLINDER HEAD COVER
ELECTRICAL
FOOTREST
FRAME
FRAME COVER (MODEL K/L/M)
FRAME COVER (MODEL N)
FRAME COVER (MODEL P)
FRAME COVER (MODEL R/S/T)
FRONT CALIPER (MODEL K/L/M/N/P/R/S)
FRONT CALIPER (MODEL T)
FRONT DAMPER
FRONT FENDER
FRONT MASTER CYLINDER
FRONT WHEEL
FUEL COCK
FUEL TANK (MODEL K/L)
FUEL TANK (MODEL M)
FUEL TANK (MODEL N/P)
FUEL TANK (MODEL R/S/T)
GEAR SHIFTING
GENERATOR
HANDLE LEVER (MODEL K)
HANDLE LEVER (MODEL L/M/N/P/R/S/T)
HANDLE SWITCH
HANDLEBAR (MODEL K)
HANDLEBAR (MODEL L/M/N/P/R/S/T)
HEADLAMP (MODEL K/L/M/N/P)
HEADLAMP (MODEL R/S/T)
HEADLAMP HOUSING (MODEL K/L/M/N/P)
HEADLAMP HOUSING (MODEL R/S/T)
MUFFLER
OIL FILTER - OIL PUMP
REAR CALIPER (MODEL K/L/M/N)
REAR CALIPER (MODEL P/R/S/T)
REAR COMBINATION LAMP
REAR FENDER
REAR MASTER CYLINDER
REAR SWINGING ARM
REAR WHEEL
SEAT
SIGNAL GENERATOR
SPEEDOMETER - TACHOMETER
STAND - REAR BRAKE
STARTER CLUTCH
STARTING MOTOR
STEERING STEM
TRANSMISSION
TURNSIGNAL LAMP
WIRING HARNESS
up