×
Buy Suzuki GSX Parts Online
home
GSX600F 1994 (R) (E02 E21 E22 E25 E34 E53)
* COLOR CHART *
0 products
* COLOR CHART *
0 products
* CATALOG PREFACE *
0 products
* CONVERSION CHART *
0 products
CYLINDER HEAD COVER
20 products
CYLINDER HEAD
49 products
CYLINDER
17 products
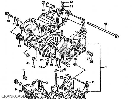
CRANKCASE
80 products
CRANKCASE COVER
53 products
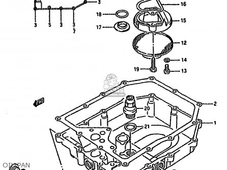
OIL PAN
35 products
OIL PUMP
17 products
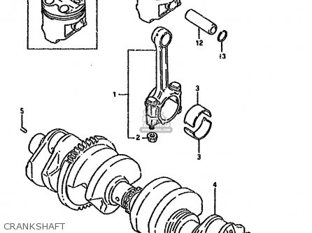
CRANKSHAFT
35 products
STARTER CLUTCH
5 products
CAM SHAFT/VALVE (MODEL N/P/R/S/T)
51 products
CAM CHAIN (MODEL T)
23 products
CARBURETOR FITTINGS (SEE NOTE)
120 products
AIR CLEANER (SEE NOTE 1)
16 products
MUFFLER (MODEL T)
40 products
SECOND AIR (MODEL K/L/M/N E18)
28 products
CLUTCH (MODEL N/P/R/S/T)
31 products
TRANSMISSION
75 products
GEAR SHIFTING
60 products
STARTING MOTOR
18 products
ALTERNATOR
44 products
SIGNAL GENERATOR (MODEL T)
13 products
BATTERY (MODEL T)
11 products
ELECTRICAL
22 products
SPEEDOMETER (MODEL T)
39 products
HEADLAMP (MODEL T)
23 products
TURN SIGNAL LAMP (MODEL T)
34 products
TAIL LAMP (MODEL P/R/S/T)
46 products
WIRING HARNESS (MODEL T)
42 products
HANDLE SWITCH (MODEL T)
10 products
FRAME (MODEL P/R/S/T)
39 products
STAND
35 products
FOOTREST
26 products
FUEL TANK (MODEL T)
45 products
FUEL COCK (MODEL T)
19 products
FRAME COVER (MODEL T)
34 products
FRONT FENDER (MODEL S/T)
32 products
HANDLEBAR (MODEL S/T)
36 products
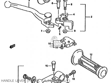
HANDLE LEVER (MODEL K/L/M/N/P/R/S/T)
20 products
REAR FENDER (MODEL T)
45 products
COWLING BODY (MODEL T)
103 products
INSTALLATION PARTS
77 products
SEAT (MODEL N/P/R/S/T)
31 products
PILLION RIDER HANDLE (MODEL R/S/T)
29 products
FRONT DAMPER (MODEL K/L/M/N/P/R/S/T)
43 products
STEERING STEM
14 products
FRONT WHEEL (MODEL K/L/M/N/P/R/S/T)
35 products
FRONT CALIPERS
23 products
FRONT BRAKE HOSE
16 products
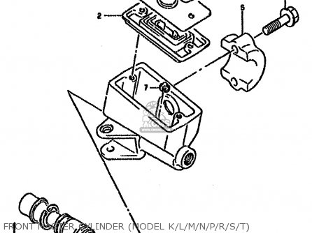
FRONT MASTER CYLINDER (MODEL K/L/M/N/P/R/S/T)
10 products
REAR SWINGING ARM
26 products
REAR CUSHION LEVER (MODEL K/L/M/N/P/R/S/T)
21 products
REAR WHEEL (MODEL K/L/M/N/P/R/S/T)
49 products
REAR CALIPER (MODEL P/R/S/T)
19 products
REAR MASTER CYLINDER
41 products
OPTIONAL
31 products
up
popular products
3285110D00
PROTECTOR(12X40)
Suzuki
0981600102
SPANNER,HEXAGON
Suzuki