×
Buy Suzuki GSX Parts Online
home
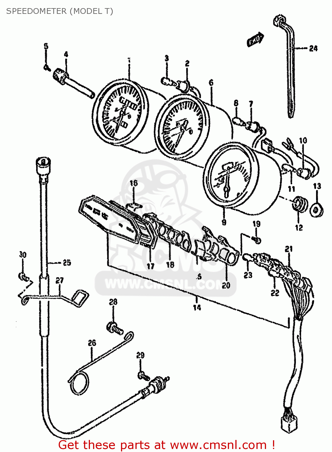
SPEEDOMETER (MODEL T)
GSX600FU2 1993 (P) GERMANY (E22)
Speedometer (model t) diagram GSX600FU2 1993 (P) GERMANY (E22)
SPEEDOMETER (MODEL T) GSX600FU2 1993 (P) GERMANY (E22)
×
prices are in EUR
ref
part #
description
quantity
1-1
3410019C30
ref: 1-1
SPEEDOMETER ASSY
€ 406.50
1-2
3410019C20
ref: 1-2
SPEEDOMETER ASSY
€ 351.50
2
3417119C00
ref: 2
SOCKET
€ 30.00
3
0947112085
ref: 3
BULB(12V3W,WB371,T7)
€ 4.50
4
3412419C00
ref: 4
KNOB,TRIP
€ 12.00
5
3418412D00
ref: 5
SCREW,TRIP KNOB
€ 2.50
6
3420019C11
ref: 6
TACHOMETER ASSY
€ 512.50
7
3417119C10
ref: 7
SOCKET
€ 22.00
8
0947112085
ref: 8
BULB(12V3W,WB371,T7)
€ 4.50
9
3430019C10
ref: 9
METER ASSEMBLY,FUEL
€ 150.50
10
3417119C10
ref: 10
SOCKET
€ 22.00
11
0947112085
ref: 11
BULB(12V3W,WB371,T7)
€ 4.50
12
3418930921
ref: 12
CUSHION
€ 3.00
13
0915906076
ref: 13
NUT
€ 2.00
14-1
3638019C00
ref: 14-1
BOX ASSEMBLY,PILOT LAMP
€ 133.00
14-2
3638019C10
ref: 14-2
E17,E22,E25,E34
BOX ASSY
€ 133.00
15
3638327A00
ref: 15
PLATE,TURN,R
€ 14.50
16
3638427A00
ref: 16
PLATE,TURN,L
€ 9.50
17
3419619C00
ref: 17
CUSHION
€ 19.00
18
3638227A00
ref: 18
PLATE,PILOT LAMP
€ 18.50
19
3645745100
ref: 19
SCREW
€ 2.00
20
3419719C00
ref: 20
LOCK PLATE
€ 13.00
21
3417119C20
ref: 21
SOCKET
€ 85.00
22
0947112100
ref: 22
BULB(12V1.7W,WB372,T7)
€ 2.00
23
0947112085
ref: 23
BULB(12V3W,WB371,T7)
€ 4.50
24
0940714403
ref: 24
CLAMP(L:125)
€ 2.50
25
3491019C01
ref: 25
CABLE ASSY,SPEEDOMETER
€ 27.50
26
3493845100
ref: 26
CLAMP,SPEEDOMETER CABLE
€ 15.50
27
3493834C01
ref: 27
CLAMP,SPEEDOMETER CABLE
€ 4.50
28
0155006163
ref: 28
BOLT
€ 2.50
29
0211205163
ref: 29
SCREW
€ 2.50
30
0214205123
ref: 30
SCREW 5X12
€ 1.50
27
3493834C01
ref: 27
CLAMP,SPEEDOMETER CABLE
€ 4.50
28-1
0155006167
ref: 28-1
MODEL K/L/M/N/P
BOLT
€ 1.50
28-2
0155006163
ref: 28-2
MODEL R/S
BOLT
€ 2.50
29-1
0211205164
ref: 29-1
MODEL K/L/M/N/P
SCREW
€ 2.50
29-2
0211205163
ref: 29-2
MODEL R/S
SCREW
€ 2.50
30-1
0214205124
ref: 30-1
MODEL K/L/M/N/P
SCREW, FRONT & REAR
€ 1.50
30-2
0214205123
ref: 30-2
MODEL R/S
SCREW 5X12
€ 1.50
up
all assemblies
* COLOR CHART *
* COLOR CHART *
* CATALOG PREFACE *
* CONVERSION CHART *
CYLINDER HEAD COVER
CYLINDER HEAD
CYLINDER
CRANKCASE
CRANKCASE COVER
OIL PAN
OIL PUMP
CRANKSHAFT
STARTER CLUTCH
CAM SHAFT/VALVE (MODEL N/P/R/S/T)
CAM CHAIN (MODEL T)
CARBURETOR FITTINGS (SEE NOTE)
AIR CLEANER (SEE NOTE 1)
MUFFLER (MODEL T)
SECOND AIR (MODEL K/L/M/N E18)
CLUTCH (MODEL N/P/R/S/T)
TRANSMISSION
GEAR SHIFTING
STARTING MOTOR
ALTERNATOR
SIGNAL GENERATOR (MODEL T)
BATTERY (MODEL T)
ELECTRICAL
SPEEDOMETER (MODEL T)
HEADLAMP (MODEL T)
TURN SIGNAL LAMP (MODEL T)
TAIL LAMP (MODEL P/R/S/T)
WIRING HARNESS (MODEL T)
HANDLE SWITCH (MODEL T)
FRAME (MODEL P/R/S/T)
STAND
FOOTREST
FUEL TANK (MODEL T)
FUEL COCK (MODEL T)
FRAME COVER (MODEL T)
FRONT FENDER (MODEL S/T)
HANDLEBAR (MODEL S/T)
HANDLE LEVER (MODEL K/L/M/N/P/R/S/T)
REAR FENDER (MODEL T)
COWLING BODY (MODEL T)
INSTALLATION PARTS
SEAT (MODEL N/P/R/S/T)
PILLION RIDER HANDLE (MODEL R/S/T)
FRONT DAMPER (MODEL K/L/M/N/P/R/S/T)
STEERING STEM
FRONT WHEEL (MODEL K/L/M/N/P/R/S/T)
FRONT CALIPERS
FRONT BRAKE HOSE
FRONT MASTER CYLINDER (MODEL K/L/M/N/P/R/S/T)
REAR SWINGING ARM
REAR CUSHION LEVER (MODEL K/L/M/N/P/R/S/T)
REAR WHEEL (MODEL K/L/M/N/P/R/S/T)
REAR CALIPER (MODEL P/R/S/T)
REAR MASTER CYLINDER
OPTIONAL
up