×
Buy Suzuki JR Parts Online
home
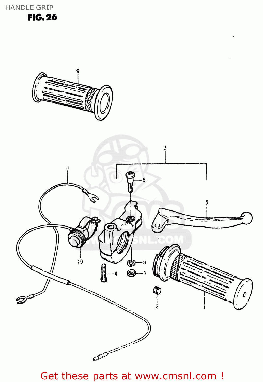
HANDLE GRIP
JR50 1979 (N) USA (E03)
Handle grip diagram JR50 1979 (N) USA (E03)
HANDLE GRIP JR50 1979 (N) USA (E03)
×
prices are in EUR
ref
part #
description
quantity
1
5711004410
ref: 1
57110-04411
GRIP,THROTTLE
€ 7.00
2
5863107010
ref: 2
PIECE,THROTTLE END
€ 4.00
3-1
5730004410
ref: 3-1
57300-04411
LEVER ASSEMBLY,BRAKE
€ 24.50
3-2
5730004411
ref: 3-2
LEVER ASSY,BRAKE
€ 24.50
4
0912505105
ref: 4
09125-05105-XC0
SCREW
€ 5.50
5
5742104410
ref: 5
57421-04420
LEVER,BRAKE
€ 14.00
6
5743104410
ref: 6
SCREW
€ 2.00
7
0831011058
ref: 7
08310-00057
NUT
€ 2.50
8
0832121058
ref: 8
08321-0105A
LOCK WASHER
€ 2.00
9
5721104410
ref: 9
GRIP,L
€ 3.50
10
3782004430
ref: 10
37820-14X50
SWITCH ASSEMBLY
€ 27.00
11
3685104410
ref: 11
36851-41200
WIRE
€ 6.50
up
all assemblies
AIR CLEANER
CARBURETOR
CLUTCH
CLUTCH COVER - OIL PUMP
CRANKCASE
CRANKCASE COVER
CRANKSHAFT
CYLINDER
FENDER
FRAME - FOOTREST
FRAME COVER
FRONT FORK (JR50C)
FRONT FORK (JR50T
FRONT WHEEL
FUEL TANK (JR50C)
FUEL TANK (JR50T)
FUEL TANK (JR50X)
GEAR SHIFTING
HANDLE GRIP
HANDLEBAR - CABLE
KICK STARTER
MAGNETO
MUFFLER
OIL TANK - SEAT
REAR BRAKE
REAR SWINGING ARM
REAR WHEEL
TRANSMISSION
up