×
Buy Suzuki JR Parts Online
home
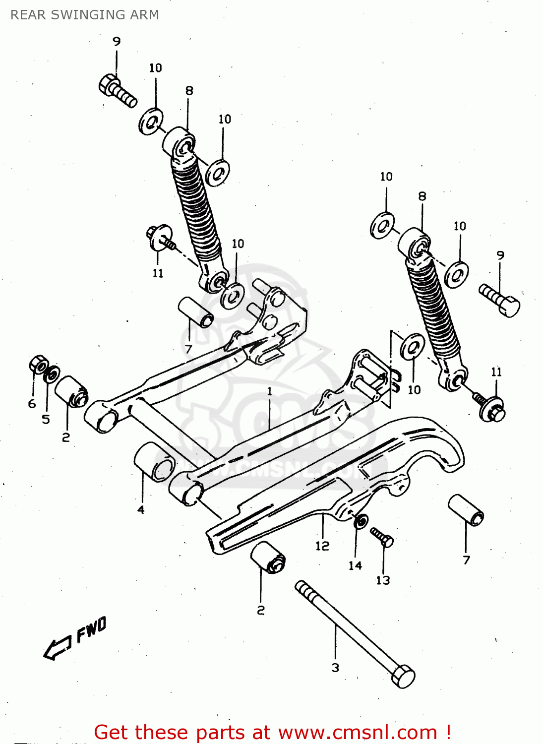
REAR SWINGING ARM
JR50 1998 (W) USA CANADA (E03 E28)
Rear swinging arm diagram JR50 1998 (W) USA CANADA (E03 E28)
REAR SWINGING ARM JR50 1998 (W) USA CANADA (E03 E28)
×
prices are in EUR
ref
part #
description
quantity
1
610000442013L
ref: 1
SWINGINGARM ASSY,RR
€ 77.50
2
0931910014
ref: 2
BUSH
€ 11.50
3
6121104410
ref: 3
SHAFT,RR SWINGINGARM PIVOT
€ 6.50
4
0932020002
ref: 4
CUSHION
€ 5.50
5
0916010119
ref: 5
WASHER(10.5X22X1.6)
€ 2.00
6
0831000103
ref: 6
NUT
€ 2.00
7
6122304420
ref: 7
CAP,RR SHOCK ABSORBER BOSS
€ 42.50
8
6210004410
ref: 8
ABSORBER ASSY,RR SHOCK
€ 179.00
9
0110710358
ref: 9
BOLT,M10X1.25X
€ 3.00
10
0916010119
ref: 10
WASHER(10.5X22X1.6)
€ 2.00
11
0911806055
ref: 11
BOLT(6X12)
€ 2.00
12
6131004410
ref: 12
CASE,CHAIN
€ 25.50
13
0150006123
ref: 13
BOLT
€ 2.50
14
0832101063
ref: 14
LOCK WASHER
€ 2.50
up
all assemblies
* COLOR CHART *
* CATALOG PREFACE *
CYLINDER
TRANSMISSION
GEAR SHIFTING
KICK STARTER
MAGNETO
ELECTRICAL
FRAME - FOOTREST
REAR BRAKE
FUEL TANK (MODEL T/V)
FUEL TANK (MODEL W/X)
OIL TANK
FRAME COVER
CRANKCASE
FRONT FENDER
HANDLEBAR - CABLE
HANDLE GRIP
REAR FENDER
SEAT
FRONT FORK
FRONT WHEEL
REAR SWINGING ARM
REAR WHEEL
OPTIONAL
CLUTCH COVER - OIL PUMP
CRANKCASE COVER
CRANKSHAFT
CARBURETOR
AIR CLEANER
MUFFLER
CLUTCH
up