×
Buy Suzuki JR Parts Online
home
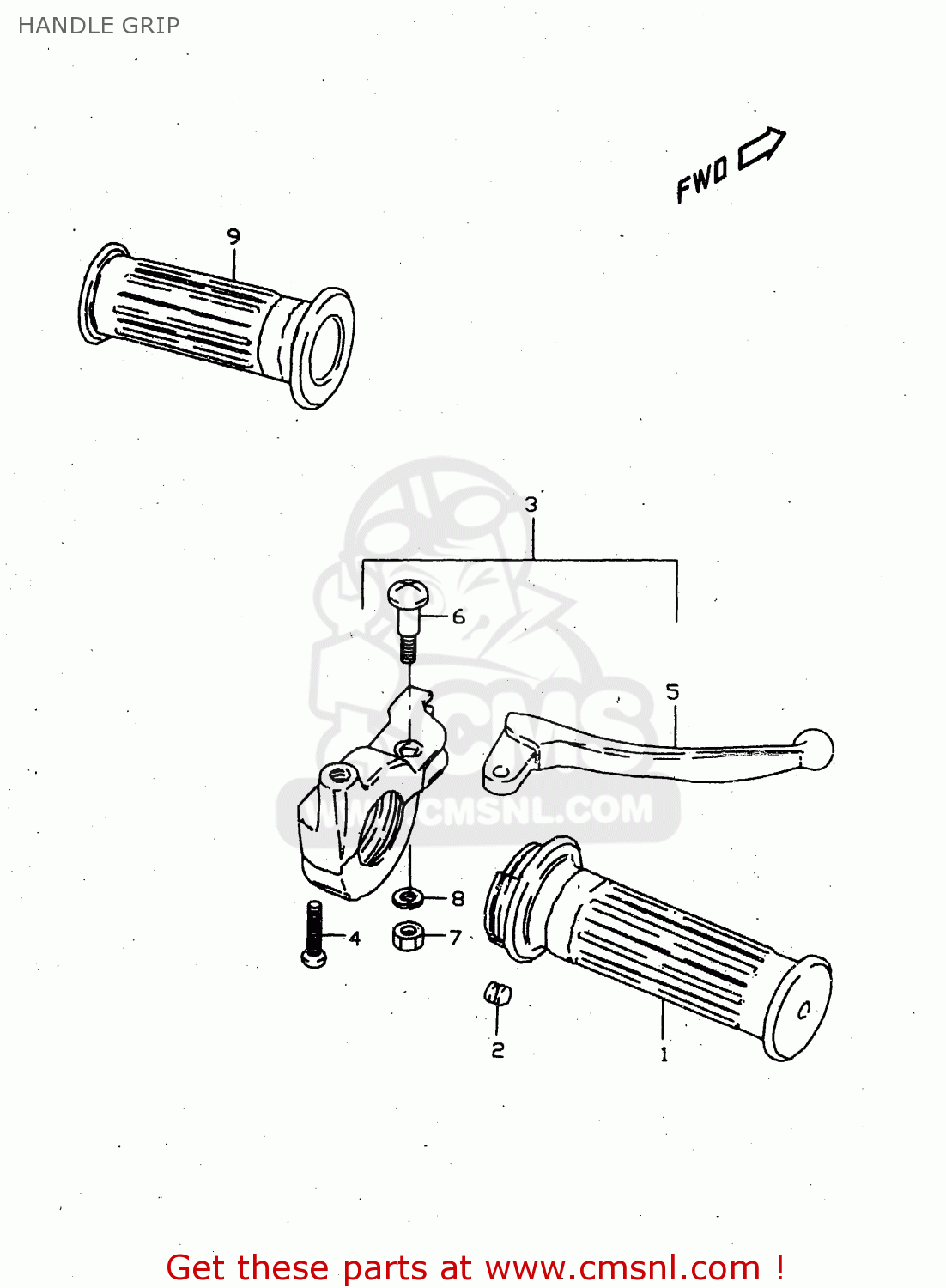
HANDLE GRIP
JR50 1999 (X) USA CANADA (E03 E28)
Handle grip diagram JR50 1999 (X) USA CANADA (E03 E28)
HANDLE GRIP JR50 1999 (X) USA CANADA (E03 E28)
×
prices are in EUR
ref
part #
description
quantity
1
5711004410
ref: 1
GRIP,THROTTLE
€ 7.00
2
5863107010
ref: 2
PIECE,THROTTLE END
€ 4.00
3
5730004420
ref: 3
LEVER ASSY,BRAKE
€ 24.50
4
0912505065
ref: 4
SCREW(5X22)
€ 4.50
5
5742104420
ref: 5
LEVER,BRAKE
€ 14.00
6
5743104420
ref: 6
SCREW,BRAKE LEVER PIVOT
€ 0.00
7
0831000053
ref: 7
NUT
€ 2.50
8
0832101053
ref: 8
LOCK,WASHER
€ 3.00
9
5721104410
ref: 9
GRIP,L
€ 3.50
up
all assemblies
* COLOR CHART *
* CATALOG PREFACE *
CYLINDER
TRANSMISSION
GEAR SHIFTING
KICK STARTER
MAGNETO
ELECTRICAL
FRAME - FOOTREST
REAR BRAKE
FUEL TANK (MODEL T/V)
FUEL TANK (MODEL W/X)
OIL TANK
FRAME COVER
CRANKCASE
FRONT FENDER
HANDLEBAR - CABLE
HANDLE GRIP
REAR FENDER
SEAT
FRONT FORK
FRONT WHEEL
REAR SWINGING ARM
REAR WHEEL
OPTIONAL
CLUTCH COVER - OIL PUMP
CRANKCASE COVER
CRANKSHAFT
CARBURETOR
AIR CLEANER
MUFFLER
CLUTCH
up