×
Buy Suzuki LS Parts Online
home
LS650P 1991 (M) (E01 E02 E04 E15 E16 E17 E18 E22 E25 E39 E53)
* COLOR CHART *
0 products
* CATALOG PREFACE *
0 products
* CONVERSION CHART *
0 products
CYLINDER HEAD
60 products
CYLINDER
9 products
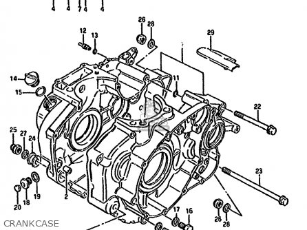
CRANKCASE
31 products
CRANKCASE COVER
41 products
CRANKSHAFT
28 products
CRANK BALANCER
14 products
STARTER CLUTCH
12 products
CAM SHAFT-VALVE
41 products
CAM CHAIN
9 products
CARBURETOR
71 products
AIR CLEANER
24 products
MUFFLER
33 products
OIL PUMP
18 products
CLUTCH
32 products
TRANSMISSION (MODEL M/R E2,4,15,16,17,18,22,25,39,53)
45 products
GEAR SHIFTING (MODEL M/R E2,E15,E16,E17,E18,E22,E25,E39)
55 products
STARTING MOTOR
24 products
MAGNETO
10 products
BATTERY
19 products
ELECTRICAL
29 products
SPEEDOMETER (MODEL R)
24 products
HEADLAMP (MODEL R)
33 products
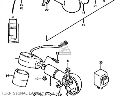
TURN SIGNAL LAMP (MODEL R)
43 products
REAR COMBINATION LAMP
37 products
WIRING HARNESS (MODEL G/J/K/L/M)
39 products
FRAME
13 products
PROP STAND-REAR BRAKE
32 products
FOOTREST
46 products
FUEL TANK (MODEL M/R)
20 products
FUEL COCK
8 products
SEAT
30 products
PILLION RIDER HANDLE
22 products
FRAME COVER (MODEL M/R)
59 products
FRONT FORK
30 products
STEERING STEM
28 products
FRONT FENDER (E1,E2,E4,E17,E18,E21,E22,E25,E34,E39,E53)
13 products
HEADLAMP HOUSING-FRONT FENDER (E15/E16/E24/E75/E77)
28 products
FRONT WHEEL
17 products
HANDLEBAR-CONTROL CABLE (LS650FG/FJ/FK)
21 products
HANDLEBAR-CONTROL CABLE (LS650PG/PJ/PK/PL,MODEL M/R)
22 products
HANDLE SWITCH (MODEL K/L/M/R)
42 products
FRONT CALIPER
23 products
FRONT BRAKE HOSE
8 products
FRONT MASTER CYLINDER (LS650FG/FJ/FK)
11 products
FRONT MASTER CYLINDER (LS650PG/PJ/PK/PL,MODEL M/R)
11 products
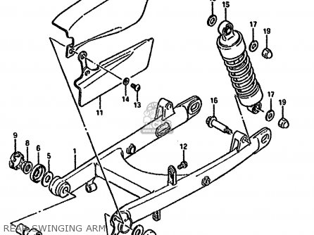
REAR SWINGING ARM
23 products
REAR FENDER
62 products
REAR WHEEL
45 products
OPTIONAL
19 products
up
popular products
3562124B20
BRACKET,REAR RH
Suzuki
0944306077
SPRING
Suzuki
1350237400
COVER
Suzuki
1266124B00
GEAR,CRANK BALANCER DRIVE
Suzuki