×
Buy Suzuki RM Parts Online
home
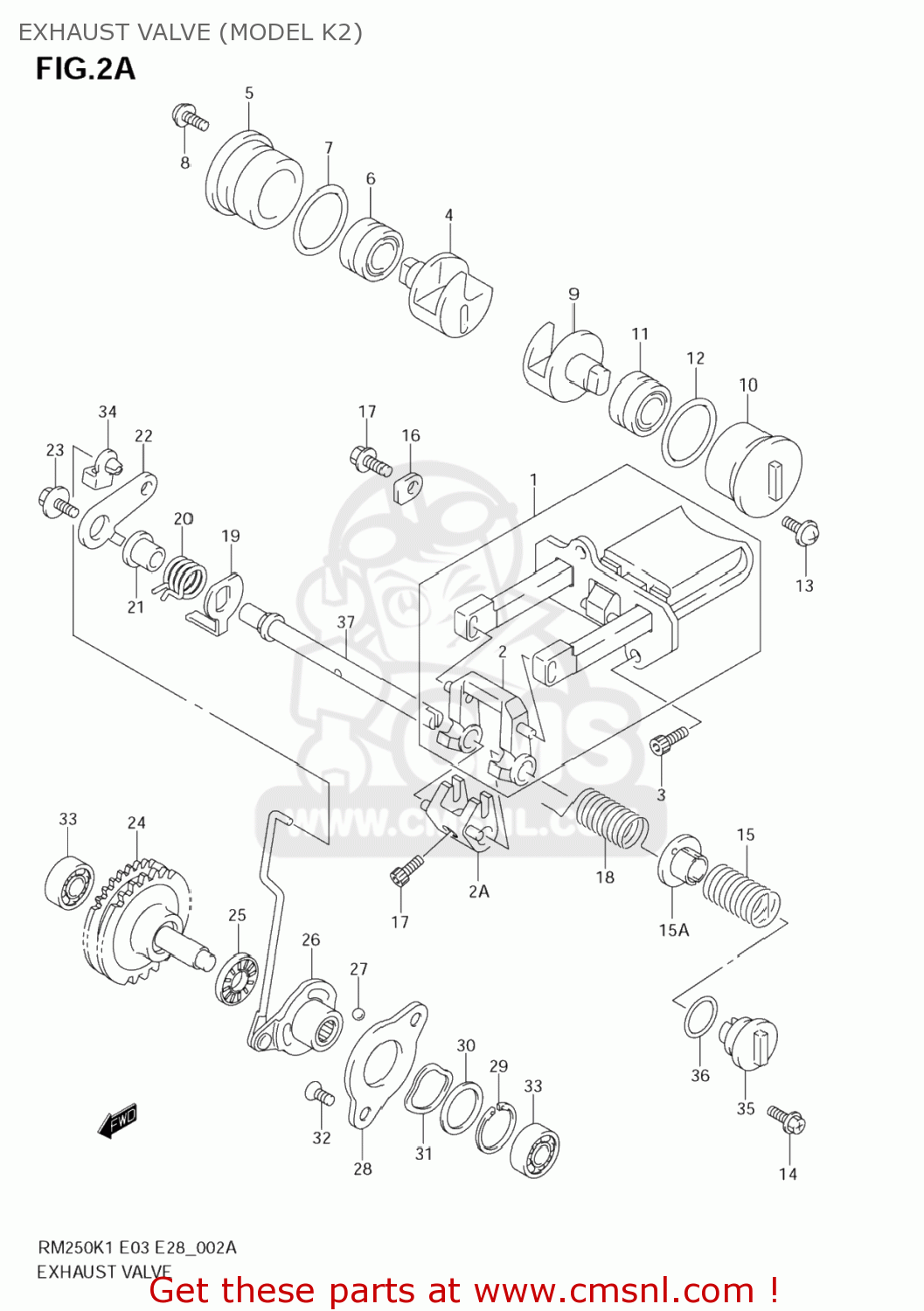
EXHAUST VALVE (MODEL K2)
RM250Z 2004 (K4) USA (E03)
Exhaust valve (model k2) diagram RM250Z 2004 (K4) USA (E03)
EXHAUST VALVE (MODEL K2) RM250Z 2004 (K4) USA (E03)
×
prices are in EUR
ref
part #
description
quantity
1
1120637F10
ref: 1
VALVE ASSY,EXHAUST MAIN
€ 204.50
2
1125437F10
ref: 2
VALVE,EXHAUST MAIN
€ 128.50
2A
1120937F10
ref: 2A
ARM,EXHAUST VALVE
€ 31.50
3
0713005123
ref: 3
07130-0512B
BOLT
€ 3.00
4
1125537F10
ref: 4
VALVE,EXHAUST SIDE,R
€ 70.50
5
1126237F00
ref: 5
CAP,EXHAUST SIDE VALVE
€ 21.00
6
0926312026
ref: 6
BEARING(12X24X13)
€ 47.50
7
0928029005
ref: 7
O RING(D:1.9,ID:28.3)
€ 2.50
8
0211215123
ref: 8
02142-0512A
SCREW 5X12
€ 1.50
9
1125637F10
ref: 9
VALVE,EXHAUST SIDE,L
€ 70.50
10
1126237F00
ref: 10
CAP,EXHAUST SIDE VALVE
€ 21.00
11
0926312026
ref: 11
BEARING(12X24X13)
€ 47.50
12
0928029005
ref: 12
O RING(D:1.9,ID:28.3)
€ 2.50
13
0211215123
ref: 13
02142-0512A
SCREW 5X12
€ 1.50
14
0216205123
ref: 14
02162-0512A
BOLT
€ 2.00
15
1125737F10
ref: 15
SPRING,EXHAUST VALVE SHAFT
€ 5.50
15A
1125337F10
ref: 15A
SPACER,EXHAUST VALVE SHAFT
€ 11.50
16
2474121A00
ref: 16
RETAINER
€ 2.50
17
0154706103
ref: 17
01547-0610B
BOLT
€ 3.50
18
1128937F10
ref: 18
SPRING,EXHAUST SIDE
€ 3.50
19
1126700B21
ref: 19
LEVER,EXHAUST VALVE NO.2
€ 6.00
20
0944416010
ref: 20
SPRING
€ 9.00
21
1126801B01
ref: 21
SPACER,EXHAUST VALVE
€ 9.00
22
1126637F00
ref: 22
LEVER,EXHAUST VALVE NO.1
€ 2.00
23
0911805005
ref: 23
BOLT(5X12)
€ 4.50
24
1267037E11
ref: 24
GOVERNOR ASSY,EXHAUST VALVE
€ 123.50
25
0926310002
ref: 25
BEARING(10X22X2.8)
€ 9.00
26
1268037810
ref: 26
ACTUATOR,EXHAUST VALVE
€ 47.00
27
0611106003
ref: 27
BALL
€ 1.50
28
1268201B02
ref: 28
STARTER,EXHAUST VALVE ACTUATOR
€ 29.00
29
0938019003
ref: 29
CIRCLIP
€ 3.00
30
0918119004
ref: 30
SHIM(19.1X25X0.3)
€ 5.00
31
0916419001
ref: 31
WASHER
€ 7.00
32
0912005003
ref: 32
SCREW(5X10)
€ 2.00
33
0926208005
ref: 33
BEARING(8X22X7)
€ 13.50
34
1268601B00
ref: 34
BUSH,EXHAUST VALVE ROD NO.1
€ 2.50
35
1127437E11
ref: 35
CAP,EXHAUST VALVE SHAFT SPRING
€ 9.50
36
0928015006
ref: 36
O RING(D:1.9,ID:14.5)
€ 3.50
37
1125937E00
ref: 37
SHAFT,EXHAUST VALVE
€ 55.00
up
all assemblies
AIR CLEANER (MODEL K1/K2)
AIR CLEANER (MODEL K3/K4/K5/K6)
CARBURETOR (MODEL K1)
CARBURETOR (MODEL K2)
CARBURETOR (MODEL K3)
CARBURETOR (MODEL K4)
CARBURETOR (MODEL K5)
CARBURETOR (MODEL K6)
CLUTCH (MODEL K1/K2)
CLUTCH (MODEL K3/K4/K5)
CLUTCH (MODEL K6)
CRANKCASE (MODEL K1/K2)
CRANKCASE (MODEL K3/K4/K5/K6)
CRANKCASE COVER- WATER PUMP (MODEL K1/K2)
CRANKCASE COVER-WATER PUMP (MODEL K3/K4/K5/K6)
CRANKSHAFT (MODEL K1/K2)
CRANKSHAFT (MODEL K3/K4/K5/K6)
CYLINDER (MODEL K1)
CYLINDER (MODEL K2)
CYLINDER (MODEL K3/K4/K5/K6)
ELECTRICAL (MODEL K1/K2/K3/K4)
ELECTRICAL (MODEL K5/K6)
EXHAUST VALVE (MODEL K1)
EXHAUST VALVE (MODEL K2)
EXHAUST VALVE (MODEL K3/K4/K5/K6)
FRAME (MODEL K1)
FRAME (MODEL K2/K3/K4/K5/K6)
FRAME COVER (MODEL K1)
FRAME COVER (MODEL K2)
FRAME COVER (MODEL K3/K4/K5/K6)
FRONT CALIPER (MODEL K1/K2/K3/K4)
FRONT CALIPER (MODEL K5/K6)
FRONT DAMPER (MODEL K1)
FRONT DAMPER (MODEL K2)
FRONT DAMPER (MODEL K3)
FRONT DAMPER (MODEL K4)
FRONT DAMPER (MODEL K5)
FRONT DAMPER (MODEL K6)
FRONT FENDER (MODEL K1/K2/K3)
FRONT FENDER (MODEL K4/K5/K6)
FRONT MASTER CYLINDER (MODEL K1/K2/K3)
FRONT MASTER CYLINDER (MODEL K4/K5/K6)
FRONT WHEEL (MODEL K1/K2/K3/K4)
FRONT WHEEL (RM250K5/K6)
FRONT WHEEL (RM250ZK6)
FUEL COCK
FUEL TANK (MODEL K1/K2/K3)
FUEL TANK (MODEL K4/K5/K6)
GASKET SET (MODEL K1/K2)
GASKET SET (MODEL K3/K4/K5/K6)
GEAR SHIFTING
HANDLE LEVER (MODEL K1/K2/K3)
HANDLE LEVER (MODEL K4/K5/K6)
HANDLEBAR (MODEL K1/K2/K3/K4)
HANDLEBAR (MODEL K5/K6)
KICK STARTER (MODEL K1/K2/K3/K4)
KICK STARTER (MODEL K5/K6)
LABEL
MAGNETO (MODEL K1/K2/K3/K4)
MAGNETO (MODEL K5/K6)
MUFFLER
RADIATOR
REAR BRAKE
REAR CALIPER (MODEL K1/K2/K3)
REAR CALIPER (MODEL K4)
REAR CALIPER (MODEL K5/K6)
REAR CUSHION LEVER (MODEL K1)
REAR CUSHION LEVER (MODEL K2/K3)
REAR CUSHION LEVER (MODEL K4/K5/K6)
REAR FENDER (MODEL K1)
REAR FENDER (MODEL K2/K3/K4/K5/K6)
REAR MASTER CYLINDER (MODEL K1/K2)
REAR MASTER CYLINDER (MODEL K3)
REAR MASTER CYLINDER (MODEL K4)
REAR MASTER CYLINDER (MODEL K5/K6)
REAR SHOCK ABSORBER (MODEL K1/K2/K3)
REAR SHOCK ABSORBER (MODEL K4)
REAR SHOCK ABSORBER (MODEL K5)
REAR SHOCK ABSORBER (MODEL K6)
REAR SWINGING ARM (MODEL K1/K2/K3)
REAR SWINGING ARM (MODEL K4)
REAR SWINGING ARM (MODEL K5/K6)
REAR WHEEL (MODEL K1/K2)
REAR WHEEL (MODEL K3)
REAR WHEEL (MODEL K4)
REAR WHEEL (MODEL K5)
REAR WHEEL (RM250K6)
REAR WHEEL (RM250ZK6)
SEAT (MODEL K1/K2/K3/K4)
SEAT (RM250K5/K6)
SEAT (RM250ZK6)
STAND - FOOTREST (MODEL K1/K2)
STAND - FOOTREST (MODEL K3/K4/K5/K6)
STEERING STEM (MODEL K1)
STEERING STEM (MODEL K2)
STEERING STEM (MODEL K3)
STEERING STEM (MODEL K4)
STEERING STEM (MODEL K5)
STEERING STEM (MODEL K6)
TRANSMISSION (MODEL K1/K2/K3)
TRANSMISSION (MODEL K4/K5/K6)
up