×
Buy Suzuki RM Parts Online
home
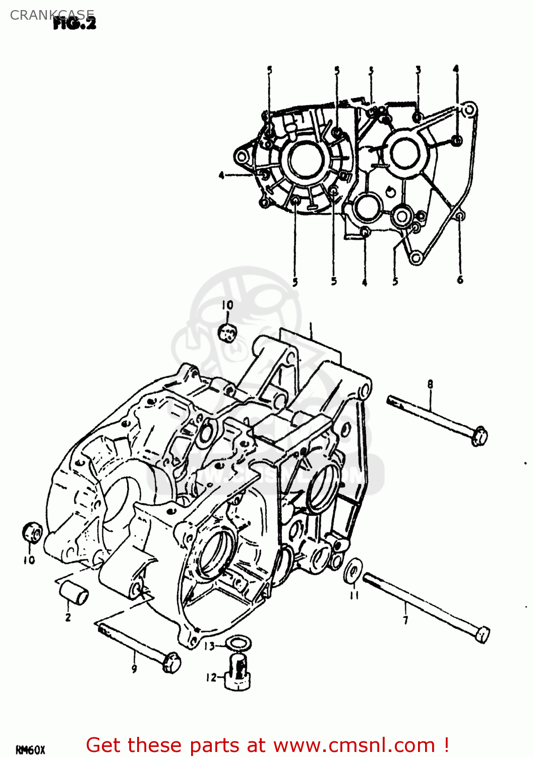
CRANKCASE
RM60 1979 (N) USA (E03)
Crankcase diagram RM60 1979 (N) USA (E03)
CRANKCASE RM60 1979 (N) USA (E03)
×
prices are in EUR
ref
part #
description
quantity
1-1
1130046860
ref: 1-1
11300-46861
CRANKCASE SET
€ 175.00
1-2
1130046861
ref: 1-2
CRANKCASE SET
€ 175.00
2-1
0920613001
ref: 2-1
04211-13189
PIN
€ 2.50
2-2
0421111189
ref: 2-2
PIN
€ 2.00
3
0211206758
ref: 3
02112-06757
CROSS SCREW (6 X 75)
€ 3.50
4
0211206508
ref: 4
02112-06507
SCREW
€ 3.00
5
0211206358
ref: 5
02112-06357
SCREW (6X35)
€ 2.50
6
0211206258
ref: 6
02112-06257
SCREW
€ 2.50
7
0910008155
ref: 7
09116-08064
BOLT 8X115
€ 4.00
8
0910308009
ref: 8
09103-08070
BOLT
€ 6.00
9
0151708758
ref: 9
01550-08757
BOLT 8X75
€ 3.50
10
0831931088
ref: 10
08319-3108A
NUT
€ 3.00
11
0916008030
ref: 11
09160-08128
WASHER
€ 2.50
12
0110710208
ref: 12
01500-10203
BOLT 10X20
€ 4.00
13
0916810002
ref: 13
GASKET(10X14X3.6) (NAS)
€ 3.00
up
all assemblies
AIR CLEANER
CARBURETOR
CDI UNIT - IGNITION COIL (RM60N
CDI UNIT - IGNITION COIL (RM60X)
CHAIN CASE - CHAIN TENSIONER
CLUTCH
CRANKCASE
CRANKCASE COVER
CRANKSHAFT
CYLINDER
FENDER
FRAME - SEAT
FRAME COVER (RM60N
FRAME COVER (RM60X)
FRONT FORK
FRONT WHEEL
FUEL COCK
FUEL TANK (RM60N
FUEL TANK (RM60X)
GEAR SHIFTING
HANDLE GRIP - HANDLE SWITCH
HANDLEBAR
KICK STARTER
MAGNETO (RM60N)
MAGNETO (RM60T)
MAGNETO (RM60X)
MUFFLER
REAR SWINGING ARM
REAR WHEEL
STAND
TRANSMISSION
up