×
Buy Suzuki RM Parts Online
home
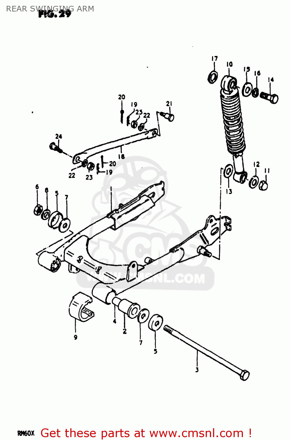
REAR SWINGING ARM
RM60 1979 (N) USA (E03)
Rear swinging arm diagram RM60 1979 (N) USA (E03)
REAR SWINGING ARM RM60 1979 (N) USA (E03)
×
prices are in EUR
ref
part #
description
quantity
1-1
611014683008C
ref: 1-1
SWING ARM ASSEMBLY,REAR
€ 43.50
1-2
611014689008C
ref: 1-2
SWING ARM ASSEMBLY,REAR
€ 60.00
2
0930718003
ref: 2
BUSHING
€ 9.50
3
6121125300
ref: 3
SHAFT, PIVOT
€ 6.00
4
6125146910
ref: 4
SPACER,RR SWGARM PIVOT
€ 14.00
5
6126246910
ref: 5
COVER,REAR SWING ARM DUST
€ 7.50
6
0831921108
ref: 6
09159-10027
NUT
€ 3.50
7
0916010052
ref: 7
WASHER (10.2X28X1.5)
€ 3.00
8
0832221108
ref: 8
08322-01107
WASHER
€ 2.50
9
6127346630
ref: 9
61273-46631
BUFFER,CHAIN TOUCH DEFLECTOR
€ 5.00
10
6210046640
ref: 10
ABSORBER ASSEMBLY,REAR SHOCK
€ 69.50
11
0831311108
ref: 11
08313-10107
NUT, LOWER LH
€ 3.00
12
0916010001
ref: 12
09160-10093
WASHER
€ 2.50
13
0832211128
ref: 13
08322-01127
WASHER
€ 2.00
14
0110706128
ref: 14
01500-06127
BOLT
€ 2.50
15
0916006004
ref: 15
09160-06134
WASHER (6.5X24X1.6)
€ 2.00
16
0832121068
ref: 16
08321-01067
LOCK WASHER
€ 2.50
17
0916012006
ref: 17
09160-12089
WASHER
€ 2.00
18
6431146610
ref: 18
64311-46600-08C
TORQUE LINK,REAR
€ 5.00
19
0938510001
ref: 19
09385-10005
CLIP
€ 2.00
20
0411116158
ref: 20
04111-1620A
COTTER PIN
€ 2.00
21
0911108013
ref: 21
BOLT(8X26.5)
€ 3.50
22
0832121088
ref: 22
08321-01087
LOCK WASHER
€ 2.50
23
0914008008
ref: 23
NUT
€ 2.00
24
0911108015
ref: 24
BOLT(8X22)
€ 4.00
up
all assemblies
AIR CLEANER
CARBURETOR
CDI UNIT - IGNITION COIL (RM60N
CDI UNIT - IGNITION COIL (RM60X)
CHAIN CASE - CHAIN TENSIONER
CLUTCH
CRANKCASE
CRANKCASE COVER
CRANKSHAFT
CYLINDER
FENDER
FRAME - SEAT
FRAME COVER (RM60N
FRAME COVER (RM60X)
FRONT FORK
FRONT WHEEL
FUEL COCK
FUEL TANK (RM60N
FUEL TANK (RM60X)
GEAR SHIFTING
HANDLE GRIP - HANDLE SWITCH
HANDLEBAR
KICK STARTER
MAGNETO (RM60N)
MAGNETO (RM60T)
MAGNETO (RM60X)
MUFFLER
REAR SWINGING ARM
REAR WHEEL
STAND
TRANSMISSION
up