×
Buy Suzuki RM Parts Online
home
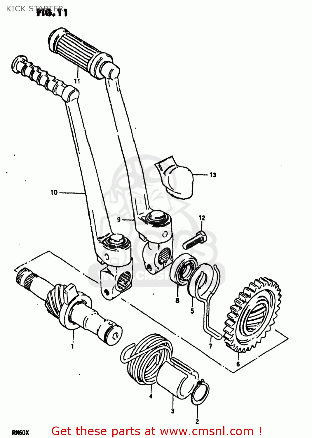
KICK STARTER
RM60 1980 (T) USA (E03)
Kick starter diagram RM60 1980 (T) USA (E03)
KICK STARTER RM60 1980 (T) USA (E03)
×
prices are in EUR
ref
part #
description
quantity
1-1
2621046900
ref: 1-1
26210-46910
SHAFT,KICK STARTER
€ 77.50
1-2
2621046910
ref: 1-2
SHAFT,KICK STARTER
€ 77.50
2
0833131169
ref: 2
08331-3116A
CIRCLIP,16MM
€ 2.00
3
2622146000
ref: 3
GUIDE,KICK STARTER SFT SPRING
€ 5.50
4
0944840001
ref: 4
SPRING
€ 5.50
5
0916014005
ref: 5
09160-14046-XC0
WASHER
€ 4.50
6
2624146000
ref: 6
GEAR,KICK STARTER DRIVE(NT:30)
€ 42.50
7
0938428001
ref: 7
RETAINER,SNAP
€ 2.50
8
0928514001
ref: 8
SEAL,OIL(14X24X6)
€ 9.50
9
2630046001
ref: 9
26300-46900
LEVER ASSEMBLY,KICK STARTER
€ 265.00
10
2630046900
ref: 10
LEVER ASSY,KICK STARTER
€ 265.00
11
2635201000
ref: 11
RUBBER,KICK STARTER PEDAL
€ 4.00
12
0110706208
ref: 12
01500-06207
BOLT
€ 2.50
13
2634146900
ref: 13
COVER,KICK STARTER PEDAL
€ 6.50
up
all assemblies
AIR CLEANER
CARBURETOR
CDI UNIT - IGNITION COIL (RM60N
CDI UNIT - IGNITION COIL (RM60X)
CHAIN CASE - CHAIN TENSIONER
CLUTCH
CRANKCASE
CRANKCASE COVER
CRANKSHAFT
CYLINDER
FENDER
FRAME - SEAT
FRAME COVER (RM60N
FRAME COVER (RM60X)
FRONT FORK
FRONT WHEEL
FUEL COCK
FUEL TANK (RM60N
FUEL TANK (RM60X)
GEAR SHIFTING
HANDLE GRIP - HANDLE SWITCH
HANDLEBAR
KICK STARTER
MAGNETO (RM60N)
MAGNETO (RM60T)
MAGNETO (RM60X)
MUFFLER
REAR SWINGING ARM
REAR WHEEL
STAND
TRANSMISSION
up