×
Buy Suzuki RM Parts Online
home
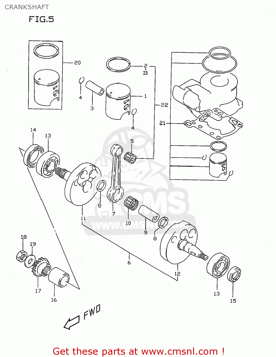
CRANKSHAFT
RM80 1997 (V) USA (E03)
Crankshaft diagram RM80 1997 (V) USA (E03)
CRANKSHAFT RM80 1997 (V) USA (E03)
×
prices are in EUR
ref
part #
description
quantity
1
1211003B000F0
ref: 1
PISTON
€ 58.50
2
1214102B70
ref: 2
RING,PISTON
€ 29.50
3
1215120910
ref: 3
PIN,PISTON
€ 11.00
4
0938114001
ref: 4
RING,SNAP 14MM
€ 2.00
5
0926314016
ref: 5
BEARING(14X18X16)
€ 11.00
6
1220003B00
ref: 6
CRANKSHAFT ASSY
€ 384.00
7
1216102B52
ref: 7
ROD,CONNECTING
€ 43.50
8
0821120252
ref: 8
WASHER
€ 4.00
9
1221102B50
ref: 9
PIN,CRANK
€ 18.50
10
0926320079
ref: 10
BEARING(20X26X13.7)
€ 39.50
11
1222103B00
ref: 11
12221-03B01
CRANKSHAFT,RIGHT
€ 125.00
12
1226103B00
ref: 12
12261-03B01
CRANKSHAFT,LEFT
€ 123.50
13
0926220082
ref: 13
BEARING(20X52X15)
€ 20.00
14
0928330061
ref: 14
SEAL,OIL(30X40X7)
€ 18.50
15-1
0928318006
ref: 15-1
SEAL,OIL(18X30X6)
€ 16.00
15-2
0928318007
ref: 15-2
SEAL,OIL(18X30X7)
€ 7.50
16
1235927C30
ref: 16
SPACER,PRIMARY DRIVE GEAR
€ 10.00
17-1
2111102B40
ref: 17-1
21111-02B41
GEAR,PRIMARY DRIVE (NT:
€ 36.50
17-2
2111102B41
ref: 17-2
GEAR,PRIMARY DRIVE(NT:18)
€ 36.50
18
0914016019
ref: 18
NUT
€ 4.50
19
0916416002
ref: 19
WASHER
€ 3.50
20-1
1210003B00050
ref: 20-1
PISTON SET(OS:0.5)
€ 435.50
20-2
1210003B00100
ref: 20-2
PISTON SET(OS:1.0)
€ 69.50
21-1
1210003830
ref: 21-1
TOP END KIT,ENGINE
€ 112.00
21-2
1210003830050
ref: 21-2
TOP END KIT,ENGINE(OS:0.5)
€ 104.00
22-1
1210003810
ref: 22-1
PISTON KIT
€ 79.50
22-2
1210003810050
ref: 22-2
PISTON KIT(OS:0.5)
€ 75.50
22-3
1210003810100
ref: 22-3
PISTON KIT(OS:1.0)
€ 441.00
up
all assemblies
AIR CLEANER
CARBURETOR
CDI UNIT - IGNITION COIL
CLUTCH
CRANKCASE
CRANKCASE COVER- WATER PUMP
CRANKSHAFT
CUSHION LEVER
CYLINDER
EXHAUST VALVE
FRAME
FRAME COVER
FRONT DAMPER
FRONT FENDER
FRONT MASTER CYLINDER
FRONT WHEEL
FUEL COCK
FUEL TANK (MODEL T)
FUEL TANK (MODEL V)
FUEL TANK (MODEL W)
FUEL TANK (MODEL X)
GEAR SHIFTING
HANDLE LEVER
HANDLEBAR - CABLE
KICK STARTER
LABEL
MAGNETO
MUFFLER
RADIATOR
REAR BRAKE
REAR CALIPERS
REAR FENDER
REAR MASTER CYLINDER
REAR SWINGING ARM
REAR WHEEL
SEAT
SHOCK ABSORBER
STAND
STEERING STEM
TRANSMISSION
up