×
Buy Suzuki RM Parts Online
home
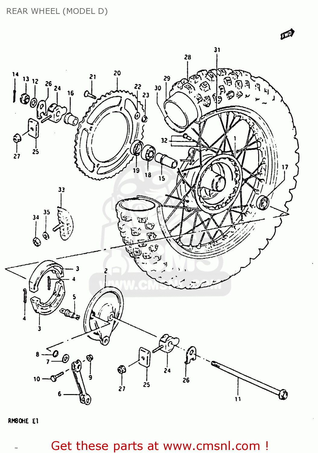
REAR WHEEL (MODEL D)
RM80H 1984 (E)
Rear wheel (model d) diagram RM80H 1984 (E)
REAR WHEEL (MODEL D) RM80H 1984 (E)
×
prices are in EUR
ref
part #
description
quantity
1
6411020510
ref: 1
DRUM, REAR HUB
€ 135.50
2
6421020510
ref: 2
PANEL, REAR HUB
€ 120.00
3
5441043010
ref: 3
SHOE,BRAKE
€ 25.00
4
6443020500
ref: 4
SPRING, BRAKE SHOE
€ 6.50
5
5444102400
ref: 5
CAM,FRONT BRAKE
€ 12.50
6
6445120400
ref: 6
LEVER,RR BRAKE CAM
€ 234.50
7
0916012011
ref: 7
WASHER(12.5X20X1)
€ 1.50
8
0928012001
ref: 8
O RING(D:2.5,ID:11.4)
€ 3.00
9
0831616068
ref: 9
NUT
€ 2.50
10
0151706308
ref: 10
BOLT
€ 2.00
11
6471120510
ref: 11
AXLE,REAR
€ 30.50
12
0832211128
ref: 12
WASHER
€ 2.00
13
0831431128
ref: 13
NUT 12MM
€ 2.00
14
0411130208
ref: 14
PIN 30X20
€ 1.50
15
6473020400
ref: 15
SPACER,REAR HUB BEARING
€ 29.50
16
6475120500
ref: 16
SPACER, AXLE LH
€ 0.00
17
0926212007
ref: 17
BEARING (12X32X10)
€ 16.00
18
0811363010
ref: 18
BEARING
€ 10.50
19
0928418001
ref: 19
OIL SEAL(17X38X5)
€ 16.50
20-1
6451120910
ref: 20-1
NT:56
SPROCKET, REAR
€ 77.00
20-2
6451120950
ref: 20-2
NT:58, OPT
SPROCKET, REAR
€ 173.50
20-3
6451120960
ref: 20-3
NT:60, OPT
SPROCKET, REAR
€ 0.00
20-4
6451120970
ref: 20-4
NT:63, OPT
SPROCKET, REAR
€ 0.00
21
0912008004
ref: 21
SCREW(8X33.5)
€ 3.50
22
0832211088
ref: 22
WASHER
€ 2.50
23
0831931088
ref: 23
NUT
€ 3.00
24
6141020900
ref: 24
ADJUSTER CHAIN
€ 9.50
25
6142126501
ref: 25
ADJUSTER,CHAIN
€ 5.00
26
6471220900
ref: 26
WASHER,CHAIN ADJUSTER
€ 2.00
27
0831931088
ref: 27
NUT
€ 3.00
28
6510020560
ref: 28
IRC
TIRE, REAR (3.50*18)
€ 0.00
29
6520018010
ref: 29
TUBE ASSEMBLY,WHEEL,INNER
€ 38.00
30
5526111010
ref: 30
PROTECTOR,INNER TUBE
€ 4.00
31
6531120510
ref: 31
RIM, WHEEL (1.85*18 AL)
€ 241.00
32
6532020510
ref: 32
SPOKE ASSY,RR WHEEL
€ 30.50
33
6527014300
ref: 33
STOPPER,BEAD
€ 28.50
34
0831012088
ref: 34
NUT
€ 2.50
35
0832211088
ref: 35
WASHER
€ 2.50
up
all assemblies
* COLOR CHART *
* CATALOG PREFACE *
* CONVERSION CHART *
CYLINDER
CRANKCASE
CRANKCASE COVER
CRANKSHAFT
CARBURETOR (MODEL D)
CARBURETOR (MODEL E)
AIR CLEANER
MUFFLER
WATER PUMP
RADIATOR (MODEL D)
RADIATOR (MODEL E)
CLUTCH
TRANSMISSION (MODEL D)
TRANSMISSION (MODEL E)
GEAR SHIFTING
KICK STARTER
MAGNETO
CDI UNIT - IGNITION COIL
FRAME - SEAT
STAND
REAR BRAKE
FUEL TANK (MODEL D)
FUEL TANK (MODEL E)
FUEL COCK
FRAME COVER
FRONT FORK (MODEL D)
FRONT FORK (MODEL E)
FRONT FENDER
FRONT WHEEL
HANDLEBAR - CONTROL CABLE
RIGHT HANDLE SWITCH
LEFT HANDLE GRIP
REAR SWINGING ARM (MODEL D)
REAR SWINGING ARM (MODEL E)
CHAIN GUIDE
REAR SHOCK ABSORBER (MODEL D)
REAR SHOCK ABSORBER (MODEL E)
CUSHION LEVER
REAR FENDER
REAR WHEEL (MODEL D)
REAR WHEEL (MODEL E)
OPTIONAL
up