×
Buy Suzuki RS Parts Online
home
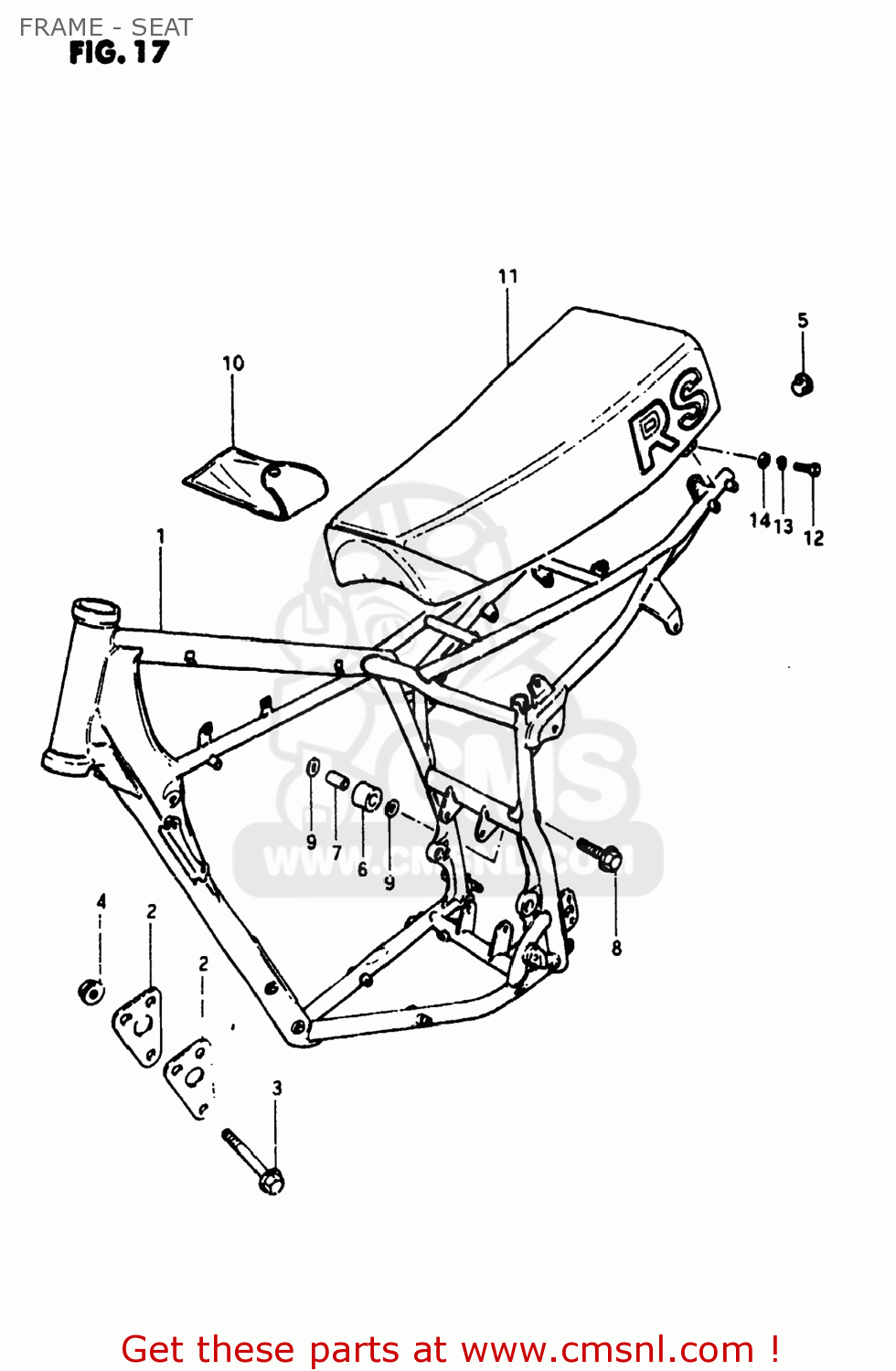
FRAME - SEAT
RS250 1981 (X) USA (E03)
Frame - seat diagram RS250 1981 (X) USA (E03)
FRAME - SEAT RS250 1981 (X) USA (E03)
×
prices are in EUR
ref
part #
description
quantity
1-1
4110040650019
ref: 1-1
41100-40651-019
FRAME
€ 274.50
1-2
4110040651019
ref: 1-2
FRAME
€ 274.50
2
4199140300
ref: 2
PLATE,ENGINE MOUNTING
€ 11.50
3
0910308037
ref: 3
BOLT(8X67)
€ 7.00
4
0831931088
ref: 4
08319-3108A
NUT
€ 3.00
5
0925014005
ref: 5
PLUG(OD:19)
€ 2.00
6-1
4391140410
ref: 6-1
43911-14200
ROLLER,CHAIN CONTROL
€ 18.50
6-2
4391114200
ref: 6-2
ROLLER,CHAIN LENGTH CONTROL
€ 18.50
7
4391340400
ref: 7
SPACER,CHAIN LENGTH ROLLER
€ 8.00
8
0910308043
ref: 8
BOLT(8X45)
€ 5.00
9
0916008035
ref: 9
09160-08130
WASHER
€ 2.50
10
0980001800
ref: 10
09800-21021
TOOL SET
€ 33.00
11
4510040650865
ref: 11
45100-40651-48F
SEAT ASSEMBLY
€ 112.50
12
0110706208
ref: 12
01500-06207
BOLT
€ 2.50
13
0832121068
ref: 13
08321-01067
LOCK WASHER
€ 2.50
14
0916006007
ref: 14
09160-06084
WASHER
€ 2.00
up
all assemblies
AIR CLEANER
CARBURETOR
CHAIN GUIDE (RS250T)
CHAIN GUIDE (RS250X)
CLUTCH
CRANKCASE
CRANKCASE COVER
CRANKSHAFT
CYLINDER
ELECTRICAL
FRAME - SEAT
FRAME COVER (RS250T)
FRAME COVER (RS250X)
FRONT FORK
FRONT WHEEL (RS250T)
FRONT WHEEL (RS250X)
FUEL COCK
FUEL TANK (RS250T)
FUEL TANK (RS250X)
GEAR SHIFTING
HANDLE GRIP - LEVER
HANDLEBAR
HEADLAMP
HEADLAMP HOUSING - FRONT FENDER
KICK STARTER
MAGNETO
MUFFLER
REAR FENDER
REAR SWINGING ARM
REAR WHEEL
STAND - FOOTREST
TAIL LAMP
TRANSMISSION
TRIP METER (MODEL X)
up