×
Buy Suzuki SP Parts Online
home
TRANSMISSION
SP125 1987 (H) USA (E03)
Transmission diagram SP125 1987 (H) USA (E03)
TRANSMISSION SP125 1987 (H) USA (E03)
×
prices are in EUR
ref
part #
description
quantity
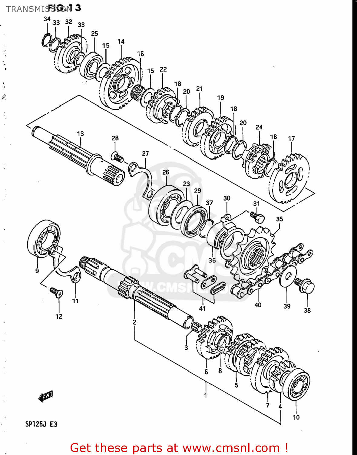
1
2412044A00
ref: 1
SHAFT ASSEMBLY,COUNTER
€ 0.00
2
2412105201
ref: 2
24120-05810
SHAFT,COUNTER
€ 97.00
3
2412538201
ref: 3
BUSH
€ 3.50
4
2422105201
ref: 4
24221-05202
GEAR,SECOND DRIVE
€ 50.50
5
2423105202
ref: 5
24231-05203
GEAR,THIRD & FOURTH DRIVE,N
€ 61.50
6
2425105211
ref: 6
24251-05212
GEAR,FIFTH DRIVE
€ 54.50
7
2426044A00
ref: 7
24260-44A01
GEAR,SIXTH DRIVE
€ 74.00
8
0938020009
ref: 8
CIRCLIP
€ 2.00
9
0926220062
ref: 9
09262-20069
BEARING
€ 28.00
10
0812360020
ref: 10
08123-60027
BEARING, LH
€ 17.50
11
2474105200
ref: 11
RETAINER,DRIVE SHAFT BEARING
€ 4.00
12
0212206128
ref: 12
02122-06127
SCREW
€ 3.50
13
2413044A00
ref: 13
SHAFT,DRIVE
€ 121.00
14
2431105200
ref: 14
24311-05202
GEAR,FIRST DRIVEN
€ 57.50
15
0821115251
ref: 15
WASHER
€ 2.50
16
0926315023
ref: 16
BEARING(15X19X7.8)
€ 11.50
17
2432005201
ref: 17
24320-05202
GEAR,SECOND DRIVEN
€ 40.50
18
0938020009
ref: 18
CIRCLIP
€ 2.00
19
2433105201
ref: 19
24331-05203
GEAR,THIRD DRIVEN
€ 54.50
20
0916720011
ref: 20
WASHER,LOCK
€ 2.50
21
2434105201
ref: 21
24341-05203
GEAR,FOURTH DRIVEN
€ 50.00
22
2435105210
ref: 22
24351-05211
GEAR,FIFTH DRIVEN
€ 55.00
23
2435942A00
ref: 23
WASHER,OIL SEALING
€ 3.00
24
2436105210
ref: 24
24361-05211
GEAR,SIXTH DRIVEN
€ 74.00
25
0926415001
ref: 25
BEARING(15X36X12)
€ 43.00
26
0926222018
ref: 26
BEARING(22X50X14)
€ 19.00
27
2474105200
ref: 27
RETAINER,DRIVE SHAFT BEARING
€ 4.00
28
0212206128
ref: 28
02122-06127
SCREW
€ 3.50
29
0928330053
ref: 29
SEAL,OIL(30X40X6)
€ 9.00
30
2475142A01
ref: 30
24751-42A10
RETAINER,DRIVESHAFT O
€ 3.00
31
0110706106
ref: 31
01500-0610B
BOLT
€ 2.00
32
2626005201
ref: 32
GEAR,KICK STARTER IDLE(NT:26)
€ 34.50
33
0821115201
ref: 33
WASHER
€ 2.50
34
0833131159
ref: 34
08331-3115A
CIRCLIP,15MM
€ 2.00
35
2751144A00
ref: 35
27510-44A10
SPROCKET,ENGINE
€ 35.50
36
2753142A00
ref: 36
SPACER,ENGINE SPROCKET
€ 13.00
37
0928021008
ref: 37
O RING(D:2.5,ID:21)
€ 2.50
38
0151708125
ref: 38
01550-0812A
BOLT
€ 3.50
39
0821108283
ref: 39
WASHER
€ 2.00
40
2760020511
ref: 40
27600-46911-134
CHAIN ASSEMBLY,DRIVE
€ 47.00
41-1
2762046911
ref: 41-1
JOINT SET,CHAIN
€ 4.50
41-2
2762005220
ref: 41-2
27620-40220
JOINT ASSEMBLY,CHAIN
€ 8.50
up
all assemblies
AIR CLEANER
BATTERY
CAM CHAIN
CAM SHAFT - VALVE
CARBURETOR
CLUTCH
CRANKCASE
CRANKCASE COVER
CRANKSHAFT
CYLINDER
CYLINDER HEAD
ELECTRICAL
FOOTREST
FRAME
FRAME COVER
FRONT BRAKE HOSE
FRONT CALIPER
FRONT FORK
FRONT MASTER CYLINDER
FRONT WHEEL
FUEL COCK
FUEL TANK (MODEL G/H)
FUEL TANK (MODEL J)
GEAR SHIFTING
HANDLEBAR
HEADLAMP
HEADLAMP COVER - FRONT FENDER (MODEL G)
HEADLAMP COVER - FRONT FENDER (MODEL H/J)
KICK STARTER
LIGHT HANDLE SWITCH
MAGNETO
MUFFLER
OIL PUMP
REAR COMBINATION LAMP
REAR CUSHION
REAR FENDER
REAR SWINGING ARM
REAR WHEEL
RIGHT HANDLE SWITCH
SEAT
SPEEDOMETER
STAND - REAR BRAKE
STEERING STEM
TRANSMISSION
TURN SIGNAL LAMP
WIRING HARNESS
up