×
Buy Suzuki SP Parts Online
home
SP200 1986 (G) USA (E03)
AIR CLEANER
18 products
BATTERY
10 products
CAM CHAIN
14 products
CAM SHAFT - VALVE
31 products
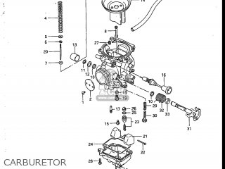
CARBURETOR
37 products
CLUTCH
29 products
CRANKCASE
12 products
CRANKCASE COVER
24 products
CRANKSHAFT
22 products
CYLINDER
7 products
CYLINDER HEAD
32 products
ELECTRICAL
14 products
FOOTREST
20 products
FRAME
28 products
FRAME COVER
21 products
FRONT BRAKE HOSE
6 products
FRONT CALIPER
22 products
FRONT FORK
29 products
FRONT MASTER CYLINDER
11 products
FRONT WHEEL
18 products
FUEL COCK
11 products
FUEL TANK (MODEL G/H)
21 products
FUEL TANK (MODEL J)
18 products
GEAR SHIFTING
44 products
HANDLEBAR - CABLE
16 products
HEADLAMP
21 products
HEADLAMP HOUSING - FRONT FENDER
22 products
KICK STARTER
16 products
LIGHT HANDLE SWITCH
35 products
MAGNETO
16 products
MUFFLER
23 products
OIL PUMP
22 products
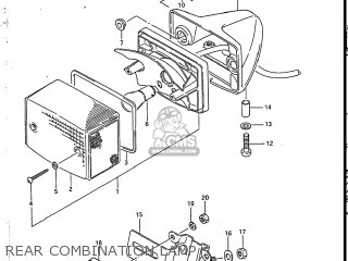
REAR COMBINATION LAMP
20 products
REAR CUSHION
29 products
REAR FENDER
43 products
REAR SWINGING ARM
30 products
REAR WHEEL
37 products
RIGHT HANDLE SWITCH
14 products
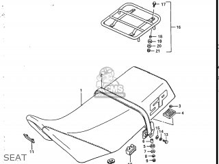
SEAT
23 products
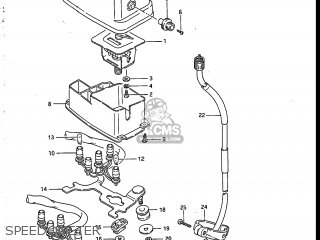
SPEEDOMETER
28 products
STAND - REAR BRAKE
26 products
STEERING STEM
36 products
TRANSMISSION
38 products
TURN SIGNAL LAMP
21 products
WIRING HARNESS
28 products
up
popular products
0944012030
SPRING
Suzuki
4199142A00291
PLATE,ENGINE MOUNT UPR
Suzuki
6451142A00
SPROCKET,REAR
Suzuki
1114118A00
GASKET,CYLINDER HEAD (NAS)
Suzuki